Foram encontradas 100 questões.
Em cada um dos itens de 25 a 28 a seguir, é apresentada uma situação hipotética, seguida de uma assertiva a ser julgada.
Os tribunais utilizam códigos em seus sistemas internos e, usualmente, os processos protocolados nesses órgãos seguem uma codificação única formada por 6 campos. O terceiro desses campos, identificado como código da vara jurídica correspondente à região geográfica, é constituído por 3 algarismos com valores, cada um, entre 0 e 9. Supondo-se que, nesses códigos, os três algarismos não sejam todos iguais, conclui-se que podem ser criados, no máximo, 90 códigos distintos para identificar as varas jurídicas.Provas
Questão presente nas seguintes provas
960687
Ano: 2007
Disciplina: Auditoria Governamental e Controle
Banca: CESPE / CEBRASPE
Orgão: TRT-9
Disciplina: Auditoria Governamental e Controle
Banca: CESPE / CEBRASPE
Orgão: TRT-9
Julgue o item seguinte, acerca dos Poderes Legislativo e Judiciário e da fiscalização contábil, financeira e orçamentária da União.
Compete ao Tribunal de Contas da União (TCU) fiscalizar a aplicação de recursos públicos repassados pela União mediante convênio aos estados, ao Distrito Federal ou a município.
Provas
Questão presente nas seguintes provas

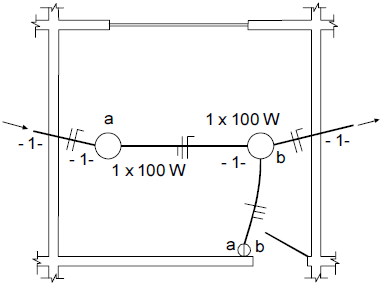
Julio Niskier. Manual de Instalações Elétricas. LTC, 2005, p. 58.
Considerando a figura acima, que mostra parte da planta de uma instalação elétrica residencial, na qual é destacado o circuito 1 e vários dos seus componentes, julgue o item a seguir.
É pouco provável que a seção dos condutores utilizados na parte mostrada do circuito 1 seja igual ou superior a 4 mm2.
Provas
Questão presente nas seguintes provas

Julio Niskier. Manual de Instalações Elétricas. LTC, 2005, p. 58.
Considerando a figura acima, que mostra parte da planta de uma instalação elétrica residencial, na qual é destacado o circuito 1 e vários dos seus componentes, julgue o item a seguir.
O eletroduto que interliga os dois pontos de luz contém um condutor de retorno, um condutor neutro, e um condutor de fase.
Provas
Questão presente nas seguintes provas

Julio Niskier. Manual de Instalações Elétricas. LTC, 2005, p. 58.
Considerando a figura acima, que mostra parte da planta de uma instalação elétrica residencial, na qual é destacado o circuito 1 e vários dos seus componentes, julgue o item a seguir.
A alimentação para as lâmpadas chega por meio do eletroduto que está à direita do ponto de luz b, olhando-se a partir da porta.
Provas
Questão presente nas seguintes provas

Julio Niskier. Manual de Instalações Elétricas. LTC, 2005, p. 58.
Considerando a figura acima, que mostra parte da planta de uma instalação elétrica residencial, na qual é destacado o circuito 1 e vários dos seus componentes, julgue o item a seguir.
Os dois pontos de luz a e b são comandados por meio de um interruptor de duas seções.
Provas
Questão presente nas seguintes provas
Em relação ao eletrodo de terra, uma das partes mais importantes do sistema de pára-raios, julgue o item que se segue.
É recomendado que a resistência do eletrodo de terra de um sistema de pára-raios seja verificada periodicamente.
Provas
Questão presente nas seguintes provas
Em relação ao eletrodo de terra, uma das partes mais importantes do sistema de pára-raios, julgue o item que se segue.
É permitido utilizar haste de cobre como elemento para eletrodo de terra. No entanto, tubo de aço zincado não é aceitável.
Provas
Questão presente nas seguintes provas

Hélio Creder. Instalações Elétricas. LTC, 14ª ed., 2.000, p. 293.
A figura acima mostra esquema ilustrativo visando a indicação de parâmetros, em uma edificação, para o dimensionamento de pára-raios do tipo Franklin. Os parâmetros !$ \alpha !$, hc e Rb são o ângulo do cone de proteção contra descargas atmosféricas, a altura da extremidade do captor e o raio do cone de proteção, respectivamente.
Considerando o nível de proteção necessário que se pretende obter no projeto do pára-raios, julgue o item a seguir.
O número de níveis de proteção considerado para o projeto de pára-raios do tipo Franklin e do tipo gaiola de Faraday é diferente.
Provas
Questão presente nas seguintes provas

Hélio Creder. Instalações Elétricas. LTC, 14ª ed., 2.000, p. 293.
A figura acima mostra esquema ilustrativo visando a indicação de parâmetros, em uma edificação, para o dimensionamento de pára-raios do tipo Franklin. Os parâmetros !$ \alpha !$, hc e Rb são o ângulo do cone de proteção contra descargas atmosféricas, a altura da extremidade do captor e o raio do cone de proteção, respectivamente.
Considerando o nível de proteção necessário que se pretende obter no projeto do pára-raios, julgue o item a seguir.
Construções com altura superior a 50 m podem ser dotadas de pára-raios do tipo Franklin, desde que seja possível dimensionar pára-raios que tenham ângulo !$ \alpha !$ de pelo menos 40º.
Provas
Questão presente nas seguintes provas
Cadernos
Caderno Container