Foram encontradas 50 questões.
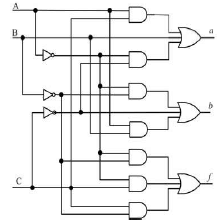
A figura a seguir representa uma parte de um decodificador de 7-segmentos, onde foram mantidas as entradas A, B e C e as saídas correspondentes aos filamentos a, b e f de um display de 7-segmentos de catodo comum.

Da análise da figura, pode-se concluir que a entrada (A, B, C), que resulta em uma saída (a, b, f) = (0, 1, 1), é:
Provas
O circuito lógico simplificado, equivalente ao circuito lógico original é:
Provas
O circuito lógico representado a seguir serve de base para a questão.

A expressão booleana do circuito lógico mostrado é:
Provas
Na operação de um microcontrolador, pode-se usar diversos sistemas de numeração, principalmente na interação entre o microcontrolador e o usuário. Dois desses sistemas são o sistema binário e o sistema decimal. Qual o equivalente binário do decimal 137?
Provas
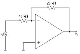
O circuito com amplificador operacional, representado a seguir, é usado na questão.

O valor absoluto do ganho do circuito mostrado é:
Provas
O circuito com amplificador operacional, representado a seguir, é usado na questão.

O circuito mostrado é denominado amplificador
Provas
O amplificador operacional é um dispositivo cujas características se aproximam das características de um amplificador ideal. O amplificador operacional
Provas
No circuito a seguir, uma fonte senoidal com valor eficaz 220 V alimenta uma carga resistiva de 100 \( Ω \), por meio de um tiristor do tipo SCR (Retificador Controlado de Silício).

Supondo um ângulo de disparo de 90º, qual o gráfico que representa a tensão sobre a carga em um ciclo de operação?
Provas
Na família dos transistores de efeito de campo,
Provas
Na figura a seguir, algumas regiões foram delimitadas nas curvas características estáticas de um transistor bipolar de junção (TBJ).

Da análise da figura, conclui-se que
Provas
Caderno Container