Foram encontradas 50 questões.
As figuras a seguir representam, respectivamente, um circuito em que uma fonte V de 2 V alimenta uma carga resistiva de 40 \( Ω \), através de um diodo retificador, e a curva característica do diodo.

Com base nas informações contidas nas figuras, conclui-se que a corrente I do circuito é, aproximadamente,
Provas
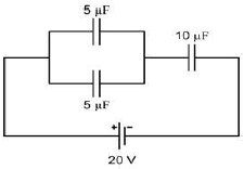
O circuito a seguir mostra uma associação de capacitores alimentada por uma fonte de 20 V.

Supondo o circuito em regime permanente, qual é a carga no capacitor de 10 \( \mu F \)?
Provas
O capacitor é um dos dispositivos básicos de um circuito elétrico. A função de um capacitor é
Provas
Um ferro de solda de resistência R, ao ser alimentado por uma tensão de 200 V, dissipa uma potência de 40 W. Qual a potência dissipada para uma tensão de alimentação de 50 V?
Provas
A figura a seguir mostra a associação de resistores, em que a resistência equivalente entre os pontos A e B depende do estado das chaves Ch1 e Ch2 (aberta ou fechada).

Na figura, a configuração que apresenta o maior valor de resistência equivalente entre os pontos A e B é aquela em que as chaves Ch1 e Ch2 estão, respectivamente,
Provas
Viver com menos
Alguns nadam contra a corrente do consumismo e pregam que
a vida com poucos bens materiais é bem mais satisfatória.
De quantos objetos você precisa para ter uma vida tranquila? Certamente o kit essencial inclui peças de roupas, celular,cartões de crédito, móveis e eletrodomésticos como cama, geladeira, fogão, computador, e uma casa para guardar tudo isso. Talvez você também tenha um carro e acredite que para levar uma vida plena só precisa de mais aquela casa na praia. Se dinheiro não for um empecilho, a lista pode aumentar. Não é preciso ir muito longe para perceber que vivemos cercados por uma enorme quantidade de objetos e acabamos gastando boa parte do tempo cuidando de sua manutenção: um carro que quebra, o smartphone sem sinal, a tevê que ficou muda e – graças a Deus – ainda não saiu da garantia. E lá vamos atrás da assistência técnica ou de uma loja.
O objetivo pode ser tornar a vida mais fácil e confortável, mas muitas vezes acabamos reféns de nossos próprios objetos de desejo. “Um dos lugares que ostentam as consequências do consumo excessivo são os engarrafamentos. Diante do sonho do carro próprio, as pessoas preferem ficar presas num engarrafamento do que andar de transporte público", exemplifica Estanislau Maria, assessor técnico de conteúdo do Instituto Akatu, entidade que trabalha pelo consumo consciente. Estanislau não tem dúvidas de que nosso papel de consumidor precisa ser repensado. “Vivemos na sociedade do excesso e do desperdício. É o modelo de vida norte-americano do pós-guerra, que herdamos no Brasil", afirma.
Mas de quantas dessas coisas de fato precisamos e quantas não são apenas desperdícios de espaço, de dinheiro e de tempo? Algumas pessoas levaram esse questionamento a sério e decididam repensar seus hábitos de consumo. Elas apostam numa teoria simples: quanto menos coisas possuímos, mais descomplicada e feliz será a vida. A psicóloga Marina Paula está nessa turma. “Sempre procurei questionar essa ideia que ouvimos o tempo todo, de que temos que ter um determinado produto", explica a jovem de 28 anos, moradora de Curitiba. Depois de refletir sobre o que lia em blogs pela internet, ela decidiu que estava pronta para colocar em prática um desafio pessoal: ficar um ano sem comprar. É claro que algumas exceções estavam contempladas, como alimentos, remédios e produtos de limpeza. Mas os itens que ela estava acostumada a adquirir todo mês, como livros, revistas, DVDs, roupas, produtos de beleza e utensílios domésticos, foram sumariamente cortados.
No fim de maio de 2012, o teste foi concluído. Olhando para trás, Marina recorda que o mais difícil não foi resistir à tentação de lojas e promoções, mas adquirir novos hábitos. “Surpreendentemente, o mais difícil foi preencher o tempo que eu gastava comprando. De repente me vi com todo esse tempo livre, que antes gastava em passeios no shopping e em outras lojas", relembra. Aos poucos, os minutos que ela ganhou foram sendo direcionados para atividades que lhe traziam bem-estar, como curtir os amigos. De certa maneira, a psicóloga acha que trocou a aquisição de novos bens materiais por um pouco mais de felicidade. “Essa proposta mudou meus hábitos de consumo. Hoje eu chego às lojas com uma visão diferente", conta.
[...]
Por que compramos coisas que sabemos que não iremos usar? Para Mário René, coordenador da pós-graduação em ciência do consumo na Escola Superior de Propaganda e Marketing (ESPM), a diferença entre o que precisamos e o que desejamos acaba se confundindo na cabeça do consumidor em meio à enxurrada de publicidade que recebemos todos os dias. “Os objetos que compramos geralmente se encaixam em três categorias: a das necessidades, a dos desejos e outra que eu gosto de chamar de 'necejos', os objetos de desejo que, por imposição da publicidade, acabam se tornando uma necessidade", define Mário.
[...]
Marina e Luciana são, mesmo que inadvertidamente, representantes do minimalismo, um movimento que não é novo, mas tem ganhado força com dezenas de blogs sobre o assunto.
Como toda corrente de pensamento, o minimalismo – também conhecido como “consumo mínimo" ou “simplicidade voluntária" – não é uniforme, mas flexível e sem manual. Alguns, por exemplo, acreditam que é preciso ir além do período sabático.
VELOSO, Larissa. Revista Planeta. Seção Comportamento.Disponível em: <http://revistaplaneta.terra.com.br/secao/comportam...> .
Acesso em: 5 fev. 2014
Provas
Viver com menos
Alguns nadam contra a corrente do consumismo e pregam que
a vida com poucos bens materiais é bem mais satisfatória.
De quantos objetos você precisa para ter uma vida tranquila? Certamente o kit essencial inclui peças de roupas, celular,cartões de crédito, móveis e eletrodomésticos como cama, geladeira, fogão, computador, e uma casa para guardar tudo isso. Talvez você também tenha um carro e acredite que para levar uma vida plena só precisa de mais aquela casa na praia. Se dinheiro não for um empecilho, a lista pode aumentar. Não é preciso ir muito longe para perceber que vivemos cercados por uma enorme quantidade de objetos e acabamos gastando boa parte do tempo cuidando de sua manutenção: um carro que quebra, o smartphone sem sinal, a tevê que ficou muda e – graças a Deus – ainda não saiu da garantia. E lá vamos atrás da assistência técnica ou de uma loja.
O objetivo pode ser tornar a vida mais fácil e confortável, mas muitas vezes acabamos reféns de nossos próprios objetos de desejo. “Um dos lugares que ostentam as consequências do consumo excessivo são os engarrafamentos. Diante do sonho do carro próprio, as pessoas preferem ficar presas num engarrafamento do que andar de transporte público", exemplifica Estanislau Maria, assessor técnico de conteúdo do Instituto Akatu, entidade que trabalha pelo consumo consciente. Estanislau não tem dúvidas de que nosso papel de consumidor precisa ser repensado. “Vivemos na sociedade do excesso e do desperdício. É o modelo de vida norte-americano do pós-guerra, que herdamos no Brasil", afirma.
Mas de quantas dessas coisas de fato precisamos e quantas não são apenas desperdícios de espaço, de dinheiro e de tempo? Algumas pessoas levaram esse questionamento a sério e decididam repensar seus hábitos de consumo. Elas apostam numa teoria simples: quanto menos coisas possuímos, mais descomplicada e feliz será a vida. A psicóloga Marina Paula está nessa turma. “Sempre procurei questionar essa ideia que ouvimos o tempo todo, de que temos que ter um determinado produto", explica a jovem de 28 anos, moradora de Curitiba. Depois de refletir sobre o que lia em blogs pela internet, ela decidiu que estava pronta para colocar em prática um desafio pessoal: ficar um ano sem comprar. É claro que algumas exceções estavam contempladas, como alimentos, remédios e produtos de limpeza. Mas os itens que ela estava acostumada a adquirir todo mês, como livros, revistas, DVDs, roupas, produtos de beleza e utensílios domésticos, foram sumariamente cortados.
No fim de maio de 2012, o teste foi concluído. Olhando para trás, Marina recorda que o mais difícil não foi resistir à tentação de lojas e promoções, mas adquirir novos hábitos. “Surpreendentemente, o mais difícil foi preencher o tempo que eu gastava comprando. De repente me vi com todo esse tempo livre, que antes gastava em passeios no shopping e em outras lojas", relembra. Aos poucos, os minutos que ela ganhou foram sendo direcionados para atividades que lhe traziam bem-estar, como curtir os amigos. De certa maneira, a psicóloga acha que trocou a aquisição de novos bens materiais por um pouco mais de felicidade. “Essa proposta mudou meus hábitos de consumo. Hoje eu chego às lojas com uma visão diferente", conta.
[...]
Por que compramos coisas que sabemos que não iremos usar? Para Mário René, coordenador da pós-graduação em ciência do consumo na Escola Superior de Propaganda e Marketing (ESPM), a diferença entre o que precisamos e o que desejamos acaba se confundindo na cabeça do consumidor em meio à enxurrada de publicidade que recebemos todos os dias. “Os objetos que compramos geralmente se encaixam em três categorias: a das necessidades, a dos desejos e outra que eu gosto de chamar de 'necejos', os objetos de desejo que, por imposição da publicidade, acabam se tornando uma necessidade", define Mário.
[...]
Marina e Luciana são, mesmo que inadvertidamente, representantes do minimalismo, um movimento que não é novo, mas tem ganhado força com dezenas de blogs sobre o assunto.
Como toda corrente de pensamento, o minimalismo – também conhecido como “consumo mínimo" ou “simplicidade voluntária" – não é uniforme, mas flexível e sem manual. Alguns, por exemplo, acreditam que é preciso ir além do período sabático.
VELOSO, Larissa. Revista Planeta. Seção Comportamento.Disponível em: <http://revistaplaneta.terra.com.br/secao/comportam...> .
Acesso em: 5 fev. 2014
Provas
Viver com menos
Alguns nadam contra a corrente do consumismo e pregam que
a vida com poucos bens materiais é bem mais satisfatória.
De quantos objetos você precisa para ter uma vida tranquila? Certamente o kit essencial inclui peças de roupas, celular,cartões de crédito, móveis e eletrodomésticos como cama, geladeira, fogão, computador, e uma casa para guardar tudo isso. Talvez você também tenha um carro e acredite que para levar uma vida plena só precisa de mais aquela casa na praia. Se dinheiro não for um empecilho, a lista pode aumentar. Não é preciso ir muito longe para perceber que vivemos cercados por uma enorme quantidade de objetos e acabamos gastando boa parte do tempo cuidando de sua manutenção: um carro que quebra, o smartphone sem sinal, a tevê que ficou muda e – graças a Deus – ainda não saiu da garantia. E lá vamos atrás da assistência técnica ou de uma loja.
O objetivo pode ser tornar a vida mais fácil e confortável, mas muitas vezes acabamos reféns de nossos próprios objetos de desejo. “Um dos lugares que ostentam as consequências do consumo excessivo são os engarrafamentos. Diante do sonho do carro próprio, as pessoas preferem ficar presas num engarrafamento do que andar de transporte público", exemplifica Estanislau Maria, assessor técnico de conteúdo do Instituto Akatu, entidade que trabalha pelo consumo consciente. Estanislau não tem dúvidas de que nosso papel de consumidor precisa ser repensado. “Vivemos na sociedade do excesso e do desperdício. É o modelo de vida norte-americano do pós-guerra, que herdamos no Brasil", afirma.
Mas de quantas dessas coisas de fato precisamos e quantas não são apenas desperdícios de espaço, de dinheiro e de tempo? Algumas pessoas levaram esse questionamento a sério e decididam repensar seus hábitos de consumo. Elas apostam numa teoria simples: quanto menos coisas possuímos, mais descomplicada e feliz será a vida. A psicóloga Marina Paula está nessa turma. “Sempre procurei questionar essa ideia que ouvimos o tempo todo, de que temos que ter um determinado produto", explica a jovem de 28 anos, moradora de Curitiba. Depois de refletir sobre o que lia em blogs pela internet, ela decidiu que estava pronta para colocar em prática um desafio pessoal: ficar um ano sem comprar. É claro que algumas exceções estavam contempladas, como alimentos, remédios e produtos de limpeza. Mas os itens que ela estava acostumada a adquirir todo mês, como livros, revistas, DVDs, roupas, produtos de beleza e utensílios domésticos, foram sumariamente cortados.
No fim de maio de 2012, o teste foi concluído. Olhando para trás, Marina recorda que o mais difícil não foi resistir à tentação de lojas e promoções, mas adquirir novos hábitos. “Surpreendentemente, o mais difícil foi preencher o tempo que eu gastava comprando. De repente me vi com todo esse tempo livre, que antes gastava em passeios no shopping e em outras lojas", relembra. Aos poucos, os minutos que ela ganhou foram sendo direcionados para atividades que lhe traziam bem-estar, como curtir os amigos. De certa maneira, a psicóloga acha que trocou a aquisição de novos bens materiais por um pouco mais de felicidade. “Essa proposta mudou meus hábitos de consumo. Hoje eu chego às lojas com uma visão diferente", conta.
[...]
Por que compramos coisas que sabemos que não iremos usar? Para Mário René, coordenador da pós-graduação em ciência do consumo na Escola Superior de Propaganda e Marketing (ESPM), a diferença entre o que precisamos e o que desejamos acaba se confundindo na cabeça do consumidor em meio à enxurrada de publicidade que recebemos todos os dias. “Os objetos que compramos geralmente se encaixam em três categorias: a das necessidades, a dos desejos e outra que eu gosto de chamar de 'necejos', os objetos de desejo que, por imposição da publicidade, acabam se tornando uma necessidade", define Mário.
[...]
Marina e Luciana são, mesmo que inadvertidamente, representantes do minimalismo, um movimento que não é novo, mas tem ganhado força com dezenas de blogs sobre o assunto.
Como toda corrente de pensamento, o minimalismo – também conhecido como “consumo mínimo" ou “simplicidade voluntária" – não é uniforme, mas flexível e sem manual. Alguns, por exemplo, acreditam que é preciso ir além do período sabático.
VELOSO, Larissa. Revista Planeta. Seção Comportamento.Disponível em: <http://revistaplaneta.terra.com.br/secao/comportam...> .
Acesso em: 5 fev. 2014
Provas
Viver com menos
Alguns nadam contra a corrente do consumismo e pregam que
a vida com poucos bens materiais é bem mais satisfatória.
De quantos objetos você precisa para ter uma vida tranquila? Certamente o kit essencial inclui peças de roupas, celular,cartões de crédito, móveis e eletrodomésticos como cama, geladeira, fogão, computador, e uma casa para guardar tudo isso. Talvez você também tenha um carro e acredite que para levar uma vida plena só precisa de mais aquela casa na praia. Se dinheiro não for um empecilho, a lista pode aumentar. Não é preciso ir muito longe para perceber que vivemos cercados por uma enorme quantidade de objetos e acabamos gastando boa parte do tempo cuidando de sua manutenção: um carro que quebra, o smartphone sem sinal, a tevê que ficou muda e – graças a Deus – ainda não saiu da garantia. E lá vamos atrás da assistência técnica ou de uma loja.
O objetivo pode ser tornar a vida mais fácil e confortável, mas muitas vezes acabamos reféns de nossos próprios objetos de desejo. “Um dos lugares que ostentam as consequências do consumo excessivo são os engarrafamentos. Diante do sonho do carro próprio, as pessoas preferem ficar presas num engarrafamento do que andar de transporte público", exemplifica Estanislau Maria, assessor técnico de conteúdo do Instituto Akatu, entidade que trabalha pelo consumo consciente. Estanislau não tem dúvidas de que nosso papel de consumidor precisa ser repensado. “Vivemos na sociedade do excesso e do desperdício. É o modelo de vida norte-americano do pós-guerra, que herdamos no Brasil", afirma.
Mas de quantas dessas coisas de fato precisamos e quantas não são apenas desperdícios de espaço, de dinheiro e de tempo? Algumas pessoas levaram esse questionamento a sério e decididam repensar seus hábitos de consumo. Elas apostam numa teoria simples: quanto menos coisas possuímos, mais descomplicada e feliz será a vida. A psicóloga Marina Paula está nessa turma. “Sempre procurei questionar essa ideia que ouvimos o tempo todo, de que temos que ter um determinado produto", explica a jovem de 28 anos, moradora de Curitiba. Depois de refletir sobre o que lia em blogs pela internet, ela decidiu que estava pronta para colocar em prática um desafio pessoal: ficar um ano sem comprar. É claro que algumas exceções estavam contempladas, como alimentos, remédios e produtos de limpeza. Mas os itens que ela estava acostumada a adquirir todo mês, como livros, revistas, DVDs, roupas, produtos de beleza e utensílios domésticos, foram sumariamente cortados.
No fim de maio de 2012, o teste foi concluído. Olhando para trás, Marina recorda que o mais difícil não foi resistir à tentação de lojas e promoções, mas adquirir novos hábitos. “Surpreendentemente, o mais difícil foi preencher o tempo que eu gastava comprando. De repente me vi com todo esse tempo livre, que antes gastava em passeios no shopping e em outras lojas", relembra. Aos poucos, os minutos que ela ganhou foram sendo direcionados para atividades que lhe traziam bem-estar, como curtir os amigos. De certa maneira, a psicóloga acha que trocou a aquisição de novos bens materiais por um pouco mais de felicidade. “Essa proposta mudou meus hábitos de consumo. Hoje eu chego às lojas com uma visão diferente", conta.
[...]
Por que compramos coisas que sabemos que não iremos usar? Para Mário René, coordenador da pós-graduação em ciência do consumo na Escola Superior de Propaganda e Marketing (ESPM), a diferença entre o que precisamos e o que desejamos acaba se confundindo na cabeça do consumidor em meio à enxurrada de publicidade que recebemos todos os dias. “Os objetos que compramos geralmente se encaixam em três categorias: a das necessidades, a dos desejos e outra que eu gosto de chamar de 'necejos', os objetos de desejo que, por imposição da publicidade, acabam se tornando uma necessidade", define Mário.
[...]
Marina e Luciana são, mesmo que inadvertidamente, representantes do minimalismo, um movimento que não é novo, mas tem ganhado força com dezenas de blogs sobre o assunto.
Como toda corrente de pensamento, o minimalismo – também conhecido como “consumo mínimo" ou “simplicidade voluntária" – não é uniforme, mas flexível e sem manual. Alguns, por exemplo, acreditam que é preciso ir além do período sabático.
VELOSO, Larissa. Revista Planeta. Seção Comportamento.Disponível em: <http://revistaplaneta.terra.com.br/secao/comportam...> .
Acesso em: 5 fev. 2014
Provas
Viver com menos
Alguns nadam contra a corrente do consumismo e pregam que
a vida com poucos bens materiais é bem mais satisfatória.
De quantos objetos você precisa para ter uma vida tranquila? Certamente o kit essencial inclui peças de roupas, celular,cartões de crédito, móveis e eletrodomésticos como cama, geladeira, fogão, computador, e uma casa para guardar tudo isso. Talvez você também tenha um carro e acredite que para levar uma vida plena só precisa de mais aquela casa na praia. Se dinheiro não for um empecilho, a lista pode aumentar. Não é preciso ir muito longe para perceber que vivemos cercados por uma enorme quantidade de objetos e acabamos gastando boa parte do tempo cuidando de sua manutenção: um carro que quebra, o smartphone sem sinal, a tevê que ficou muda e – graças a Deus – ainda não saiu da garantia. E lá vamos atrás da assistência técnica ou de uma loja.
O objetivo pode ser tornar a vida mais fácil e confortável, mas muitas vezes acabamos reféns de nossos próprios objetos de desejo. “Um dos lugares que ostentam as consequências do consumo excessivo são os engarrafamentos. Diante do sonho do carro próprio, as pessoas preferem ficar presas num engarrafamento do que andar de transporte público", exemplifica Estanislau Maria, assessor técnico de conteúdo do Instituto Akatu, entidade que trabalha pelo consumo consciente. Estanislau não tem dúvidas de que nosso papel de consumidor precisa ser repensado. “Vivemos na sociedade do excesso e do desperdício. É o modelo de vida norte-americano do pós-guerra, que herdamos no Brasil", afirma.
Mas de quantas dessas coisas de fato precisamos e quantas não são apenas desperdícios de espaço, de dinheiro e de tempo? Algumas pessoas levaram esse questionamento a sério e decididam repensar seus hábitos de consumo. Elas apostam numa teoria simples: quanto menos coisas possuímos, mais descomplicada e feliz será a vida. A psicóloga Marina Paula está nessa turma. “Sempre procurei questionar essa ideia que ouvimos o tempo todo, de que temos que ter um determinado produto", explica a jovem de 28 anos, moradora de Curitiba. Depois de refletir sobre o que lia em blogs pela internet, ela decidiu que estava pronta para colocar em prática um desafio pessoal: ficar um ano sem comprar. É claro que algumas exceções estavam contempladas, como alimentos, remédios e produtos de limpeza. Mas os itens que ela estava acostumada a adquirir todo mês, como livros, revistas, DVDs, roupas, produtos de beleza e utensílios domésticos, foram sumariamente cortados.
No fim de maio de 2012, o teste foi concluído. Olhando para trás, Marina recorda que o mais difícil não foi resistir à tentação de lojas e promoções, mas adquirir novos hábitos. “Surpreendentemente, o mais difícil foi preencher o tempo que eu gastava comprando. De repente me vi com todo esse tempo livre, que antes gastava em passeios no shopping e em outras lojas", relembra. Aos poucos, os minutos que ela ganhou foram sendo direcionados para atividades que lhe traziam bem-estar, como curtir os amigos. De certa maneira, a psicóloga acha que trocou a aquisição de novos bens materiais por um pouco mais de felicidade. “Essa proposta mudou meus hábitos de consumo. Hoje eu chego às lojas com uma visão diferente", conta.
[...]
Por que compramos coisas que sabemos que não iremos usar? Para Mário René, coordenador da pós-graduação em ciência do consumo na Escola Superior de Propaganda e Marketing (ESPM), a diferença entre o que precisamos e o que desejamos acaba se confundindo na cabeça do consumidor em meio à enxurrada de publicidade que recebemos todos os dias. “Os objetos que compramos geralmente se encaixam em três categorias: a das necessidades, a dos desejos e outra que eu gosto de chamar de 'necejos', os objetos de desejo que, por imposição da publicidade, acabam se tornando uma necessidade", define Mário.
[...]
Marina e Luciana são, mesmo que inadvertidamente, representantes do minimalismo, um movimento que não é novo, mas tem ganhado força com dezenas de blogs sobre o assunto.
Como toda corrente de pensamento, o minimalismo – também conhecido como “consumo mínimo" ou “simplicidade voluntária" – não é uniforme, mas flexível e sem manual. Alguns, por exemplo, acreditam que é preciso ir além do período sabático.
VELOSO, Larissa. Revista Planeta. Seção Comportamento.Disponível em: <http://revistaplaneta.terra.com.br/secao/comportam...> .
Acesso em: 5 fev. 2014
Provas
Caderno Container