Magna Concursos

Foram encontradas 615 questões.

587479 Ano: 2018
Disciplina: Engenharia Elétrica
Banca: AOCP
Orgão: UEFS
Um gerador de corrente alternada tem oito polos e opera em uma velocidade de 750 rpm. Qual é a frequência da tensão gerada e a velocidade, em rpm, da máquina primária requerida para gerar as frequências de 60 Hz e 25 Hz?
 

Provas

Questão presente nas seguintes provas
587475 Ano: 2018
Disciplina: Engenharia Elétrica
Banca: AOCP
Orgão: UEFS
Assinale a alternativa que representa o esquema de ligação do transformador de potência cujo circuito de sequência zero é apresentado na Figura 2.
enunciado 587475-1
 

Provas

Questão presente nas seguintes provas
587474 Ano: 2018
Disciplina: Engenharia Elétrica
Banca: AOCP
Orgão: UEFS

A tensão terminal de uma carga conectada em Y que consiste em três impedâncias iguais de é de 20 30° Ω é de 1,73 kV linha a linha. A impedância em cada uma das três fases que conectam a carga ao barramento numa subestação é ZL=1,475º Ω. Assinale a alternativa que apresenta a tensão entre as linhas na barra da subestação.

 

Provas

Questão presente nas seguintes provas
587472 Ano: 2018
Disciplina: Engenharia Elétrica
Banca: AOCP
Orgão: UEFS
De acordo com a norma NBR 5419:2015, assinale a alternativa INCORRETA.
 

Provas

Questão presente nas seguintes provas
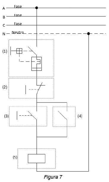
587471 Ano: 2018
Disciplina: Engenharia Elétrica
Banca: AOCP
Orgão: UEFS
A Figura 7 mostra um diagrama de comando elétrico. Nessa figura, estão numerados seus componentes. Assinale a alternativa que apresenta a correta descrição desses componentes de acordo com a numeração apresentada.
enunciado 587471-1
 

Provas

Questão presente nas seguintes provas
587470 Ano: 2018
Disciplina: Engenharia Elétrica
Banca: AOCP
Orgão: UEFS
A norma ABNT NBR 5410:2004 trata do dimensionamento do condutor neutro em instalações elétricas de baixa tensão. Sobre esse tópico, assinale a alternativa correta.
 

Provas

Questão presente nas seguintes provas
587469 Ano: 2018
Disciplina: Eletroeletrônica
Banca: AOCP
Orgão: UEFS
Sobre os sistemas de partida de motores, assinale a alternativa correta.
 

Provas

Questão presente nas seguintes provas
587468 Ano: 2018
Disciplina: Engenharia Elétrica
Banca: AOCP
Orgão: UEFS
Em um projeto luminotécnico, solicita-se que, em um ambiente de 20m2, seja atingido o valor mínimo de iluminância de 100 lux. Para tal fim, dispõe-se de dois tipos de lâmpadas: Tipo 1: 5 w e 400 lumens; Tipo 2: 10 w e 200 lúmens.
Assinale a alternativa que apresenta a quantidade mínima de luminárias e seu tipo para que sejam atendidos, simultaneamente, os requisitos de iluminância mínima e de maior eficiência luminosa.
 

Provas

Questão presente nas seguintes provas
587464 Ano: 2018
Disciplina: Engenharia Elétrica
Banca: AOCP
Orgão: UEFS

Um gerador shunt de corrente contínua de 250 V e 150 kW possui uma resistência de campo de 50Ω e uma resistência de armadura de 0,05Ω. Assinale a alternativa que apresenta os valores corretos da corrente em plena carga \(I_L\), da corrente de campo, \(I_f \)  da corrente de armadura \(I_A\)  e a equação da tensão gerada na situação de plena carga desse gerador.

 

Provas

Questão presente nas seguintes provas
587462 Ano: 2018
Disciplina: Direito Financeiro
Banca: AOCP
Orgão: UEFS
Ao incluir no orçamento assuntos que não lhe sejam pertinentes, ou seja, incluir normas relativas a outros campos jurídicos e, portanto, estranhas à previsão da receita e fixação da despesa, está sendo ferido o princípio da
 

Provas

Questão presente nas seguintes provas