Foram encontradas 240 questões.
A figura abaixo ilustra um circuito eletrônico. Considerando os dados apresentados na figura e sabendo que Ib=1,46mA e Ie=16mA, assinale a alternativa que apresenta o valor mais aproximado da tensão VO.

Provas
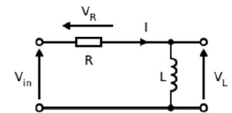
A figura abaixo representa um circuito RL em série. Assinale a alternativa que apresenta o valor mais aproximado da frequência na qual o filtro irá atenuar a tensão do sinal Vin para sua metade, considerando R=10 kΩ, L=20 mH.

Provas
A figura abaixo representa um circuito RC em série. Assinale a alternativa que apresenta o valor mais aproximado da tensão sobre o capacitor, considerando R=10 kΩ, C=100 \( \mu \)F e Vin=9 VDC.

Provas
Considere uma Ponte de Wheatstone, conforme a figura abaixo, com Vin=10V, Ra=3Ω, Rb=6Ω e Rc=12Ω. Assinale a alternativa que apresenta o valor mais aproximado de Rx para que Vb=0.

Provas
No circuito elétrico representado abaixo, R é um resistor com potência de dissipação de ¼ de Watt, que apresenta, na ordem, as faixas marrom, preta, marrom e dourada, mas que ao ser submetido a dissipar uma potência maior do que ¼ de Watt, queimou. Assinale a alternativa que apresenta o valor mais provável da tensão fornecida pela fonte no momento em que o resistor queimou.

Provas
Certo equipamento, ao ser alimentado com 110V em corrente contínua, dissipa uma potência igual a 55W. Qual a resistência interna deste produto, em condições ideais?
Provas
A figura abaixo ilustra um circuito elétrico. Considerando que V1=6V; R1=R2=6Ω; R3=R5=15Ω; R4=3Ω, assinale a alternativa que apresenta o valor mais aproximado do produto dos valores das correntes de R1, R2, R3, R4 e R5.

Provas
A figura abaixo ilustra um circuito elétrico. Considerando que V1=6V; R1=R2=6Ω; R3=R5=15Ω; R4=3Ω; assinale a alternativa que apresenta o valor mais aproximado da queda de tensão em R4.

Provas
Um organismo infeccioso que apresenta tamanho aproximado de 0,3 micrômetros, ausência de parede celular, sensibilidade e resistência, respectivamente, a tetraciclina e penicilina, crescimento com micélios e capacidade de viver e crescer dentro ou fora de células eucariotas, trata-se de:
Provas
Assinale os parênteses com C (ciprofloxacina), P (penicilina) ou T (tetraciclina) considerando as afirmações relativas à forma com que cada um destes antibióticos mata ou bloqueia o crescimento de microrganismos.
( ) Interfere na construção da parede das células bacterianas.
( ) Ataca a maquinaria bacteriana que faz a síntese proteica.
( ) Ataca a enzima bacteriana que adiciona giros ao DNA.
A sequência correta de preenchimento dos parênteses, de cima para baixo, é:
Provas
Caderno Container