Foram encontradas 70 questões.
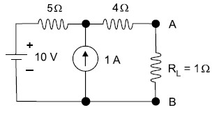
O circuito a seguir alimenta uma carga RL presente entre os pontos A e B.

O equivalente de Thévenin desse circuito é:
Provas
O dispositivo utilizado para conectar múltiplos pontos de videoconferência é o(a)
Provas
- Transmissão de DadosMeios de TransmissãoCabeamento FìsicoCabeamento Estruturado
- Transmissão de DadosMeios de TransmissãoCabeamento FìsicoMeio de Transmissão: Par Trançado
Em ambientes com interferência eletromagnética acentuada, o cabeamento de par trançado deve ser do tipo
Provas
Ao configurar um equipamento de rede, o administrador notou que sua interface de rede opera em modo half-duplex. Isso indica que essa interface é capaz de
Provas
Dentre os protocolos utilizados em redes de computadores, o IP (Internet Protocol) possui como característica
Provas
Em um sistema de telefonia IP, há a necessidade de se utilizarem vários protocolos do conjunto TCP/IP para efetivar a comunicação. Dentre esses protocolos, um exemplo de protocolo utilizado para o transporte da mídia que contém a voz digitalizada é o
Provas
Um sistema de telefonia digital é especificado para operar com sinais de frequência até 3 400 Hz. O processo de digitalização desse sinal, de acordo com o teorema de Harry Nyquist, deve realizar a quantização (digitalização) utilizando uma taxa de amostragem, em kHz, de pelo menos
Provas
Para-raios são elementos obrigatórios em instalações elétricas industriais. Um ensaio não destrutivo que pode ser realizado em campo, para avaliar o estado de um para-raio, é a medida
Provas
Deseja-se utilizar um relé térmico para proteger um motor elétrico. Esse tipo de relé deve ser dimensionado em função
Provas
Considerando a família TTL de circuitos integrados digitais, o Fan Out é definido como o número
Provas
Caderno Container