Foram encontradas 70 questões.
Analise o seguinte circuito combinacional.

Assinale a alternativa que contém a combinação de X1, Y1, X2 e Y2 que produz a saída S igual a 1.
Provas
Considere a seguinte porta lógica com entradas A e B e saída X.

A respeito dessa porta lógica, pode-se afirmar que se trata da porta
Provas
Considere o número 234 na notação decimal. Esse número, na notação hexadecimal, é igual a
Provas
Um dos componentes utilizados em alguns circuitos eletrônicos é o termistor, sobre o qual é correto afirmar que
Provas
Um sistema de alimentação de energia elétrica trifásico balanceado fornece tensão de fase de 220 [V] / 60 [Hz]. A tensão de linha nesse sistema é, em [V], aproximadamente,
Provas
Uma máquina síncrona de 8 polos opera como motor e é alimentada por uma tensão de 150 [V] / 60 Hz. A velocidade de rotação desse motor é, em rpm, igual a
Provas
Um chuveiro elétrico de 6 000 W foi utilizado duas vezes em um dia, e consumiu 4,5 kWh. Sabendo-se que a primeira utilização durou 15 minutos, o tempo da segunda utilização foi de
Provas
Um circuito operando em corrente alternada possui uma carga indutiva. Essa carga
Provas
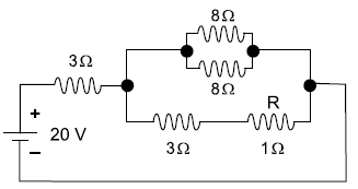
Analise o circuito a seguir.

A corrente i que circula no resistor R se encontra na faixa:
Provas
Provas
Caderno Container