Foram encontradas 315 questões.
Coloque nos parênteses D ou C, conforme houver sentido próprio (denotação) ou figurado (conotação):
( ) Infelizmente, a notícia não é boa: nosso amigo tornou-se escravo das drogas.
( ) Na excursão, por acidente, quebramos o galho de uma árvore.
( ) Tenho doces recordações do passado, apesar das amargas desilusões.
( ) Os cometas possuem longas caudas luminosas.
( ) As horas pingaram tão rapidamente que a noite logo chegou.
( ) Há pessoas que têm o coração de pedra.
Assinale a alternativa que registra a sequência CORRETA de D e C de cima para baixo:
Provas
Leia o enunciado a seguir, extraído de O Livro da História (Globo Livros, 2017, p. 147): O feito de Colombo em 1492 é com frequência descrito como a “descoberta” europeia da América. Essa é uma alegação problemática, não apenas porque Colombo pensou que havia chegado à Ásia, mas também porque os vikings da Escandinávia já haviam chegado à América do Norte quase quinhentos anos antes – vestígios arqueológicos revelam que eles até tiveram um assentamento lá. No entanto, o povoamento viking não durou muito e era desconhecido de Colombo e seus contemporâneos. Porém, a jornada de Colombo em 1492 de fato inaugurou um contato duradouro entre as Américas e a Europa. A terrível destruição que ele e seus homens trouxeram aos povos indígenas das Índias Ocidentais que encontrou quando de sua primeira chegada às Américas também iniciou um processo de dizimação das populações americanas nativas que continuaria por um século. Sobre o texto, as ideias nele contidas e seus aspectos linguísticos, considere as seguintes afirmativas:
I. As aspas em “descoberta” se justificam porque realçam o fato de a palavra possuir outro sentido que não o usual, um sentido de certa maneira irônico.
II. O autor desmerece o navegador Colombo, tratando-o como um genocida, em virtude da destruição de populações da América.
III. Se os vikings tivessem continuado com assentamentos na América, nossa realidade social teria sido diferente.
IV. O vocábulo “que”, em “que continuaria por um século” exerce a função de sujeito e se refere ao “processo de dizimação”.
V. No mesmo enunciado, deveria haver vírgula após “nativas” (“processo de dizimação das populações americanas nativas que continuaria por um século”), em virtude de a última oração ser coordenada explicativa.
Assinale a alternativa CORRETA:
Provas
Passando a frase “O cientista não só inaugurou o primeiro planetário, como convidou técnicos especializados para trabalhar com ele” para o futuro do pretérito, os verbos em negrito assumem, respectivamente, as seguintes formas:
Provas
Leia o texto a seguir. Para fins de elaboração da questão, ele foi dividido em seis trechos, mas a sua sequência forma um enunciado coerente. Foi retirado e adaptado do livro Raízes do Brasil, de Sergio Buarque de Holanda (Companhia das Letras, 2016, p. 61-62):
I. Pioneiros da conquista do trópico para a civilização, tiveram os portugueses, nessa proeza sua maior missão histórica. Apesar de tudo quanto se possa alegar contra sua obra, forçoso é reconhecer que foram não somente os portadores efetivos como os portadores naturais dessa missão.
II. Nenhum outro povo do Velho Mundo achou-se tão bem armado para se aventurar à exploração regular e intensa das terras próximas à linha equatorial, onde os homens depressa degeneram, segundo o conceito generalizado na era quinhentista.
III. Essa exploração dos trópicos não se processou, em verdade, por um empreendimento metódico e racional, não emanou de uma vontade construtora e enérgica fez-se antes com desleixo e certo abandono.
IV. Dir-se-ia mesmo que se fez apesar de seus autores. E o reconhecimento desse fato não constitui desprezo, à grandeza do esforço português se o julgarmos conforme os critérios morais e políticos nele dominantes, pois encontraremos muitas e sérias falhas.
V. Nenhuma, porém, que leve com justiça à opinião extravagante defendida por um número não pequeno de detratores da ação dos portugueses no Brasil, muitos dos quais optariam, de bom grado, pelo triunfo da colonização holandesa, convictos de que nos teria levado a melhores e mais gloriosos rumos.
VI. No entanto antes de abordar esse tema, é preferível encarar certo aspecto, que parece singularmente instrutivo das determinantes psicologias do movimento de expansão colonial portuguesa pelas terras de nossa América.
Assinale as alternativas que apresentam os trechos CORRETAMENTE pontuados:
Provas
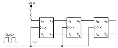
Um registrador de deslocamento de três bits foi implementado utilizando 3 flip-plops (FFs) TTL, conforme a figura a seguir:

Considerando que todos os FFs estão no estágio baixo no início da operação, podemos afirmar que a alternativa que apresenta estado real CORRETO de X2, X1 e X0, após 4 pulsos de Clock, é:
Provas
Assinale a alternativa INCORRETA:
Provas
Um paciente de 25 anos foi atendido em um SPA (Serviço de Pronto Atendimento) com relato de febre elevada, congestão nasal com secreção espessa e amarelada e tosse produtiva. No exame físico do aparelho respiratório, apresentava: FR = 54irpm, Saturação 02 de 96%, murmúrio vesicular diminuído e crepitações grosseiras em base do hemitórax direito; paciente normocorado, acianótico, hidratado e aceitando medicamentos por via oral. Foi realizado teste rápido para Covid-19 com resultado negativo e radiografia de tórax com imagem de condensação em lobo inferior do pulmão direito. Considerando o diagnóstico de pneumonia adquirida na comunidade (PAC), pergunta-se: qual o agente etiológico mais provável e qual tratamento (antibiótico) seria mais indicado?
Provas
A organização dos processos organizacionais na biblioteca universitária, envolve:
Provas
Sobre as boas práticas laboratoriais inerentes ao uso das estufas, assinale a alternativa CORRETA:
Provas
Os Equipamentos de Proteção Individual (EPIs) e os Equipamentos de Proteção Coletiva (EPCs) são essenciais para o bom funcionamento da rotina em um Laboratório de Análises Clínicas. Sobre os EPCs ou EPIs, assinale a alternativa CORRETA:
Provas
Caderno Container