Foram encontradas 50 questões.
- Backup e RecuperaçãoTipos de BackupBackup Completo
- Backup e RecuperaçãoTipos de BackupBackup de Cópia
- Backup e RecuperaçãoTipos de BackupBackup Diferencial
- Backup e RecuperaçãoTipos de BackupBackup Incremental
Backup, também conhecido como Cópia de Segurança, consiste na ação de copiar arquivos como medida de segurança, permitindo sua recuperação em caso de perda. Quanto aos possíveis tipos de backup, pode-se afirmar que:
Provas
Questão presente nas seguintes provas
TEXTO 1
A economia brasileira apresenta relações tecnológicas variadas com o mundo exterior, produto das suas trajetórias históricas de desenvolvimento. A industrialização e o modo que assumiu, com participação relevante de empresas de capital estrangeiro e um interesse modesto das empresas nacionais por esforços tecnológicos próprios, ajudaram a moldar as relações entre o Brasil e os demais países nesse quesito. Por um lado, a internalização de capacidades industriais e a competição entre as empresas apoiaram-se bastante na importação de máquinas e equipamentos, com apoio da assistência técnica dos fornecedores. Por outro lado, as empresas de capital estrangeiro puderam estabelecer uma clara supremacia industrial e tecnológica recorrendo à fonte segura da sua matriz e reproduzindo localmente as suas posições relativas do cenário internacional. Experiências tecnológicas diferenciadas foram entabuladas sobretudo pelas empresas estatais, em diferentes contextos: pesquisa agrícola (Institutos Agronômicos, Embrape), Petrobras, Embraer, Programa Nuclear, Pesquisas Espaciais, Proálcool são exemplos de esforços conduzidos ou patrocinados pelo Estado.
Vistas em retrospectiva, várias das escolhas produziram efeitos que nem sempre foram antecipados. A Petrobras ajudou a construir um setor de bens de capital relevante desde os anos 1950, mas sem projeção internacional digna de maior registro. É possível que essa experiência possa suscitar reflexões sobre a nova onda de investimentos que se avizinha: a mera criação de um setor fornecedor para a Petrobras e o setor de petróleo no Brasil poderá contribuir para criar uma indústria dinâmica e com projeção internacional? (...)
Pelo mesmo caminho das preocupações com a nacionalização da produção (embora o termo mais adequado pudesse ser territorialização ou internalização), a indústria automobilística alcançou um patamar elevado de produção e um certo grau de sofisticação dos processos e dos produtos. Apesar disso, a sua balança comercial não se apresenta hoje tão robusta e – mais grave – continua dependente de uma tarifa externa muito elevada. A base ampliada do comércio regional e a divisão de trabalho com a indústria argentina no âmbito do Mercosul ajudaram a consolidar uma atividade de grande importância e impactos plurais, mas de conteúdo tecnológico ainda muito distante do que seria esperável depois de mais de meio século de produção local por empresas que lideraram por tanto tempo o oligopólio automobilístico mundial, secundadas por entrantes mais recentes. Indícios recentes parecem apontar para um reforço das equipes locais de engenharia das empresas estabelecidas, mas o termo "pesquisa" do trinômio PD&I está ainda longe de ter uma expressão mais significativa. Isso será tão mais importante quando se considerar que a indústria automobilística parece estar no advento de uma transição motivada pela energia. Embora tenha contribuído durante muito tempo para substituir importações, o setor não parece preparado para participar de modo ativo do duplo esforço que se avizinha – combater o avanço muito agressivo da indústria chinesa e indiana e construir uma posição sólida na nova indústria automobilística em gestação.
Por um caminho inteiramente distinto, sem preocupações tão estritas com relação ao conteúdo nacional da produção, partindo mais do elemento intangível do que da produção material, o setor aeronáutico alcançou uma projeção internacional a partir de um prolongado esforço de capacitação. É impossível afirmar que a exportação de aviões é o principal resultado daquele esforço de capacitação tecnológica iniciado há tanto tempo. Sucessivas gerações de engenheiros, com sólida formação científica e tecnológica, preocupados com as trajetórias de desenvolvimento da indústria e com a tecnologia, são um coproduto de importância incomensurável.
Uma das lições que a perspectiva adotada neste ensaio propicia consiste em considerar de modo mais efetivo o tempo e os seus efeitos. Investimentos tecnológicos são, por sua natureza, mais difíceis de construir do que investimentos em capacidades de produção, mormente quando os elementos tangíveis dos processos e produtos estabelecidos estão disponíveis. Demorou muito mais tempo para construir uma indústria aeronáutica do que a automobilística, mas uma e outra possuem trajetórias muito distintas. Esta baseou-se na importação de máquinas, equipamentos, tecnologias, projetos e know-how e aquela na construção dos elementos de conhecimento e só progressivamente nas suas derivações tangíveis.
FURTADO, João. As relações tecnológicas do Brasil com o mundo exterior: passado, presente e perspectivas. Rev. USP nº. 89. São Paulo mar./maio 2011.
Conforme o texto, a respeito da configuração da indústria automobilística brasileira, é correto afirmar que:
Provas
Questão presente nas seguintes provas
Um equipamento comandado por controle remoto infravermelho para de responder aos comandos. Analisando o problema foi constatado que o defeito era no circuito de recepção infravermelho do equipamento (figura abaixo). Você concluiu que o fototransistor XYZ363 estava "queimado". Foi então utilizado, para substituir o componente danificado, o fototransistor ABC747, o único encontrado no comércio local. Agora, porém, o equipamento só responde aos comandos remotos quando estes são gerados a uma distância que corresponde à metade da anterior. Uma solução viável para fazer com que o equipamento volte a funcionar como antes consiste em:

Provas
Questão presente nas seguintes provas
Considerando ser ideal o amplificador operacional no circuito a seguir, determine quanto vale o ganho de modo comum do amplificador de diferenças mostrado. Sugestão: defina a tensão de modo comum como vcm = (va+vb)/2 e a tensão de modo diferencial como vdm = vb-va.

Provas
Questão presente nas seguintes provas
No circuito do conversor digital-analógico da figura a seguir, S1, S2 e S3 representam chaves que permitem alternar o contato do resistores com tensão nula e com tensão de +5V. Considerando amplificador operacional ideal, quanto vale a tensão de fundo de escala do conversor?

Provas
Questão presente nas seguintes provas
As formas de ondas dos sinais nos pontos Va e Vb do circuito abaixo são respectivamente:

Provas
Questão presente nas seguintes provas
No que diz respeito ao Protocolo de Iniciação de Sessão (Session Initiation Protocol - SIP), podemos afirmar que:
Provas
Questão presente nas seguintes provas
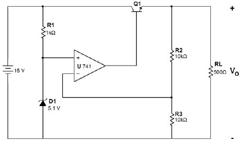
No circuito abaixo o valor estimado para a tensão (Vo) na carga RL é de:

Provas
Questão presente nas seguintes provas
Seja um sinal de tensão v(t) na entrada de um circuito de aquisição de dados, dado por v(t) = sen(104πt) + sen(106πt) mV, o qual deve ser posteriormente reconstruído e apresentado numa tela. Quanto deve ser a menor taxa de aquisição do referido sinal para evitar o fenômeno de aliasing?
Provas
Questão presente nas seguintes provas
O circuito abaixo é excitado com os sinais Vs1 e Vs2. Sob estas condições o sinal observado na saída (Vo) corresponde a:

Provas
Questão presente nas seguintes provas
Cadernos
Caderno Container