Foram encontradas 295 questões.
Uma fábrica de produção em larga escala depende de um conjunto crítico de bombas centrífugas para o funcionamento eficiente de seus processos industriais. A empresa está implementando um programa de manutenção preditiva avançada para monitorar essas bombas. O conjunto apropriado de técnicas de monitoramento e de sensores que garantem a detecção precoce de problemas nas bombas orienta:
Provas
Observe a figura a seguir.

Disponível em: https://infosolda.com.br/descontinuidades-na-soldagem/ Acesso em: 08 de out 2023. [Adaptado].
No processo de soldagem podem ocorrer várias descontinuidades que afetam a integridade da junta soldada, como ilustra a figura, ao retratar exemplos inadequados de perfis de solda por filete em ângulos de 90°. Quais são, respectivamente, os nomes dos tipos de descontinuidades estruturais dos perfis de solda das Figuras 1 a 6?
Provas
Qual tipo de corrosão, segundo sua morfologia, é caracterizado por uma rápida deterioração localizada da superfície metálica, em forma de pequenas cavidades que apresentam o fundo em forma angulosa e profundidade maior que seu diâmetro?
Provas
Observe o gráfico a seguir:

SOUZA, S. A. Ensaios mecânicos de materiais metálicos (1982). [Adaptado].
Durante um ensaio de tração realizado em um material metálico, foi obtido o gráfico de tensão-deformação representado na imagem. Utilizando o método Johnson, foi possível determinar uma das propriedades mecânicas essenciais desse material. A propriedade mecânica identificada por meio do método Johnson foi
Provas
Em metalografia, quais são os objetivos ao observar uma amostra com o uso de lentes de pequena ampliação em um ensaio de macrografia?
Provas
Os ensaios mecânicos são usados para determinar as propriedades mecânicas de materiais, e podem ser divididos em ensaios destrutivos e não destrutivos. Um exemplo de ensaio destrutivo consiste em avaliar a deformação plástica que ocorre num material sob tensão e temperatura constante em função do tempo. Um exemplo de ensaio não destrutivo utiliza o princípio da capilaridade para detectar descontinuidades abertas na superfície. Quais são esses ensaios respectivamente?
Provas
O recozimento para alívio de tensões em materiais metálicos tem o objetivo de eliminar tensões residuais provenientes de outros processos. Este procedimento é um tipo de tratamento
Provas
Em uma instalação elétrica industrial, a potência aparente (S) é medida em quilovolt-ampere (kVA) e a potência ativa (P) é medida em quilowatts (kW). Qual é a relação matemática entre a potência ativa (P), a potência aparente (S) e o fator de potência (FP) em uma instalação elétrica?
Provas
Observe a figura a seguir.

Disponível em:
<https://desenhobasicouff.weebly.com/representaccedilotildees.html> Acesso:
05 out. 2023.
Essa figura representa uma projeção ortográfica, usada para representar graficamente objetos tridimensionais em superfícies planas, de modo a transmitir suas características com precisão e demonstrar sua grandeza. Nesse caso, a projeção ortográfica no primeiro diedro é utilizada para representar uma peça tridimensional. A denominação das vistas ortogonais indicadas nas Figuras 1 a 6, são, respectivamente:
Provas
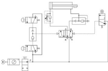
Observe a figura a seguir.

FIALHO, A. B. Automação Pneumática: Projetos, Dimensionamento e Análise de Circuitos. 7ª ed. São Paulo: Érica, 2011.
Trata-se de um diagrama pneumático, uma representação visual que descreve o funcionamento de um sistema pneumático. Sua função é exemplificar a interconexão dos componentes pneumáticos e o fluxo de ar comprimido, a fim de realizar tarefas específicas. No diagrama apresentado nessa figura, o circuito pneumático possui acionamento
Provas
Caderno Container