Foram encontradas 295 questões.
Duas esferas idênticas são suspensas por fios de comprimento c, os pontos de fixação dos fios distam por 2c. Os fios são isolantes, inextensíveis e de massas desprezíveis. Primeiramente essas esferas são carregadas com carga q1 de mesmo sinal, fazendo com que o ângulo do fio com a vertical seja de 30°. As esferas são descarregadas e então carregadas com cargas q2 de sinais opostos. Com as novas cargas, os fios fizeram novamente um ângulo de 30º com a vertical. De acordo com essas informações, o módulo da razão q1/q2 é de
Provas
Dois fios do mesmo material possuem o mesmo comprimento. O fio 2 possui o dobro do diâmetro do fio 1. Nesse caso, o fio 2 possui
Provas
Observe a figura a seguir.

Da leitura dos dados apresentados, qual é a leitura do amperímetro do circuito?
Provas
Um chuveiro elétrico possui como especificações 4400 W e 220 V. Neste caso, a resistência interna em Ω desse chuveiro é de
Provas
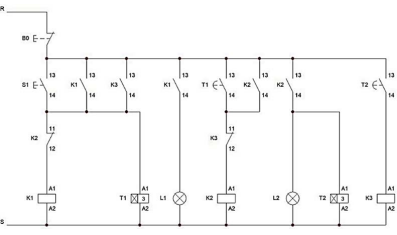
No circuito de comando ilustrado a seguir, são acionadas lâmpadas, denominadas L1 e L2.

Baseando-se nos dados apresentados, ao acionar o botão S1,
Provas
Observe o circuito simples apresentado na figura a seguir, na qual encontra-se um gerador de tensão alternada do tipo ε=εm sen(ωt)

Nesse caso, a corrente pode ser descrita como i=I sen(ωtφ), onde φ é
Provas
Observe a figura a seguir. Ela apresenta o circuito A-B que possui gerador ε de 40V, com resistência interna de 4 Ω e que alimenta o circuito com uma corrente i de 4 A.

De acordo com o exposto, a resistência equivalente em Ω do circuito é
Provas
Dois planos equipotenciais A e B estão a 5 m de distância de um campo elétrico uniforme de intensidade E = 5 V/m. Se o potencial em A é de 100 V, o potencial em B é de
Provas
Estuda-se a realocação de um motor trifásico síncrono de 4 polos utilizado no Brasil, onde a frequência da rede elétrica é de 60 Hz, para a Argentina, onde a frequência é de 50 Hz. Em ambas as operações, o escoramento do motor é de 5%. A diferença em rpm da velocidade nominal resultante da mudança de frequência é de
Provas
Utilizando os postulados e as propriedades da álgebra booleana, a melhor simplificação para a expressão !$ S !$ = !$ A !$ ∙ !$ B !$ ∙ !$ C !$ +A!$ \overline{C} !$ + A!$ \overline{B} !$ é:
Provas
Caderno Container