Foram encontradas 50 questões.
Os elementos de máquinas são componentes essenciais para a transmissão de movimento, controle de forças
e eficiência operacional. Dentre esses elementos, as engrenagens, correias e molas têm funções específicas
e desempenham papéis fundamentais em diversas aplicações. Analise as afirmações abaixo sobre esses
elementos:
I - Engrenagens são componentes cilíndricos, cônicos ou retos, com dentes internos ou externos, usados para transmitir movimento sem deslizamento, aumentar forças e gerar trabalho, desempenhando papel fundamental na transferência eficiente de potência em sistemas mecânicos.
II - Considerando a transmissão de movimento com a utilização de correias, é correto afirmar que é mantida a mesma velocidade angular entre as polias.
III - Molas são elementos de máquinas, que se caracterizam por apresentarem grandes deformações, sem que o material ultrapasse o limite elástico. Exemplos incluem molas helicoidais, molas prato, molas de lâminas e molas de torção, cada uma com aplicação específica.
A partir das afirmações acima, é CORRETO o que se afirma em:
I - Engrenagens são componentes cilíndricos, cônicos ou retos, com dentes internos ou externos, usados para transmitir movimento sem deslizamento, aumentar forças e gerar trabalho, desempenhando papel fundamental na transferência eficiente de potência em sistemas mecânicos.
II - Considerando a transmissão de movimento com a utilização de correias, é correto afirmar que é mantida a mesma velocidade angular entre as polias.
III - Molas são elementos de máquinas, que se caracterizam por apresentarem grandes deformações, sem que o material ultrapasse o limite elástico. Exemplos incluem molas helicoidais, molas prato, molas de lâminas e molas de torção, cada uma com aplicação específica.
A partir das afirmações acima, é CORRETO o que se afirma em:
Provas
Questão presente nas seguintes provas
Considerando as normas técnicas aplicáveis ao desenho técnico, avalie as proposições abaixo, levando em
conta os requisitos de padronização, simbologia e representações gráficas utilizadas para garantir a clareza
e precisão na comunicação dos projetos e instalações elétricas:
I - A Norma ABNT NBR 5444 - Símbolos gráficos para instalações elétricas prediais, foi cancelada sem uma substituição direta por uma nova norma, o que retira sua obrigatoriedade para projetos elétricos. No entanto, ainda é muito empregada para referências de simbologias na área de elétrica, assim como a norma internacional IEC 60617 - Símbolos Gráficos para Diagramas. Considerando estas normas para desenho técnico, os símbolos padrão abaixo representam respectivamente: 1 – Fusível; 2 – Transformador de corrente; 3 – transformador de potência.
II - De acordo com as normas aplicadas a desenho técnico ABNT NBR 16861 - Desenho técnico — Requisitos para representação de linhas e escrita, uma linha tracejada larga tem como aplicação geral a representação de linhas de centro, linhas de simetrias ou trajetórias.
III - Nos desenhos técnicos de esquemas elétricos, a padronização dos símbolos gráficos assegura clareza e uniformidade. Os símbolos apresentados representam, respectivamente, 1 – o condutor neutro (N); 2 – o condutor de proteção (PE); e 3 – condutor combinando as funções de neutro e condutor de proteção (PEN).
A partir das afirmações acima, é CORRETO o que se afirma em:
I - A Norma ABNT NBR 5444 - Símbolos gráficos para instalações elétricas prediais, foi cancelada sem uma substituição direta por uma nova norma, o que retira sua obrigatoriedade para projetos elétricos. No entanto, ainda é muito empregada para referências de simbologias na área de elétrica, assim como a norma internacional IEC 60617 - Símbolos Gráficos para Diagramas. Considerando estas normas para desenho técnico, os símbolos padrão abaixo representam respectivamente: 1 – Fusível; 2 – Transformador de corrente; 3 – transformador de potência.
II - De acordo com as normas aplicadas a desenho técnico ABNT NBR 16861 - Desenho técnico — Requisitos para representação de linhas e escrita, uma linha tracejada larga tem como aplicação geral a representação de linhas de centro, linhas de simetrias ou trajetórias.
III - Nos desenhos técnicos de esquemas elétricos, a padronização dos símbolos gráficos assegura clareza e uniformidade. Os símbolos apresentados representam, respectivamente, 1 – o condutor neutro (N); 2 – o condutor de proteção (PE); e 3 – condutor combinando as funções de neutro e condutor de proteção (PEN).
A partir das afirmações acima, é CORRETO o que se afirma em:
Provas
Questão presente nas seguintes provas
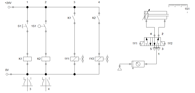
Em sistemas eletropneumáticos, o controle de movimentos lineares é amplamente utilizado para aplicações
que requerem precisão e repetitividade. O circuito a seguir foi desenvolvido no software FluidSIM para
simulação e análise de um sistema composto por diversos elementos que controlam o avanço e o retorno de
um cilindro pneumático de dupla ação.
Os componentes principais incluem: um compressor, responsável pelo fornecimento de ar comprimido; um conjunto FRL (filtro, regulador e lubrificador), que assegura a qualidade do ar comprimido; uma válvula direcional 5/2 vias acionada por solenóides (1Y1 e 1Y2), controlando o fluxo de ar para o cilindro; um cilindro de dupla ação, que executa movimentos lineares; e um sensor de posição (1S1), utilizado para detecção e controle do fim de curso do cilindro.
Com base na análise do circuito apresentado, é CORRETO afirmar que:
I - Comando eletropneumático indireto de um cilindro de dupla ação. Avanço com comando de botão tipo pulso (S1), retornando quando o pistão chegar ao final do curso acionando a chave 1S1.
II - O avanço do cilindro ocorre automaticamente após o acionamento da válvula, sem necessidade de intervenção manual.
III - A válvula 5/2 é acionada manualmente por meio de uma alavanca e retorna automaticamente através de uma mola integrada no sistema.
A partir das afirmações acima, é CORRETO o que se afirma em:
Os componentes principais incluem: um compressor, responsável pelo fornecimento de ar comprimido; um conjunto FRL (filtro, regulador e lubrificador), que assegura a qualidade do ar comprimido; uma válvula direcional 5/2 vias acionada por solenóides (1Y1 e 1Y2), controlando o fluxo de ar para o cilindro; um cilindro de dupla ação, que executa movimentos lineares; e um sensor de posição (1S1), utilizado para detecção e controle do fim de curso do cilindro.
Com base na análise do circuito apresentado, é CORRETO afirmar que:
I - Comando eletropneumático indireto de um cilindro de dupla ação. Avanço com comando de botão tipo pulso (S1), retornando quando o pistão chegar ao final do curso acionando a chave 1S1.
II - O avanço do cilindro ocorre automaticamente após o acionamento da válvula, sem necessidade de intervenção manual.
III - A válvula 5/2 é acionada manualmente por meio de uma alavanca e retorna automaticamente através de uma mola integrada no sistema.
A partir das afirmações acima, é CORRETO o que se afirma em:
Provas
Questão presente nas seguintes provas
Analise as seguintes afirmações relacionadas a sistemas de refrigeração e ao uso de dispositivos de controle
térmico:
I - O BTU representa uma unidade de medida para calcular a quantidade de calor transferida.
II - A transmissão de calor através de uma parede não depende da espessura ou dos materiais utilizados em sua construção.
III - O uso de dispositivos de controle como termostatos e pressostatos pode acelerar o desgaste dos equipamentos e é recomendado apenas para controle rigoroso de temperatura.
A partir das afirmações acima, é CORRETO o que se afirma em:
I - O BTU representa uma unidade de medida para calcular a quantidade de calor transferida.
II - A transmissão de calor através de uma parede não depende da espessura ou dos materiais utilizados em sua construção.
III - O uso de dispositivos de controle como termostatos e pressostatos pode acelerar o desgaste dos equipamentos e é recomendado apenas para controle rigoroso de temperatura.
A partir das afirmações acima, é CORRETO o que se afirma em:
Provas
Questão presente nas seguintes provas
- Acionamentos Eletrônicos
- Automação e Controle em Eletrônica
- CLP (Controlador Lógico Programável)
- Microcontroladores na Automação e Controle em Eletrônica
Os sistemas eletro-hidráulicos são amplamente utilizados em processos industriais que exigem controle
preciso de movimentos lineares. Esses sistemas utilizam cilindros hidráulicos acionados por comandos
elétricos, permitindo uma sequência coordenada de ações. A movimentação dos cilindros é definida por um
diagrama de trajeto-passo, conforme apresentado abaixo, que descreve a ordem de ativação dos cilindros ao
longo de um ciclo de operação. Esse comportamento pode ser traduzido em uma representação algébrica,
que relaciona as posições e ações dos cilindros no sistema.
Com base no diagrama de trajetória-passo apresentado, avalie a sequência de movimentação dos cilindros A, B, C e D e selecione a alternativa correta que melhor representa a sua expressão algébrica.
A partir das afirmações apresentadas, selecione a alternativa CORRETA:
Com base no diagrama de trajetória-passo apresentado, avalie a sequência de movimentação dos cilindros A, B, C e D e selecione a alternativa correta que melhor representa a sua expressão algébrica.
A partir das afirmações apresentadas, selecione a alternativa CORRETA:
Provas
Questão presente nas seguintes provas
No contexto de automação industrial e controle de processos, a identificação correta dos instrumentos é
essencial para garantir a operação eficiente e segura dos sistemas, bem como a atuação das equipes de
manutenção e operação. De acordo com normas brasileiras e internacionais, como a ISA 5.1, os instrumentos
são identificados por códigos alfanuméricos que indicam sua função e características na malha de controle.
Em uma caldeira, um instrumento identificado pelo código TIC está presente em uma malha específica. Considerando a padronização dos códigos de instrumentação, qual das alternativas a seguir melhor descreve a função deste instrumento?
Selecione a alternativa CORRETA:
Em uma caldeira, um instrumento identificado pelo código TIC está presente em uma malha específica. Considerando a padronização dos códigos de instrumentação, qual das alternativas a seguir melhor descreve a função deste instrumento?
Selecione a alternativa CORRETA:
Provas
Questão presente nas seguintes provas
Osciloscópios são instrumentos essenciais para a análise de sinais elétricos, permitindo medir parâmetros
como amplitude e frequência de sinais periódicos. Durante o teste de um equipamento eletrônico, o sinal de
tensão entre um par de terminais foi observado no osciloscópio e apresenta um formato senoidal, conforme
a imagem fornecida.
O equipamento está configurado com uma escala de amplitude de 5 V/Div e uma escala de tempo de 20 ms/Div. Com base nas informações fornecidas, e na análise do sinal exibido, determine o valor da tensão pico a pico do sinal fornecido pela fonte e calcule a frequência aproximada do sinal.
Assinale a alternativa CORRETA:
O equipamento está configurado com uma escala de amplitude de 5 V/Div e uma escala de tempo de 20 ms/Div. Com base nas informações fornecidas, e na análise do sinal exibido, determine o valor da tensão pico a pico do sinal fornecido pela fonte e calcule a frequência aproximada do sinal.
Assinale a alternativa CORRETA:
Provas
Questão presente nas seguintes provas
Medições elétricas são atividades fundamentais na manutenção e inspeção de sistemas elétricos,
especialmente em trabalhos realizados em campo, onde as condições de medição podem impactar
diretamente a precisão dos resultados. Durante uma inspeção técnica de rotina, um técnico foi designado
para avaliar o comportamento elétrico de um circuito específico, utilizando um multímetro digital na função de
voltímetro.
O circuito em análise, representado na figura abaixo, é alimentado por uma fonte de tensão de 120 V e possui duas resistências em série, com valores de R1 = 5 MΩ e R2 = 10 MΩ. O multímetro digital utilizado na medição tem uma impedância interna de 10 MΩ.
Com base nas características do circuito, da fonte de alimentação e do multímetro utilizado, determine o valor da tensão que será indicado pelo instrumento durante a medição em campo.
Assinale a alternativa CORRETA:
O circuito em análise, representado na figura abaixo, é alimentado por uma fonte de tensão de 120 V e possui duas resistências em série, com valores de R1 = 5 MΩ e R2 = 10 MΩ. O multímetro digital utilizado na medição tem uma impedância interna de 10 MΩ.
Com base nas características do circuito, da fonte de alimentação e do multímetro utilizado, determine o valor da tensão que será indicado pelo instrumento durante a medição em campo.
Assinale a alternativa CORRETA:
Provas
Questão presente nas seguintes provas
No campo da instrumentação industrial, a transmissão de sinais é um aspecto crítico para o monitoramento e
controle eficaz de processos. Muitos instrumentos utilizam sinais de transmissão que não começam do zero,
como 4-20 mA, 1-5 V e 3-15 psi, garantindo maior confiabilidade operacional e precisão nas medições.
Considerando a importância desses sinais para a detecção de anomalias e o desempenho dos sistemas, qual
é o principal motivo técnico que leva os fabricantes a adotarem sinais com valores mínimos acima de zero?
Assinale a alternativa CORRETA:
Assinale a alternativa CORRETA:
Provas
Questão presente nas seguintes provas
No contexto da instrumentação industrial, a medição precisa de variáveis como temperatura é fundamental
para o controle e a segurança dos processos. Instrumentos utilizados para esse fim possuem faixas de
operação definidas e limites de exatidão que devem ser considerados para a interpretação correta dos
resultados. Em uma planta industrial, um instrumento de medição de temperatura opera com um range de -
70°C a 230°C e uma exatidão relativa de 1% do seu span. Durante uma medição, o equipamento registra
uma temperatura de 150°C. Com base nesses parâmetros, assinale a alternativa que determina o intervalo
em que o valor real da temperatura se encontra, considerando o erro máximo permitido pelo instrumento:
Provas
Questão presente nas seguintes provas
Cadernos
Caderno Container