Foram encontradas 160 questões.
Leia as afirmações seguintes:
I. A cavitação pode ocorrer em qualquer máquina trabalhando com líquido, sempre que a pressão estática local cair abaixo da pressão de vapor do líquido.
II. Quando a cavitação começa, ela aumenta rapidamente o desempenho da bomba ou da turbina.
III. A cavitação provoca pressões superficiais que podem tornar-se localmente elevadas, quando as cavidades de vapor implodem causando desgaste superficial ou danos em paredes metálicas por erosão.
IV. Numa bomba, a cavitação tende a começar na seção onde o escoamento é desacelerado para dentro do impulsor.
V. A cavitação em uma turbina começa onde a pressão é mais baixa.
Marque a alternativa com a sequência correta de V (verdadeiro) e F (falso).
Provas
Provas
Provas
Provas
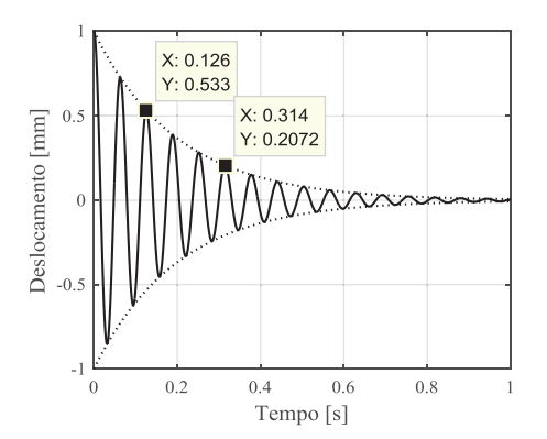
Considere a realização de um ensaio em vibração livre num sistema mecânico com um grau de liberdade que tem massa de 1 kg e rigidez de 10 kN/m. A resposta em deslocamento no domínio do tempo é apresentada na fi gura, a seguir. Sabendo que o logaritmo neperiano da razão entre as amplitudes 5 e 6 é 0,314 (x6 = 0,2072 mm; x5 = 0,284 mm). Considerando π = 3,14, marque a alternativa correta para a frequência natural do sistema, a constante de amortecimento e o fator de amortecimento.

Resposta ao deslocamento em vibração livre sistema 1GDL
Provas

Provas
Analise os ciclos térmicos a seguir, e marque a alternativa correta.

Provas
Um operador aplica uma força verti cal ao pedal ilustrado na figura A, de forma que a mola, com rigidez de 10 kN/m, seja esticada de 35 mm e a força na articulação em B seja de 150N. Marque a alternativa correta com o diagrama de corpo livre e de valores das forças.


Provas
Provas
Provas
Caderno Container