Foram encontradas 50 questões.
Quando um servidor público federal ativo deve certa quantia ao Erário, nos termos da Lei nº 8.112/90, a pedido do servidor, o pagamento pode ser feito de forma parcelada, e cada parcela
Provas
Para investidura em cargo público, são requisitos básicos expressamente listados na Lei nº 8.112/90:
Provas

Deseja-se dimensionar o circuito de alimentação para um motor de indução trifásico de 60 CV, cos φ = 0,86 e rendimento = 0,91 a partir de uma rede trifásica de 380 V, baseando -se nos seguintes elementos:
- Critério de proteção contra correntes de sobrecarga;
- Tabela 1 (Capacidade de Condução de Corrente de Condutores);
- Tabela 2 (Correntes Nominais de Disjuntores Tripolares) e
- Tabela 3 (Ocupação Máxima de Eletrodutos de PVC).
A seção nominal dos condutores, a corrente nominal do disjuntor tripolar e o tamanho nominal do eletroduto de PVC adotados para o circuito de alimentação desse motor são, respectivamente,
!$ Considere\ \sqrt{3}=1,73 !$
Provas
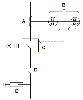
- Instalações ElétricasSubestaçõesCustos, diagramas unifilares básicos, tipos de barramentos, sistemas auxiliares

A Figura ao lado apresenta parte do diagrama unifilar de uma subestação.
Conforme os elementos dessa Figura, é correto afirmar que

Provas
- Transformadores e Máquinas ElétricasMáquinas EstáticasTransformadores Trifásicos e Autotransformadores

Um transformador de 20 kVA, 2.400/240 V é ligado como um autotransformador, conforme mostra a Figura a seguir.

De acordo com os dados dessa Figura, os valores nominais de Ia, Ib e Ic são, respectivamente,
Provas

O quadro a seguir apresenta os procedimentos realizados na desenergização de instalações elétricas.
I | Proteção dos elementos energizados existentes na zona controlada. |
II | Impedimento de reenergização. |
III | Instalação da sinalização de impedimento de reenergização. |
IV | Seccionamento. |
V | Instalação de aterramento temporário com equipotencialização dos condutores dos circuitos. |
VI | Constatação da ausência de tensão. |
De acordo com a NR 10 – Segurança em Instalações e Serviços em Eletricidade, somente serão consideradas desenergizadas as instalações elétricas liberadas para trabalho, mediante os procedimentos apropriados relacionados acima e obedecida a sequência
Provas

Em uma residência, estão instalados os equipamentos relacionados no quadro a seguir, o qual apresenta também suas potências e os tempos diários de utilização.
EQUIPAMENTO | POTÊNCIA (W) | TEMPO DIÁRIO DE UTILIZAÇÃO (h) |
Chuveiro elétrico | 3.200 | 1 |
Computador | 400 | 6 |
Condicionador de ar de 21.000 BTU/h | 2.800 | 6 |
Geladeira | 420 | 12 |
Iluminação | 1.000 | 6 |
Televisor | 250 | 8 |
Para essa residência, o consumo mensal (30 dias) de energia elétrica (em kWh) e seu valor (em R$) serão, respectivamente,
Considere a tarifa de energia elétrica igual a R$ 0,38/kWh.
Provas

O conhecimento dos potenciais na superfície do solo em sistemas de aterramento é importante para garantir a segurança dos usuários em subestações. A Figura a seguir apresenta um método para a medição desses potenciais.

Nessa Figura, a resistência de 1.000 Ω simula a resistência do corpo humano. De acordo com essas informações, esse método tem como objetivo a determinação da tensão de
Provas

Considere as seguintes afirmativas relacionadas à iluminação.
I | Luminância tem como unidade a candela. |
II | O método das cavidades zonais baseia-se na teoria da transferência do fluxo luminoso. |
III | A lâmpada a vapor de sódio à alta pressão apresenta um espectro visível contínuo. |
IV | As curvas de distribuição luminosa são apresentadas sempre em lux por 500 lumens. |
Dentre as afirmativas, estão corretas apenas
Provas

Um transformador de 30 kVA, 2.000/200 V, quando ensaiado em circuito aberto (CA) e em curto-circuito (CC), forneceu os valores a seguir:
CA | VCA = ? | ICA = 3 A | PCA = 140 W |
CC | VCC = 80 V | ICC = ? | PCC = 230 W |
Quando o transformador trabalhar com um fator de potência igual a 0,82 em atraso, os valores de VCA, ICC e rendimento percentual à plena carga serão, respectivamente,
Provas
Caderno Container