Foram encontradas 50 questões.
- Sistemas TermomecânicosMotores de Combustão Interna
- TermodinâmicaLeis e Propriedades da Termodinâmica
- TermodinâmicaTransferência de Calor (Condução, Convecção e Radiação)
O ciclo de Carnot (transformações termodinâmicas 1-2-3-4) no diagrama temperatura versus entropia está representado na figura a seguir.

Considerando os conceitos de termodinâmica e máquina térmica de Carnot, analise as afirmações a seguir.
I | O título de vapor nos pontos 3 e 2 são, respectivamente, 0 % e 100 %; |
II | A transformação isentrópica do trecho 3-4 se dá a temperatura constante; |
III | A evaporação do fluído de trabalho acontece no trecho 4-1, enquanto sua condensação no trecho 2-3 |
IV | No ponto 4 o fluído é considerado líquido saturado, enquanto que no ponto 1 ele está vapor saturado. |
Das afirmações, estão corretas as
Provas
O Ciclo de Carnot é executado pela máquina de Carnot, idealizada pelo engenheiro francês Sadi Carnot. Ele tem seu funcionamento entre duas transformações isotérmicas e duas adiabáticas alternadamente.
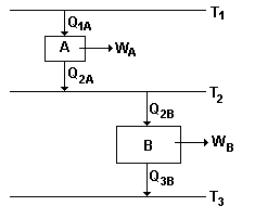
O esquema a seguir apresenta as máquinas A e B, que funcionam de acordo com o ciclo de Carnot.

Considerando-se que T3=300 K, T1=480 K, Q2B=2000 Kcal, Q3B=1500 Kcal, o rendimento da máquina A é
Provas
- Sistemas MecânicosProcessos de Fabricação
- Sistemas MecânicosMetrologia (Princípios da Cotagem, Tolerâncias, Folgas e Ajustes)
Leia as afirmações a seguir referentes à ajustagem manual.
I | As limas bastardas destinam-se ao desbaste de material em excesso, enquanto as murças destinam-se ao acabamento da peça trabalhada. |
II | As limas para madeira são usualmente chamadas de grosas. |
III | As serras manuais, para serem usadas com arco de serra, com mais alta densidade de dentes por polegada, são utilizadas para corte de materiais mais moles. |
IV | Os machos são utilizados para rosqueamento manual externo, enquanto os cossinetes, para rosqueamento manual interno. |
Das afirmações, estão corretas
Provas
A metrologia é a ciência das medições, abrangendo todos os aspectos teóricos e práticos que asseguram a confiabilidade exigida no processo produtivo. Ela garante a qualidade de produtos e serviços através da calibração de instrumentos de medição, sejam eles analógicos ou digitais. Leia as afirmações a seguir relativas a essa ciência.
I | Gama de medição é uma característica metrológica apenas dos paquímetros e micrômetros |
II | Exatidão de uma medição está relacionada ao grau de concordância entre um valor medido e um valor verdadeiro de um mensurando. |
III | O goniômetro é um instrumento de medida ou de verificação de medidas angulares, o qual não possui resolução. |
IV | Erro sistemático é a média que resultaria de um infinito número de medições feitas por um mesmo medidor, efetuadas sob condições de repetitividade. |
Das afirmações, estão corretas
Provas
O princípio de funcionamento do micrômetro assemelha-se ao de um sistema parafuso e porca, sendo apresentado pela primeira vez por Jean Louis Palmer, engenheiro francês. Analise a figura a seguir.

As leituras verificadas nos micrômetros (a) e (b) da figura, medidas através de suas bainhas e tambores, são, respectivamente,
Provas
O paquímetro é um instrumento usado para medir dimensões lineares internas, externas e de profundidade de uma peça. Esses instrumentos consistem de escalas fixas e móveis possuindo características como gama de medição, resolução, precisão e exatidão. Na figura ao lado, está apresentado, de modo amplificado, parte da escala fixa (em mm) e a escala móvel.
A resolução do paquímetro ilustrado na figura ao lado é

Provas
O aparelho divisor universal utilizado nos processos de usinagem por fresagem permite fazer divisões direta, indireta e diferencial. Os procedimentos para fresar com o aparelho divisor universal são os mesmos utilizados para qualquer operação de fresagem.
A quantidade de furos que devem ser deslocados para fazer cada uma das faces de um sextavado de uma peça, utilizando-se um disco de 18 furos em um aparelho divisor que tenha relação de transmissão 1:40, é
Provas
Velocidade de corte é o espaço que a ferramenta percorre quando um material é cortado, dentro de um determinado tempo. Esse parâmetro depende de uma série de fatores, como material da ferramenta, material a ser usinado, operação a ser realizada, condições da refrigeração, condições da máquina etc.
A rotação em RPM que um técnico em mecânica deve utilizar para desbastar um tarugo de alumínio com 50 mm de diâmetro com uma velocidade de corte de 125 m/min é
Provas
O torneamento cônico externo e interno difere do torneamento paralelo apenas pela posição da peça ou direção do curso da ferramenta. Nessa operação, a ferramenta desloca-se obliquamente ao eixo da peça pela inclinação dada no carro superior do torno mecânico convencional. Analise o desenho 2D reproduzido a seguir.

Nesse desenho 2D mostrado anteriormente, o ângulo que deve ser dado no carro superior do torno mecânico para execução desse tronco cônico é calculado pela relação
Provas
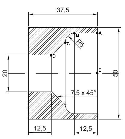
O desenho mecânico em 2D é uma ferramenta importante para auxiliar na programação manual de algum processo de usinagem controlado por um Comando Numérico Computadorizado. Analise o desenho mecânico ao lado.

Se uma máquina CNC disponível possui torre traseira e o zero-peça está situado no ponto E, os blocos de programação que devem ser empregados para usinagem dos trechos A-B, B-C e C-D são, respectivamente,
Provas
Caderno Container