Foram encontradas 310 questões.
Analise a figura a seguir

[Fonte: http://www.rogersystems.com/]
A figura representa um conector de vídeo do tipo
Provas
Disciplina: TI - Organização e Arquitetura dos Computadores
Banca: UFRN
Orgão: UFERSA
Os discos rígidos são dispositivos utilizados pelos computadores para armazenamento de arquivos digitais. Os mais comuns utilizam discos finos chamados pratos (platters) que são revestidos por um material magnético, no qual as informações são lidas/escritas por componentes chamados cabeças (heads). Estas são responsáveis pelo manuseio da informação armazenada. Em um disco rígido com 30 pratos, tem-se um total de
Provas
Disciplina: TI - Organização e Arquitetura dos Computadores
Banca: UFRN
Orgão: UFERSA
Uma memória cache associativa por conjunto – contendo 2 conjuntos e 256 linhas, cada linha possuindo 16 bytes – tem capacidade de armazenamento de
Provas
Disciplina: TI - Organização e Arquitetura dos Computadores
Banca: UFRN
Orgão: UFERSA
Uma memória cache segue uma política de substituição de linhas em que um dado, ao ser comandado pelo processador para escrita na hierarquia de memórias, ocorrendo um acerto (hit), é gravado tanto na cache como na memória principal. Essa política é a
Provas
Disciplina: TI - Organização e Arquitetura dos Computadores
Banca: UFRN
Orgão: UFERSA
Numa hierarquia de memórias, usa-se costumeiramente uma memória cache que tem uma ‘velocidade’ maior que a memória principal. O custo de armazenamento por byte, porém, é mais alto. Em comparação com uma memória principal, a capacidade de armazenamento de uma memória cache é
Provas
Disciplina: TI - Organização e Arquitetura dos Computadores
Banca: UFRN
Orgão: UFERSA
O arranjo da via de dados que explora o paralelismo de instruções em um fluxo sequencial, que é completamente invisível ao programador, mas melhora o desempenho final da execução de um código é o
Provas
Disciplina: TI - Organização e Arquitetura dos Computadores
Banca: UFRN
Orgão: UFERSA
Numa via de dados, o bloco lógico que controla a geração de sinais os quais identificam as operações a serem realizadas na Unidade Lógica e Aritmética e os registradores envolvidos nessas operações, denomina-se
Provas
Disciplina: TI - Organização e Arquitetura dos Computadores
Banca: UFRN
Orgão: UFERSA
Observe o mapa de Karnought a seguir.
|
|
00 | 01 | 11 | 10 |
| 00 | ||||
| 01 | 1 | 1 | 1 | 1 |
| 11 | ||||
| 10 | 1 | 1 | 1 | 1 |
Uma expressão que gera esse mapa é
Provas
Disciplina: TI - Organização e Arquitetura dos Computadores
Banca: UFRN
Orgão: UFERSA
Observe o circuito de uma unidade lógica e aritmética elementar a seguir.

Quando o OpCode desse circuito estiver nos níveis lógicos 102, a operação de saída dessa ULA será
Provas
Disciplina: TI - Organização e Arquitetura dos Computadores
Banca: UFRN
Orgão: UFERSA
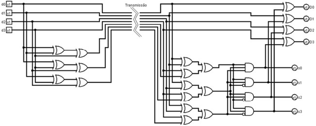
Analise o circuito combinacional a seguir.

Esse circuito contém um codificador e um decodificador de hamming que permite a detecção e correção de erros de transmissão de dados. Considerando os valores lógicos d0=0, d1=1, d2=0 e d3=1, e que a transmissão sofreu uma mudança de valor lógico na linha d1-D1, passando para 0 o valor lógico de saída da transmissão nessa linha, os valores dos sinalizadores s0, s1, s2 e s3 são, respectivamente
Provas
Caderno Container