Foram encontradas 60 questões.
Uma das alternativas NÃO contém erro de emprego de forma verbal. Marque-a.
Provas
Questão presente nas seguintes provas
Uma das alternativas contém formas verbais que, acompanhadas de ter ou ser, se podem substituir num mesmo contexto. Marque-a.
Provas
Questão presente nas seguintes provas
Uma das alternativas NÃO contém erro de relação sintática. Marque-a.
Provas
Questão presente nas seguintes provas
No circuito lógico abaixo, a saída Y corresponde à saída de uma porta lógica

Provas
Questão presente nas seguintes provas
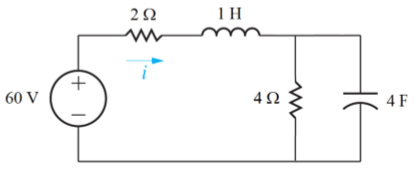
O circuito mostrado na figura abaixo é alimentado por uma fonte de corrente contínua (CC) de 60 volts. Neste caso, o valor da corrente i é

Provas
Questão presente nas seguintes provas
O valor eficaz (rms) da corrente i, fornecida pela fonte de tensão senoidal do circuito mostrado na figura abaixo, é

Provas
Questão presente nas seguintes provas
Um motor síncrono opera com fator de potência capacitivo. Se aumentarmos a sua corrente de campo, pode-se afirmar que a sua corrente de armadura
Provas
Questão presente nas seguintes provas
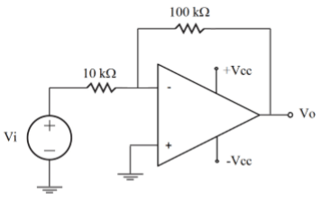
O circuito mostrado abaixo utiliza um amplificador operacional ideal. É CORRETO afirmar que o ganho em malha fechada do circuito é igual a

Provas
Questão presente nas seguintes provas
O circuito mostrado na figura abaixo utiliza um amplificador operacional ideal. Neste caso, é CORRETO afirmar que o circuito possui

Provas
Questão presente nas seguintes provas
Qual dos seguintes fatores NÃO altera o valor do conjugado máximo desenvolvido por um motor de indução?
Provas
Questão presente nas seguintes provas
Cadernos
Caderno Container