Foram encontradas 60 questões.
Dentre as condições abaixo, qual define o máximo rendimento de um transformador real?
Provas
Questão presente nas seguintes provas
O motor de corrente contínua (CC) cujo conjugado eletromagnético é diretamente proporcional ao quadrado da corrente de armadura é o motor
Provas
Questão presente nas seguintes provas
Com relação aos conceitos básicos de luminotécnica, assinale a alternativa INCORRETA.
Provas
Questão presente nas seguintes provas
Um transformador de potência, operando sob condições nominais, possui uma regulação de tensão igual a 2,4%. Nesta situação, pode-se afirmar que a tensão em vazio do transformador é igual a
Provas
Questão presente nas seguintes provas
Uma tomada de uso geral tem os seguintes valores indicados pelo fabricante: 220 V e 10 A. Em um determinado projeto elétrico, atribuímos a essa tomada uma potência de 100 VA. Desta forma, é CORRETO afirmar que seu fator de utilização é aproximadamente igual a
Provas
Questão presente nas seguintes provas
Com relação aos transformadores de núcleo ferromagnético, é CORRETO afirmar que
Provas
Questão presente nas seguintes provas
Assinale a alternativa INCORRETA.
Provas
Questão presente nas seguintes provas
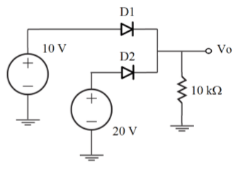
O circuito abaixo é formado por diodos ideais. Neste caso, a tensão de saída Vo é igual a

Provas
Questão presente nas seguintes provas
A questão abaixo assumem que se está usando o Microsoft Windows XP Professional (com o Service Pack 3 instalado) e o Microsoft Office Professional Edição 2003, ambos em suas versões em Português. As configurações do mouse (botões esquerdo e direito) são as usadas para usuários destros (configuração padrão). Clicar significa pressionar o botão esquerdo do mouse. Clicar sobre um ícone significa pressionar o botão esquerdo do mouse quando o cursor estiver sobre a área deste ícone na tela. No caso do Excel, as configurações para linguagem e números são a padrão para as versões em Português.
Deseja-se fazer uma planilha Excel que calcule a média parcial e a média final dos alunos de uma turma como mostrado abaixo.

Deve ser observado que a ausência de uma nota equivale a uma nota zero. Qual a fórmula que deve ser usada na célula selecionada?
Provas
Questão presente nas seguintes provas
A questão abaixo assumem que se está usando o Microsoft Windows XP Professional (com o Service Pack 3 instalado) e o Microsoft Office Professional Edição 2003, ambos em suas versões em Português. As configurações do mouse (botões esquerdo e direito) são as usadas para usuários destros (configuração padrão). Clicar significa pressionar o botão esquerdo do mouse. Clicar sobre um ícone significa pressionar o botão esquerdo do mouse quando o cursor estiver sobre a área deste ícone na tela. No caso do Excel, as configurações para linguagem e números são a padrão para as versões em Português.
Como fazer com que apareça a diagonal na primeira célula da primeira linha como mostrado abaixo?

Provas
Questão presente nas seguintes provas
Cadernos
Caderno Container