Foram encontradas 60 questões.
Um motor de indução de 6 pólos, 60 Hz, opera com um escorregamento de 5%. Pode-se afirmar que a velocidade do campo magnético girante desse motor é
Provas
Questão presente nas seguintes provas
No circuito lógico mostrado abaixo, assinale a combinação de entradas que faz com que a saída Y seja igual a 1 (nível lógico alto).

Provas
Questão presente nas seguintes provas
É CORRETO afirmar que um gerador síncrono, operando superexcitado,
Provas
Questão presente nas seguintes provas
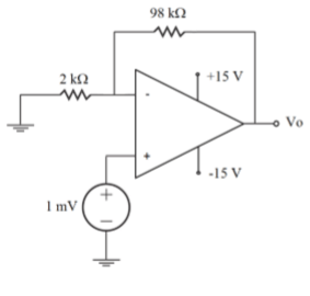
O circuito amplificador mostrado abaixo utiliza um amplificador operacional ideal com ganho em malha aberta igual a 100.000. Neste caso, o valor da tensão de saída é aproximadamente igual a

Provas
Questão presente nas seguintes provas
A frase "É a tensão a que está sujeito o corpo humano quando em contato com partes metálicas acidentalmente energizadas" define a tensão de
Provas
Questão presente nas seguintes provas
Assinale a alternativa que NÃO constitui causa de baixo fator de potência de uma instalação elétrica.
Provas
Questão presente nas seguintes provas
Dentre as ações descritas abaixo, qual NÃO colabora para reduzir a resistência de aterramento de um terreno?
Provas
Questão presente nas seguintes provas
Deseja-se fazer uma viagem com um automóvel que pode ser abastecido com gasolina ou álcool. Ele percorre x km para cada litro de gasolina e percorre y km para cada litro de álcool. Admita que os preços do litro de gasolina e do litro de álcool sejam 2,68 reais e 1,84 reais, respectivamente. Para que, na viagem, o valor gasto com combustível, em reais, caso o automóvel seja abastecido apenas com gasolina, seja igual ao valor gasto com combustível, em reais, caso ele seja abastecido apenas com
álcool, a razão !$ x \big/ y !$ deve ser igual a
álcool, a razão !$ x \big/ y !$ deve ser igual a
Provas
Questão presente nas seguintes provas
A questão abaixo assumem que se está usando o Microsoft Windows XP Professional (com o Service Pack 3 instalado) e o Microsoft Office Professional Edição 2003, ambos em suas versões em Português. As configurações do mouse (botões esquerdo e direito) são as usadas para usuários destros (configuração padrão). Clicar significa pressionar o botão esquerdo do mouse. Clicar sobre um ícone significa pressionar o botão esquerdo do mouse quando o cursor estiver sobre a área deste ícone na tela. No caso do Excel, as configurações para linguagem e números são a padrão para as versões em Português.
É muito comum a necessidade de se digitar o símbolo de ordinalidade como em 1o. Pode ser usada a forma 1º, mas esta se confunde com a usada para graus, como em um ângulo de 60º. No Word, quando se digita a letra a ou o após uma sequência de dígitos, ela automaticamente se transforma em ª ou º. Como proceder para se obter o símbolo da forma o?
Provas
Questão presente nas seguintes provas
A seção mínima dos condutores elétricos deve satisfazer, simultaneamente, todos os critérios abaixo, EXCETO,
Provas
Questão presente nas seguintes provas
Cadernos
Caderno Container