Foram encontradas 889 questões.
Dado o circuito elétrico abaixo,

A tensão elétrica entre os pontos A e A', em V, vale:
Provas
Dois condutores elétricos paralelos conduzem correntes de 2 A em um sentido e 10 A no outro. Os condutores estão distanciados de 10 cm. Nessas condições, o módulo da força de repulsão por unidade de comprimento, em N/m, será de:
Provas
Observe a figura:

O valor do momento fletor no ponto 2, em toneladas x metro, vale:
Provas
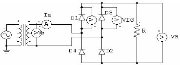
O circuito retificador abaixo se refere à questão.

Dados: R = 15 ohms e VS = 300 sen 377 t . V
A eficiência do retificador, em %, é:
Provas
O circuito retificador abaixo se refere à questão.

Dados: R = 15 ohms e VS = 300 sen 377 t . V
A corrente na carga R, em A, é:
Provas
Uma tensão senoidal V = 100 sen 314t é aplicada a um circuito constituído de uma resistência de 5 Ω em série com uma reatância capacitiva de 10 Ω. O valor da capacitância, em μF (microfarads), é:
Provas
Analise as assertivas abaixo acerca dos motores de passo.
I As razões pelas quais o motor de passo aquece podem ser expressas da seguinte forma: i) A corrente flui através do motor de passo mesmo ele estando parado. ii) Os projetos de drives com onda de pulso (PWM) tendem a fazer o motor esquentar mais. iii) A construção do motor com material de laminação e rotores com calhas também afetam o seu aquecimento.
II A razão pela qual o motor às vezes dá saltos ao ser ligado é a seguinte: o motor possui 200 posições detentoras naturais, porém o drive é ligado em um estado definido, correspondente a uma, dentre apenas 50 posições. Portanto, a movimentação pode ser de até 3,6° em qualquer direção.
III A razão pela qual um motor pode perder o passo durante um teste sem carga se deve ao fato de ele desenvolver um torque elevado em relação à sua própria inércia.
IV A diferença entre a conexão em série e a em paralelo de um motor de passo é a seguinte: com as espiras em série, o torque a baixas velocidades é maximizado. Porém, isto também provoca maior indutância. Portanto, o desempenho a altas velocidades é menor do que no caso das espiras serem conectadas em paralelo.
V Um motor pequeno pode ser utilizado em uma carga grande se o requisito de torque for baixo, porém se a inércia da carga for superior a dez vezes à inércia do rotor, pode ocorrer um amplo efeito de oscilação (“ringing”) ao final do movimento.
Das assertivas acima:
Provas
Em uma dada instalação, a tensão de entrada é 220 V, 60 Hz, e a potência instalada é de 70 kW. O fator de potência é 0,8 atrasado.
Dados:
Admitir: π = 3,14
Tabela dos dados trigonométricos para o ângulo φ:
| cos φ | sen φ |
| 0,80 | 0,60 |
| 0,92 | 0,40 |
Dentre as alternativas abaixo, aquela cujo valor da capacitância mais se aproxima do valor necessário à correção do fator de potência para 0,92 (atrasado) é:
Provas
Dentre as classificações dos tipos de apoio com base na resistência dos materiais, aquela que NÃO permite que os apoios se afastem na horizontal, tampouco na vertical, mas permite um giro do apoio num plano é denominada:
Provas
Considere uma bomba de recalque trifásica, 220 V, 20 HP, cos\( ( \phi ) = 0,90 \) 0,90 e rendimento 80%. Nessas condições, a corrente nominal trifásica da bomba, em ampères, é de aproximadamente:
Admitir: \( \sqrt{3} = 1,73\,e\,1\,HP = 746 W \)
Provas
Caderno Container