Foram encontradas 50 questões.
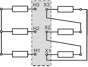
Uma das finalidades do conhecimento da polaridade em transformadores trifásicos é a determinação do defasamento angular. A figura a seguir apresenta um transformador trifásico com conexão Y no lado da tensão superior e conexão !$ \triangle !$ no lado da tensão inferior.

De acordo com a figura, a defasagem angular do transformador para as conexões apresentadas é de:
Provas
Questão presente nas seguintes provas
A figura a seguir representa um circuito lógico com entradas EN; A; B e C e saídas X e Y.

Supondo-se uma entrada EN=1; A=0; B=1 e C=0, as saídas X e Y serão, respectivamente:
Provas
Questão presente nas seguintes provas
SOFISTICAÇÃO
A ideia de sofisticação perpassa toda a vida moderna. Em tudo hoje há esse ideal de sofisticação. Pois quando você recebe um telefonema de um operador de telemarketing e ele lhe avisa que “vai estar lhe enviando a fatura, etc.”, ele está imaginando ser mais sofisticado do que se lhe dissesse simplesmente “vou lhe enviar a fatura...”. Quando o atendente da lanchonete ou da loja se aproxima e diz “meu nome é Carlos, estou aqui para ajudá-lo no que precisar”, é sofisticado o que ele pretende ser. Quando o dono da casa de galetos a batiza de “Galeteria”, é sofisticação o que ele quer sugerir com esse nome. Que suburbano seria se pintasse na fachada “vendese galetos”, não?
Sim, quase nunca é um ímpeto natural, espontâneo. Há um treino para tornar os prestadores de serviço gentis e, mais que gentis, “sofisticados”. Cardápios de restaurantes são também um bom termômetro desta busca desenfreada (e nem sempre honesta) pelo ideal de sofisticação e finesse. Não basta descrever o prato como ele de fato é, há que dourar a pílula, digo, a receita. Não basta ser um filé-mignon, não, muito básico. Tem que ser um filé orgânico maturado em vinha de alhos hidropônicos colhidos durante a primavera (de preferência por crianças africanas, para que, além de sofisticado, tenhamos um toque humanitário também). A salada também não pode ter um simples tomate plantado em Atibaia. Não. Tem que ser um tomate especial, geneticamente transformado, irrigado por águas da serra, plantado em solo adubado com argila indiana, etc., etc., etc.
Também na seara da indústria cultural, há alguns pequenos truques de transformar o “simples” em “chique”. Quando a música dita sertaneja surgiu com toda força no final dos anos 80, seus ícones exibiam visual pop ou rock' n' roll. Não parecia ser mera coincidência a semelhança entre os cabelos de duplas como Chitãozinho e Xororó com os cabelos de Siouxsie and The Banshees e outras bandas new wave dessa década.
A diva caipira Inezita Barroso declarou, em recente entrevista, que o rótulo sertanejo foi adotado por conta da vergonha que as duplas tinham de assumir o termo “caipira”, mais genuíno, diz ela. “Sertanejo remete mais ao Nordeste que ao interior de São Paulo. Ninguém fala ‘vou pro sertão de Jundiaí!’’’. Grande Inezita!
Depois houve o tempo do forró universitário, febre que assolou o Brasil, especialmente São Paulo. Mais um truque previsível, afinal o forró estava para sempre associado à rudeza nordestina, era música de “baiano”, coisa de “paraíba”, não era música de bacana. Mas eis que um gênio marqueteiro qualquer (há muitos por aí), em sua oficina de truques geniais, deve ter pensado: “Se colarmos uma palavra chique à palavra forró, hummm, deixe-me pensar: eureka! ‘Forró universitário’, claro!”. E assim a cruza de Duda Mendonça com André Midani fez o seu golaço.
Há poucos anos, com o surgimento de novas duplas, nem tão “sertanejas” assim, tomou-se emprestada a alcunha e assim surgiu o “sertanejo universitário”, nova febre musical que hoje domina a cena nos quatro cantos do País. Espera-se para breve o “pagode universitário”, a “gafieira acadêmica” e o “brega de vanguarda”, quem sabe.
BALEIRO, Zeca. Sofisticação. In: ISTOÉ, São Paulo, 8 fev. 2012, Editora Três, 2012. p.114. (Adaptado).
No texto, as estratégias utilizadas para conferir sofisticação à fala, aos nomes dos estabelecimentos comerciais e de ritmos musicais revelam que a língua é
Provas
Questão presente nas seguintes provas
Leia o texto a seguir para responder à questão.
SIC
Apresaéiminigadaprefeição.
PAES, José Paulo. Poesia completa. São Paulo: Companhia das Letras, 2008. p. 300.
O poema contém originalidade, embora o provérbio seja muito conhecido. Que aspecto confere originalidade ao texto?
Provas
Questão presente nas seguintes provas
SOFISTICAÇÃO
A ideia de sofisticação perpassa toda a vida moderna. Em tudo hoje há esse ideal de sofisticação. Pois quando você recebe um telefonema de um operador de telemarketing e ele lhe avisa que “vai estar lhe enviando a fatura, etc.”, ele está imaginando ser mais sofisticado do que se lhe dissesse simplesmente “vou lhe enviar a fatura...”. Quando o atendente da lanchonete ou da loja se aproxima e diz “meu nome é Carlos, estou aqui para ajudá-lo no que precisar”, é sofisticado o que ele pretende ser. Quando o dono da casa de galetos a batiza de “Galeteria”, é sofisticação o que ele quer sugerir com esse nome. Que suburbano seria se pintasse na fachada “vendese galetos”, não?
Sim, quase nunca é um ímpeto natural, espontâneo. Há um treino para tornar os prestadores de serviço gentis e, mais que gentis, “sofisticados”. Cardápios de restaurantes são também um bom termômetro desta busca desenfreada (e nem sempre honesta) pelo ideal de sofisticação e finesse. Não basta descrever o prato como ele de fato é, há que dourar a pílula, digo, a receita. Não basta ser um filé-mignon, não, muito básico. Tem que ser um filé orgânico maturado em vinha de alhos hidropônicos colhidos durante a primavera (de preferência por crianças africanas, para que, além de sofisticado, tenhamos um toque humanitário também). A salada também não pode ter um simples tomate plantado em Atibaia. Não. Tem que ser um tomate especial, geneticamente transformado, irrigado por águas da serra, plantado em solo adubado com argila indiana, etc., etc., etc.
Também na seara da indústria cultural, há alguns pequenos truques de transformar o “simples” em “chique”. Quando a música dita sertaneja surgiu com toda força no final dos anos 80, seus ícones exibiam visual pop ou rock' n' roll. Não parecia ser mera coincidência a semelhança entre os cabelos de duplas como Chitãozinho e Xororó com os cabelos de Siouxsie and The Banshees e outras bandas new wave dessa década.
A diva caipira Inezita Barroso declarou, em recente entrevista, que o rótulo sertanejo foi adotado por conta da vergonha que as duplas tinham de assumir o termo “caipira”, mais genuíno, diz ela. “Sertanejo remete mais ao Nordeste que ao interior de São Paulo. Ninguém fala ‘vou pro sertão de Jundiaí!’’’. Grande Inezita!
Depois houve o tempo do forró universitário, febre que assolou o Brasil, especialmente São Paulo. Mais um truque previsível, afinal o forró estava para sempre associado à rudeza nordestina, era música de “baiano”, coisa de “paraíba”, não era música de bacana. Mas eis que um gênio marqueteiro qualquer (há muitos por aí), em sua oficina de truques geniais, deve ter pensado: “Se colarmos uma palavra chique à palavra forró, hummm, deixe-me pensar: eureka! ‘Forró universitário’, claro!”. E assim a cruza de Duda Mendonça com André Midani fez o seu golaço.
Há poucos anos, com o surgimento de novas duplas, nem tão “sertanejas” assim, tomou-se emprestada a alcunha e assim surgiu o “sertanejo universitário”, nova febre musical que hoje domina a cena nos quatro cantos do País. Espera-se para breve o “pagode universitário”, a “gafieira acadêmica” e o “brega de vanguarda”, quem sabe.
BALEIRO, Zeca. Sofisticação. In: ISTOÉ, São Paulo, 8 fev. 2012, Editora Três, 2012. p.114. (Adaptado).
Contextualmente, a expressão dourar a pílula significa
Provas
Questão presente nas seguintes provas
SOFISTICAÇÃO
A ideia de sofisticação perpassa toda a vida moderna. Em tudo hoje há esse ideal de sofisticação. Pois quando você recebe um telefonema de um operador de telemarketing e ele lhe avisa que “vai estar lhe enviando a fatura, etc.”, ele está imaginando ser mais sofisticado do que se lhe dissesse simplesmente “vou lhe enviar a fatura...”. Quando o atendente da lanchonete ou da loja se aproxima e diz “meu nome é Carlos, estou aqui para ajudá-lo no que precisar”, é sofisticado o que ele pretende ser. Quando o dono da casa de galetos a batiza de “Galeteria”, é sofisticação o que ele quer sugerir com esse nome. Que suburbano seria se pintasse na fachada “vendese galetos”, não?
Sim, quase nunca é um ímpeto natural, espontâneo. Há um treino para tornar os prestadores de serviço gentis e, mais que gentis, “sofisticados”. Cardápios de restaurantes são também um bom termômetro desta busca desenfreada (e nem sempre honesta) pelo ideal de sofisticação e finesse. Não basta descrever o prato como ele de fato é, há que dourar a pílula, digo, a receita. Não basta ser um filé-mignon, não, muito básico. Tem que ser um filé orgânico maturado em vinha de alhos hidropônicos colhidos durante a primavera (de preferência por crianças africanas, para que, além de sofisticado, tenhamos um toque humanitário também). A salada também não pode ter um simples tomate plantado em Atibaia. Não. Tem que ser um tomate especial, geneticamente transformado, irrigado por águas da serra, plantado em solo adubado com argila indiana, etc., etc., etc.
Também na seara da indústria cultural, há alguns pequenos truques de transformar o “simples” em “chique”. Quando a música dita sertaneja surgiu com toda força no final dos anos 80, seus ícones exibiam visual pop ou rock' n' roll. Não parecia ser mera coincidência a semelhança entre os cabelos de duplas como Chitãozinho e Xororó com os cabelos de Siouxsie and The Banshees e outras bandas new wave dessa década.
A diva caipira Inezita Barroso declarou, em recente entrevista, que o rótulo sertanejo foi adotado por conta da vergonha que as duplas tinham de assumir o termo “caipira”, mais genuíno, diz ela. “Sertanejo remete mais ao Nordeste que ao interior de São Paulo. Ninguém fala ‘vou pro sertão de Jundiaí!’’’. Grande Inezita!
Depois houve o tempo do forró universitário, febre que assolou o Brasil, especialmente São Paulo. Mais um truque previsível, afinal o forró estava para sempre associado à rudeza nordestina, era música de “baiano”, coisa de “paraíba”, não era música de bacana. Mas eis que um gênio marqueteiro qualquer (há muitos por aí), em sua oficina de truques geniais, deve ter pensado: “Se colarmos uma palavra chique à palavra forró, hummm, deixe-me pensar: eureka! ‘Forró universitário’, claro!”. E assim a cruza de Duda Mendonça com André Midani fez o seu golaço.
Há poucos anos, com o surgimento de novas duplas, nem tão “sertanejas” assim, tomou-se emprestada a alcunha e assim surgiu o “sertanejo universitário”, nova febre musical que hoje domina a cena nos quatro cantos do País. Espera-se para breve o “pagode universitário”, a “gafieira acadêmica” e o “brega de vanguarda”, quem sabe.
BALEIRO, Zeca. Sofisticação. In: ISTOÉ, São Paulo, 8 fev. 2012, Editora Três, 2012. p.114. (Adaptado).
Para o autor do texto, a ideia de “sofisticação”, exposta no primeiro e segundo parágrafos como fenômeno da vida moderna,
Provas
Questão presente nas seguintes provas
A tabela a seguir mostra a potência e o tempo de operação de um ferro elétrico e de um chuveiro de uma residência, onde foi constatado que 50% do consumo mensal de energia elétrica estava associado à operação desses dois equipamentos.
| Equipamento | Potência |
Tempo de operação mensal |
| Ferro elétrico | 1000 W | 10 h |
| Chuveiro elétrico | 4000 W (posição inverno) | 30 h |
A fim de reduzir o consumo mensal de energia elétrica, o consumidor tomou três atitudes: reduziu o tempo de uso do ferro elétrico para 8 horas mensais; o tempo de operação do chuveiro para 20 horas mensais e manteve o chuveiro na posição verão, cuja potência é de 3100 W. Considerando inalterado o consumo de outros equipamentos, qual o valor porcentual aproximado da economia de energia resultante das ações do consumidor em relação ao consumo mensal inicial?
Provas
Questão presente nas seguintes provas
1012749
Ano: 2012
Disciplina: TI - Organização e Arquitetura dos Computadores
Banca: UFG
Orgão: UFG
Disciplina: TI - Organização e Arquitetura dos Computadores
Banca: UFG
Orgão: UFG
Provas:
A figura a seguir refere-se à questão.

A figura representa o diagrama de blocos simplificado de um microcontrolador de 8 bits, em que ULA é a unidade lógica e aritmética.
A tabela I mostra algumas instruções hipotéticas do microcontrolador da figura, com suas respectivas funções. X e Y são registradores genéricos e C é a flag de carry (transporte), presente no registrador denominado FLAGS.
Tabela I

A tabela II mostra uma sequência de instruções (programa) para execução no microcontrolador mostrado. Uma biblioteca, não mostrada no programa, já foi previamente carregada para que o compilador reconheça todas as instruções.
Tabela II
| Rótulo | Instruções |
| MOVE A,#37H | |
| MOVE R1,#7FH | |
| VOLTA | ADIC A,R1 |
| PULANC VOLTA | |
| MOVE P1,A | |
| FIM |
Após a execução da sequência de instruções mostrada na tabela II, o valor transferido para a Porta P1 é:
Provas
Questão presente nas seguintes provas
SOFISTICAÇÃO
A ideia de sofisticação perpassa toda a vida moderna. Em tudo hoje há esse ideal de sofisticação. Pois quando você recebe um telefonema de um operador de telemarketing e ele lhe avisa que “vai estar lhe enviando a fatura, etc.”, ele está imaginando ser mais sofisticado do que se lhe dissesse simplesmente “vou lhe enviar a fatura...”. Quando o atendente da lanchonete ou da loja se aproxima e diz “meu nome é Carlos, estou aqui para ajudá-lo no que precisar”, é sofisticado o que ele pretende ser. Quando o dono da casa de galetos a batiza de “Galeteria”, é sofisticação o que ele quer sugerir com esse nome. Que suburbano seria se pintasse na fachada “vendese galetos”, não?
Sim, quase nunca é um ímpeto natural, espontâneo. Há um treino para tornar os prestadores de serviço gentis e, mais que gentis, “sofisticados”. Cardápios de restaurantes são também um bom termômetro desta busca desenfreada (e nem sempre honesta) pelo ideal de sofisticação e finesse. Não basta descrever o prato como ele de fato é, há que dourar a pílula, digo, a receita. Não basta ser um filé-mignon, não, muito básico. Tem que ser um filé orgânico maturado em vinha de alhos hidropônicos colhidos durante a primavera (de preferência por crianças africanas, para que, além de sofisticado, tenhamos um toque humanitário também). A salada também não pode ter um simples tomate plantado em Atibaia. Não. Tem que ser um tomate especial, geneticamente transformado, irrigado por águas da serra, plantado em solo adubado com argila indiana, etc., etc., etc.
Também na seara da indústria cultural, há alguns pequenos truques de transformar o “simples” em “chique”. Quando a música dita sertaneja surgiu com toda força no final dos anos 80, seus ícones exibiam visual pop ou rock' n' roll. Não parecia ser mera coincidência a semelhança entre os cabelos de duplas como Chitãozinho e Xororó com os cabelos de Siouxsie and The Banshees e outras bandas new wave dessa década.
A diva caipira Inezita Barroso declarou, em recente entrevista, que o rótulo sertanejo foi adotado por conta da vergonha que as duplas tinham de assumir o termo “caipira”, mais genuíno, diz ela. “Sertanejo remete mais ao Nordeste que ao interior de São Paulo. Ninguém fala ‘vou pro sertão de Jundiaí!’’’. Grande Inezita!
Depois houve o tempo do forró universitário, febre que assolou o Brasil, especialmente São Paulo. Mais um truque previsível, afinal o forró estava para sempre associado à rudeza nordestina, era música de “baiano”, coisa de “paraíba”, não era música de bacana. Mas eis que um gênio marqueteiro qualquer (há muitos por aí), em sua oficina de truques geniais, deve ter pensado: “Se colarmos uma palavra chique à palavra forró, hummm, deixe-me pensar: eureka! ‘Forró universitário’, claro!”. E assim a cruza de Duda Mendonça com André Midani fez o seu golaço.
Há poucos anos, com o surgimento de novas duplas, nem tão “sertanejas” assim, tomou-se emprestada a alcunha e assim surgiu o “sertanejo universitário”, nova febre musical que hoje domina a cena nos quatro cantos do País. Espera-se para breve o “pagode universitário”, a “gafieira acadêmica” e o “brega de vanguarda”, quem sabe.
BALEIRO, Zeca. Sofisticação. In: ISTOÉ, São Paulo, 8 fev. 2012, Editora Três, 2012. p.114. (Adaptado).
O texto de Zeca Baleiro é um artigo de opinião, pois
Provas
Questão presente nas seguintes provas
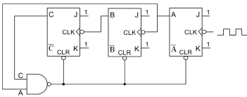
A figura a seguir representa um contador assíncrono.

O contador representado na figura é:
Provas
Questão presente nas seguintes provas
Cadernos
Caderno Container