Foram encontradas 50 questões.
Leia o texto a seguir para responder à questão.
|
SIC
Apresaéiminigadaprefeição.
|
PAES, José Paulo. Poesia completa. São Paulo: Companhia das Letras, 2008. p. 300.
A palavra sic tem origem no latim e significa “assim como está”. Ao intitular o poema com essa palavra, o poeta se posiciona, ironicamente, em relação ao texto com a intenção de
Provas
Questão presente nas seguintes provas
De acordo com a Norma NBR 5410/2004, da Associação Brasileira de Normas Técnicas (ABNT), a seção de qualquer condutor de proteção (condutor PE) que não faça parte do mesmo cabo ou que não esteja contido no mesmo conduto fechado que os condutores de fase, e que seja desprovido de proteção contra danos mecânicos, em cobre e em alumínio, deve ser, respectivamente, igual ou superior a:
Provas
Questão presente nas seguintes provas
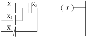
O controlador lógico programável (CLP) é um sistema de controle projetado para operar em ambiente industrial e que tem como base um microprocessador. Alguns tipos de linguagens são utilizados visando facilitar a programação. Uma dessas linguagens é denominada diagrama ladder e, através dela, pode-se, por exemplo, representar circuitos lógicos, como o mostrado na figura a seguir.

O programa, em linguagem ladder, equivalente ao circuito dado é:
Provas
Questão presente nas seguintes provas
A figura ilustra um trecho de uma instalação elétrica trifásica em uma edificação.

De acordo com a Norma ABNT NBR 5410/2004, o esquema de aterramento ilustrado na figura pode ser classificado como
Provas
Questão presente nas seguintes provas
No circuito apresentado a seguir, há uma fonte monofásica com tensão eficaz de !$ 200 \angle 90^\circ V !$ e frequência angular w rad/s. Os valores das impedâncias são !$ Z2= 10 \angle 60^\circ \Omega; !$ e !$ Z3 =10 \angle -60^\circ \Omega !$.

| Ângulos | |||
| Dados: | !$ 30^\circ !$ | !$ 45^\circ !$ | !$ 60^\circ !$ |
| Seno | !$ 1/2 !$ | !$ \sqrt{2}/2 !$ | !$ \sqrt{3}/2 !$ |
| Cosseno | !$ \sqrt{3}/2 !$ | !$ \sqrt{2}/2 !$ | !$ 1/2 !$ |
Nestas condições, o valor instantâneo da corrente i(t) através da impedância Z1 é:
Provas
Questão presente nas seguintes provas
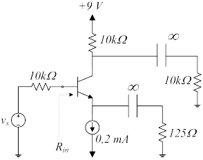
A figura apresenta um amplificador realizado com transistor bipolar de junção (TBJ).

Com base na figura, o tipo do amplificador e sua resistência de carga são, respectivamente,
Provas
Questão presente nas seguintes provas
Ao se digitar a [Tecla Windows]+[Tecla R], abre-se no Windows 7 © a seguinte janela:
Provas
Questão presente nas seguintes provas
Um navegador de internet (do inglês: web browser) é um programa de computador que habilita seus usuários a interagirem com documentos virtuais da internet. São alguns exemplos de navegadores:
Provas
Questão presente nas seguintes provas
Leia a tira a seguir.

Disponível em: <http://www.google.com.br/imagens> Acesso: 13 mar. 2012.
O desfecho humorístico da tira sugere que, na língua,
Provas
Questão presente nas seguintes provas
O circuito da figura apresenta uma fonte trifásica equilibrada com tensão eficaz de 100 volts conectada a uma carga trifásica equilibrada, cuja impedância entre fases é !$ Z2 = 3-j3 \Omega !$. A impedância dos condutores que conectam a fonte à carga é !$ Z1 =9 +j1 \Omega !$ em todas as fases.

Considerando-se as informações apresentadas, qual é o valor da corrente I estabelecida no condutor da fase B?
Provas
Questão presente nas seguintes provas
Cadernos
Caderno Container