Foram encontradas 50 questões.
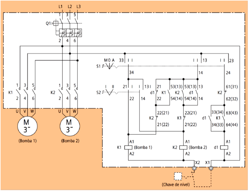
Para se aumentar a confiabilidade de sistemas de bombeamento de água para prédios de apartamento, normalmente são utilizadas duas bombas ligadas através de chave comutadora conforme o esquema multifilar a seguir. Considerando o esquema apresentado, é correto afirmar que:

Provas
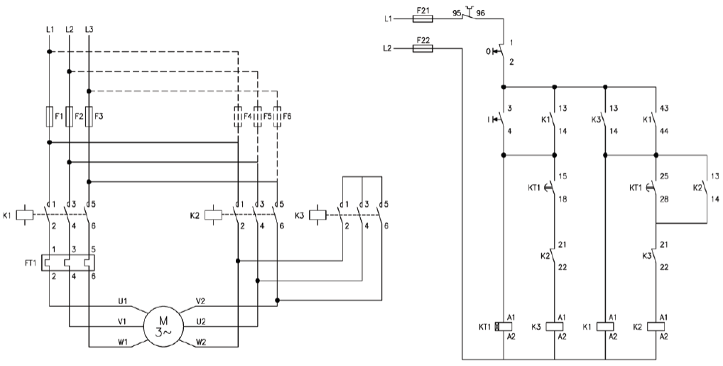
Para se reduzir a corrente de partida de motores, um dos métodos empregados é a utilização da chave de partida estrela-triângulo conforme o esquema multifilar a seguir. Considerando o esquema apresentado, é correto afirmar que:

Provas
Considerando a utilização do AutoCad para o desenvolvimento de um projeto de climatização, assinale o que for correto afirmar sobre os comandos e elementos deste software.
Provas
A norma regulamentadora NR 10 do Ministério de Trabalho e Emprego, Segurança em instalações e serviços em eletricidade, estabelece os requisitos e condições mínimas, objetivando a implementação de medidas de controle e sistemas preventivos, de forma a garantir a segurança e a saúde dos trabalhadores que, direta ou indiretamente, interajam em instalações elétricas e serviços com eletricidade. A partir desta regulamentação, item 10.5.1, são consideradas desenergizadas as instalações elétricas liberadas para trabalho quando obedecida a sequência de procedimento indicada em qual alternativa ?
I. impedimento de reenergização.
II. seccionamento.
III. instalação da sinalização de impedimento de reenergização.
IV. proteção dos elementos energizados existentes na zona controlada.
V. instalação de aterramento temporário com equipotencialização dos condutores dos circuitos.
VI. constatação da ausência de tensão.
Provas
Para um circuito misto composto por um resistor de 6 Ω em série com dois resistores de 12 Ω em paralelo, alimentados por uma tensão em corrente contínua de 12 V, é correto afirmar que:
Provas
Para a proteção de 15 cabos flexíveis unipolares de cobre com seção igual a 10,0 mm², dispostos entre duas caixas de passagem instaladas em um trecho retilíneo de onze metros em uma parede de alvenaria, será utilizado um eletroduto de PVC rígido. Sabendo-se que cada cabo ocupa área total de 30 mm², uma vez considerada sua isolação, e o projetista deve atender a exigência da norma NBR 5410 - Instalações elétricas de baixa tensão, item 6.2.11.1.6, quanto à taxa máxima de ocupação de eletrodutos, o menor diâmetro externo nominal em mm que deverá ser instalado, conforme a tabela a seguir será:
| CARACTERÍSTICA DE ELETRODUTOS DE PVC | |||
| Referência de Rosca (Polegada) | Diâmetro Externo Nominal (mm) | Diâmetro interno (mm) | Area interna Total (mm²) |
| 1/2 | 20 | 16,0 | 201 |
| 3/4 | 25 | 21,0 | 346 |
| 1 | 32 | 26,8 | 564 |
| 1 1/4 | 40 | 35,0 | 962 |
| 1 1/2 | 50 | 39,8 | 1244 |
| 2 | 60 | 50,2 | 1979 |
| 2 1/2 | 75 | 64,1 | 3227 |
| 3 | 85 | 75,6 | 4489 |
Provas
Sabendo-se que em uma universidade há um quadro de distribuição terminal que alimenta dez condicionadores de ar iguais. Considerando-se que cada equipamento instalado possui potência aparente igual a 7,6 kVA, fator de potência igual a 0,80, tensão 220 V trifásica e frequência igual a 60 Hz, pode-se afirmar que, quando todas as máquinas estão funcionando em regime normal de trabalho, a corrente do circuito de alimentação do quadro é igual a:
Provas
Para o dimensionamento da proteção e dos condutores elétricos que alimentam um condicionador de ar, é necessário o cálculo da corrente de funcionamento normal do equipamento. Sabendo-se que certo condicionador de ar possui potência à plena carga igual a 3.800 W, tensão 220 V bifásico, frequência 60 Hz e fator de potência igual a 0,91, pode-se afirmar que sua corrente de funcionamento é igual a:
Provas
Ao se digitar um texto no Microsoft Word, em um título secundário, todo o texto ficou em letras maiúsculas. Por exemplo:
| 2.2- PROGRAMAÇÃO LINEAR |
Considerando-se que apenas o título primário deve ficar em maiúscula e que os títulos secundários têm apenas a primeira letra maiúscula, qual é a tecla de atalho para alternar entre maiúsculas e minúsculas?
Provas
Os BTU’s de energia de calor de uma substância são medidos com um:
Provas
Caderno Container