Foram encontradas 50 questões.
O motor de indução recebe este nome devido ao
efeito do acoplamento magnético entre o estator e
o rotor que, devido à diferença de velocidade entre
eles, gera uma tensão e, consequentemente, surge
uma corrente nos condutores do rotor que produz
o torque do motor. A diferença percentual entre a
velocidade do campo girante e a velocidade do rotor
é chamada de escorregamento (s%) e a velocidade
do campo girante, velocidade síncrona. Para um
motor de indução, é correto afirmar que
Provas
Questão presente nas seguintes provas
Em um período muito quente de verão, um técnico em
eletromecânica resolveu instalar um condicionador
de ar em sua residência. Ao observar que o padrão
de energia era monofásico, com tensão 127V, e que
os condicionadores de ar disponíveis no comércio
eram 220V, o técnico percebeu que
Provas
Questão presente nas seguintes provas
- EletrotécnicaCircuitos Elétricos em Eletricidade
- EletrotécnicaCircuitos de Corrente Contínua e de Corrente Alternada
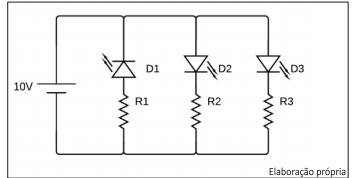
Considere os diodos emissores de luz (LED) D1, D2 e
D3, conforme o circuito mostrado na figura. Para a
situação apresentada, vai acender


Provas
Questão presente nas seguintes provas
- EletrotécnicaCircuitos Elétricos em Eletricidade
- EletrotécnicaCircuitos de Corrente Contínua e de Corrente Alternada
Sabendo-se que, em um circuito em corrente
contínua ligado em série, a queda de tensão total é a
soma da queda de tensão em cada elemento e que,
em um circuito paralelo, a corrente total é a soma
da corrente em cada elemento, utilizando-se a Lei
do Ohm (a tensão é igual a resistência multiplicada
pela corrente), encontram-se as equações para o
cálculo da associação dos circuitos séries e paralelos.
Observe a seguinte ilustração.
Considerando o circuito da figura apresentada, assinale a alternativa correta.
Considerando o circuito da figura apresentada, assinale a alternativa correta.
Provas
Questão presente nas seguintes provas
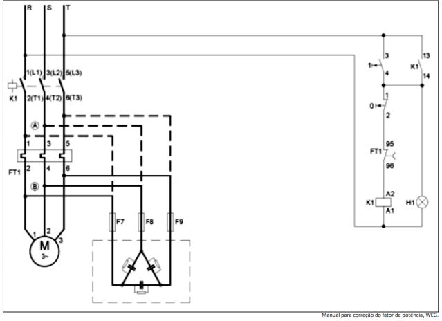
Os capacitores são instalados para a correção do fator de potência, tendo em vista evitar a cobrança da
demanda e energia reativa por parte da concessionária de energia, bem como se buscando a melhoria nas
condições de tensão e carregamento dos equipamentos e condutores. Observe a figura a seguir.
Na configuração apresentada, uma chave de parida automática direta alimenta o motor conjuntamente com
um banco de capacitores adequadamente dimensionado. Tendo em vista o esquema apresentado, assinale
a alternativa correta.
Na configuração apresentada, uma chave de parida automática direta alimenta o motor conjuntamente com
um banco de capacitores adequadamente dimensionado. Tendo em vista o esquema apresentado, assinale
a alternativa correta. Provas
Questão presente nas seguintes provas
A instalação elétrica de uma empresa está operando
com fator de potência de 0,8 indutivo. Após a
instalação de uma estufa para secagem de pintura,
verificou-se que
Provas
Questão presente nas seguintes provas
- EletrotécnicaCircuitos Elétricos em Eletricidade
- EletrotécnicaCircuitos de Corrente Contínua e de Corrente Alternada
Sabe-se que para o cálculo da impedância equivalente
de um circuito em corrente alternada é utilizada
a notação fasorial em que a adição e a subtração
são realizadas na forma retangular, enquanto que
a multiplicação e a divisão resolvem-se através da
forma polar. Assim, observe a ilustração a seguir.
Considerando o circuito da figura apresentada, assinale a alternativa correta.
Considerando o circuito da figura apresentada, assinale a alternativa correta.
Provas
Questão presente nas seguintes provas
Uma instalação elétrica projetada e executada de
acordo com a norma NBR 5410 – Instalações Elétricas de
Baixa Tensão – deve possuir, dentre outros requisitos,
proteção contra choque elétrico, sobrecorrente e
sobretensão. Considerando esses quesitos e a figura a
seguir, assinale a alternativa correta.


Provas
Questão presente nas seguintes provas
Um compressor que será instalado em um laboratório
didático é acionado por um motor de indução trifásico
com os seis terminais acessíveis (três bobinas), o que
permite ser ligado em 220/380V. Caso o motor seja
instalado diretamente à instalação elétrica da UFGD
em Dourados-MS, as bobinas desse motor deverão
ser ligadas em
Provas
Questão presente nas seguintes provas
Considerando o amplificador operacional do circuito
apresentado e com fonte de tensão constante nos
emissores de estágio, observe a figura a seguir.
Para a configuração apresentada, o ganho diferencial
de cada estágio é aproximadamente
Para a configuração apresentada, o ganho diferencial
de cada estágio é aproximadamenteProvas
Questão presente nas seguintes provas
Cadernos
Caderno Container