Foram encontradas 70 questões.
TEXTO
O SUMIÇO DO PEN DRIVE
Houve época em que a força bruta era poder. Houve uma época em que a riqueza era poder. Hoje, informação é poder. Quanto mais informados (mas notem, isto não tem a ver necessariamente com conhecimento ou com sabedoria), mais poderosos somos, ao menos teoricamente. Daí esta avalanche, este tsunami de informações. A cotação do dólar, a taxa de inflação, o número de casos de determinada doença, candidatos dos vários partidos, a escalação de times de futebol – nomes e números em profusão, que nos chegam por jornais, revistas, livros, filmes, noticiários de rádio, internet, e que tratamos de armazenar em nossa mente.
Aí surge o problema: para armazenar a informação, a natureza nos deu um cérebro, que é a sede da memória. E nesta memória queremos enfiar o máximo possível de informações. Diferente da memória do computador, porém, a nossa é governada por fatores que nada têm a ver com a informática. O estado de nossas células cerebrais, as nossas emoções; tudo isso pode representar uma limitação para nossa capacidade de lembrar. Coisa que sistematicamente negamos. Como alguém que está se preparando para uma longa viagem (e o que é a vida, senão uma viagem que esperamos longa?), tratamos de socar na mala da memória a maior quantidade possível de coisas. As malas até podem se submeter, mas a memória simplesmente não aceita a nossa irracionalidade.
Felizmente a tecnologia tem vindo em nosso auxílio. Primeiro foi o computador propriamente dito, com sua memória cada vez maior; depois, vieram os dispositivos de armazenamento, os CDs, os pen drives. Coisa incrível, o pen drive: um pequeno objeto no qual cabe uma existência, ou pelo menos uma importante parte dela. Para quem, como eu, viaja bastante e tem de trabalhar em aviões ou em hotéis, é um recurso precioso. No meu pen drive eu tinha artigos, material de consulta, endereços, telefones. A primeira coisa que eu fazia, ao sair de casa para ir ao aeroporto era colocar o pen drive num lugar que eu imaginava seguro: o bolso da camisa. Seguro – e simbólico, já que o pen drive ficava próximo ao coração.
Vocês já notaram que estou usando os verbos no passado – passado imperfeito, aliás. E isso por boas razões. Esses tempos, ao chegar ao aeroporto, meti a mão no bolso para dali retirar o pen drive. Mas não encontrei pen drive algum. Encontrei um buraco, verdade que pequeno, mas de tamanho suficiente para dar passagem (ou para dar a liberdade?) ao pen drive. Que tinha caído por ali.
Um transtorno, portanto. Perguntei no aeroporto, entrei em contato com o táxi que me trouxera, liguei para casa: nada. O pen drive tinha mesmo sumido. O buraco da camisa era, portanto, um buraco negro, aqueles orifícios do universo em que toda a energia é sugada e some. Antes que vocês me repreendam, devo dizer que tinha tomado minhas precauções: havia cópia de todo o material, nada se perdeu. Mas o episódio me inspirou várias reflexões. De repente eu me dava conta de como nossa existência é frágil, de como somos governados pelo acaso e pelo imprevisto. Nenhuma queixa contra o pen drive, que veio para ficar; aliás, meu palpite é que, no dia do Juízo Final, cada um de nós vai inserir o pen drive de sua vida no Grande Computador Celestial. Virtudes e pecados serão instantaneamente cotejados e o destino final, Céu ou Inferno, decidido de imediato. Pergunta: o que acontecerá com aqueles que, por causa de um buraco na camisa, perderam o pen drive?.
Fonte: Moacyr Scliar. Zero Hora (RS), 11/5/2010.
Disponível em: http://www.academia.org.br/abl/cgi/cgilua.exe/sys/start.htm?infoid=10352&sid=695.
Acesso em: 31/7/2013.
Leia o fragmento:
“ao chegar ao aeroporto, meti a mão no bolso para dali retirar o pen drive. Mas não encontrei pen drive algum. Encontrei um buraco, verdade que pequeno, mas de tamanho suficiente para dar passagem (ou para dar a liberdade?) ao pen drive. Que tinha caído por ali.”
Analise as proposições:
I – A repetição do termo “pen drive” constitui uma prática viciosa, que prejudica a produção de sentidos por parte do leitor.
II – o trecho “verdade que pequeno” constitui uma opção redacional, que intensifica a argumentação.
III – a utilização do trecho entre parênteses constitui uma intervenção retórica do autor para interromper a estrutura sintática do período para relativizar a afirmação do enunciado anterior.
IV – a opção do autor por iniciar a frase “Que tinha caído por ali” corresponde às prescrições da gramática normativa.
Assinale a alternativa CORRETA:
Provas
Questão presente nas seguintes provas
Uma das principais utilidades do cálculo integral é calcular o volume de corpos sólidos. Uma integral definida pela qual se obtém o volume de um cone de raio 4 e altura 8 é:
Provas
Questão presente nas seguintes provas
Na tentativa de obter um gerador de energia, foi usado o trem de engrenagem indicado abaixo, sendo os diâmetros primitivos das engrenagens 1 e 2 iguais a 10 cm e os diâmetros primitivos das engrenagens 3 e 4 iguais a 5 cm. Considere a engrenagem 1 motora, com rotação de 50 rpm.

A rotação de 4 é:
Provas
Questão presente nas seguintes provas
A Lei de Lenz aplicada em circuitos elétricos tem o seguinte enunciado:
Provas
Questão presente nas seguintes provas
Arcos elétricos em painéis normalmente aparecem por, EXCETO:
Provas
Questão presente nas seguintes provas
TEXTO
O SUMIÇO DO PEN DRIVE
Houve época em que a força bruta era poder. Houve uma época em que a riqueza era poder. Hoje, informação é poder. Quanto mais informados (mas notem, isto não tem a ver necessariamente com conhecimento ou com sabedoria), mais poderosos somos, ao menos teoricamente(a). Daí esta avalanche, este tsunami de informações. A cotação do dólar, a taxa de inflação, o número de casos de determinada doença, candidatos dos vários partidos, a escalação de times de futebol – nomes e números em profusão, que nos chegam por jornais, revistas, livros, filmes, noticiários de rádio, internet, e que tratamos de armazenar em nossa mente.
Aí surge o problema: para armazenar a informação, a natureza nos deu um cérebro, que é a sede da memória(c). E nesta memória queremos enfiar o máximo possível de informações. Diferente da memória do computador, porém, a nossa é governada por fatores que nada têm a ver com a informática. O estado de nossas células cerebrais, as nossas emoções; tudo isso pode representar uma limitação para nossa capacidade de lembrar. Coisa que sistematicamente negamos. Como alguém que está se preparando para uma longa viagem (e o que é a vida, senão uma viagem que esperamos longa?), tratamos de socar na mala da memória a maior quantidade possível de coisas. As malas até podem se submeter, mas a memória simplesmente não aceita a nossa irracionalidade.
Felizmente a tecnologia tem vindo em nosso auxílio. Primeiro foi o computador propriamente dito, com sua memória cada vez maior; depois, vieram os dispositivos de armazenamento, os CDs, os pen drives(b). Coisa incrível, o pen drive: um pequeno objeto no qual cabe uma existência, ou pelo menos uma importante parte dela. Para quem, como eu, viaja bastante e tem de trabalhar em aviões ou em hotéis, é um recurso precioso. No meu pen drive eu tinha artigos, material de consulta, endereços, telefones. A primeira coisa que eu fazia, ao sair de casa para ir ao aeroporto era colocar o pen drive num lugar que eu imaginava seguro: o bolso da camisa. Seguro – e simbólico, já que o pen drive ficava próximo ao coração.
Vocês já notaram que estou usando os verbos no passado – passado imperfeito, aliás. E isso por boas razões. Esses tempos, ao chegar ao aeroporto, meti a mão no bolso para dali retirar o pen drive. Mas não encontrei pen drive algum. Encontrei um buraco, verdade que pequeno, mas de tamanho suficiente para dar passagem (ou para dar a liberdade?) ao pen drive. Que tinha caído por ali.
Um transtorno, portanto. Perguntei no aeroporto, entrei em contato com o táxi que me trouxera, liguei para casa: nada(d). O pen drive tinha mesmo sumido. O buraco da camisa era, portanto, um buraco negro, aqueles orifícios do universo em que toda a energia é sugada e some. Antes que vocês me repreendam, devo dizer que tinha tomado minhas precauções: havia cópia de todo o material, nada se perdeu. Mas o episódio me inspirou várias reflexões. De repente eu me dava conta de como nossa existência é frágil, de como somos governados pelo acaso e pelo imprevisto. Nenhuma queixa contra o pen drive, que veio para ficar; aliás, meu palpite é que, no dia do Juízo Final, cada um de nós vai inserir o pen drive de sua vida no Grande Computador Celestial. Virtudes e pecados serão instantaneamente cotejados e o destino final, Céu ou Inferno, decidido de imediato. Pergunta: o que acontecerá com aqueles que, por causa de um buraco na camisa, perderam o pen drive?.
Fonte: Moacyr Scliar. Zero Hora (RS), 11/5/2010.
Disponível em: http://www.academia.org.br/abl/cgi/cgilua.exe/sys/start.htm?infoid=10352&sid=695.
Acesso em: 31/7/2013.
Considerando o contexto em que os fragmentos ocorrem, analise as asserções e assinale a alternativa CORRETA.
Provas
Questão presente nas seguintes provas
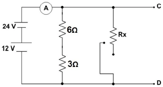
Considere o circuito esquematizado na figura. Sabe-se que a resistência variável Rx pode assumir valores internos entre 0 e 30 !$ \Omega !$.

Determine o valor de uma resistência Rx, se !$ R_{CD} = 18 \, \Omega !$ for conectada aos pontos C e D e o valor da corrente indicada pelo amperímetro for de 7,5 A.
Provas
Questão presente nas seguintes provas
Os valores recomendados de iluminância para um laboratório químico de uma central elétrica, em lux, são:
Provas
Questão presente nas seguintes provas
TEXTO
A CARA VIDA MODERNA
Meu primeiro celular parecia um tijolo. Difícil de carregar. Pior ainda, de funcionar. A linha vivia com sinal de ocupado. Mesmo assim era um luxo! Lembro quando liguei pela primeira vez para minha amiga Vera:
— Estou em Brasília, no meu celular — contei.
— Também quero um! — ela gritou, entusiasmada.
De novidade, tornou-se essencial. Agora esses aparelhos são mínimos, fotografam, tocam músicas e acessam a internet. Viver sem um é estar desconectado(d). No fim do mês vem a conta. Sempre me assusto! As operadoras oferecem pacotes. E de pacote em pacote às vezes eu me sinto embrulhado! Compro por puro entusiasmo uma série de serviços que não uso depois! Um amigo meu tem três celulares. Durante um jantar, falava em todos ao mesmo tempo, enquanto eu tentava conversar. Imagino a conta!
A cada dia inventam algo que imediatamente se torna indispensável. Impossível encontrar um adolescente que não sinta necessidade de um laptop. Se não tem, voa para uma lan house. A internet ficou tão importante quanto as calças que estou vestindo. O laptop de um jovem ator quebrou às vésperas de ele sair em turnê pelo país com um espetáculo. Está desesperado.
— Vou perder meu contato com o mundo!
É verdade! E-mails, redes de relacionamento e blogs são vitais para boa parte das pessoas. Tudo isso custa: o orçamento cresce em eletricidade, conexões de banda larga e equipamentos — os avanços são rápidos, é preciso renovar sempre. Falando em avanços: um amigo formou uma excelente coleção de clássicos de cinema em vídeo. Jogou fora e iniciou outra ao surgir o DVD. Agora veio o Blu-ray. O coitado quase explodiu de tão estressado! Mas é impossível permanecer com o equipamento antigo. Em pouco tempo some das lojas. Toca comprar tudo novo!
A TV por assinatura tornou-se um sonho de consumo. E os televisores em si? Todo dia fico sabendo de uma tela maior, mais fina e com melhor imagem. Sem falar nos eletrodomésticos, mais e mais sofisticados. Quando comprei o meu primeiro freezer, há muito tempo, um amigo riu:
— Para que uma coisa dessas?
Hoje ninguém dispensa um freezer. Qualquer item da vida pode se sofisticar: faz-se café expresso em casa, sorvete, iogurte e até pão. Ninguém tem tudo, é fato. Mas todo mundo tenta ter algum novo e fantástico produto!(a)
Passada a garantia, é difícil consertar qualquer aparelho. O preço raramente compensa. E logo quebra de novo, mesmo porque muitos técnicos de antigamente perderam o pé nos digitais!
Viver ficou muito mais caro. Antes eu parava o carro na rua, agora é Zona Azul ou estacionamento particular; os cinemas aumentaram o valor dos ingressos porque investem em tecnologia; cabeleireiros sofisticaram os produtos; banho em cachorro é melhor no pet shop; é essencial um cartão de crédito, mas vem a anuidade. Além de um bom plano de saúde, é ideal também um de aposentadoria. Tenho certeza: daqui a pouco descobrirei algo absolutamente essencial de cuja existência até agora não tinha o menor conhecimento!
Mas os salários não subiram na mesma proporção. No passado era mais fácil cortar gastos. Agora, não. Muitas despesas não podem mais sair do orçamento(c). Contatos profissionais, bancários e muitos serviços públicos acontecem através de celulares e da internet(b). Já conheci gente com falta de dinheiro para comer, mas sem poder abdicar do celular!
Fonte: Walcyr Carrasco.
Disponível em: http://vejasp.abril.com.br/materia/a-cara-vida-moderna.
Acesso em: 31/7/2013.
O trecho que justifica o título do texto é:
Provas
Questão presente nas seguintes provas
Uma pequena bola é lançada em um sistema vertical de tubos configurados, conforme o esquema abaixo. Em cada ponto de bifurcação, a probabilidade de a bola seguir pelo tubo à direita ou pelo tubo à esquerda está também expressa no esquema.
A probabilidade de que a bola caia na cesta A é de:
Provas
Questão presente nas seguintes provas
Cadernos
Caderno Container