Foram encontradas 62 questões.
Sabe-se que em Universidades, por disposições estatutárias e regimentais, além das atividades de ensino, os profissionais realizam atividades de pesquisa e de extensão. Com relação às questões de segurança do trabalho, assinale a alternativa CORRETA.
Provas
Questão presente nas seguintes provas
Leia o texto 3 para responder a questão.
TEXTO 3
LEGADO AOS NOSSOS FILHOS
Uma importante empresa financeira me chamou para falar com alguns clientes. [...] Uma sugestão de tema que me deram foi: "O que esperamos de nossos filhos no futuro". [...]
O mundo avança em vertiginosas transformações, e não é só nas finanças ou economia mundiais: ele se transforma a todo momento em nossos usos e costumes, na vida, no trabalho, nos governos, na família, nos modelos que nos são apresentados, em nossa capacidade de fazer descobertas, no progresso e na decadência.
O que nos enche de perplexidade, quando o assunto é filhos, é a parte de tudo isso que não conseguimos controlar, que é maior do que a outra. [...]
Gosto de pensar na perplexidade quanto ao legado que podemos deixar no que depende de nós. Que não é nem aquele legado alardeado por nossos pais – a educação e o preparo – nem é o valor em dinheiro ou bens, que se evaporam ao primeiro vendaval nas finanças ou na política. A mim me interessam outros bens, outros valores, os valores morais. O termo "morais" faz arquear sobrancelhas, cheira a religiosidade ou a moralismo, a preconceito de fariseu. Mas não é disso que falo: moralidade não é moralismo, e moral todos temos de ter. A gente gosta de dizer que está dando valores aos filhos. Pergunto: que valores? Morais, ora, decência, ética, trabalho, justiça social, por exemplo. [...]
Não adianta falar em ética, se vasculho bolsos e gavetas de meus filhos, se escuto atrás da porta ou na extensão do telefone – a não ser que a ameaça das drogas justifique essa atitude. Não adianta falar de justiça, se trato miseravelmente meus funcionários. Não se pode falar em decência, se pulamos a cerca deslavadamente, quem sabe até nos fanfarronando diante dos filhos homens: ah, o velho aqui ainda pode! Nem se deve pensar em respeito, se desrespeitamos quem nos rodeia, e isso vai dos empregados ao parceiro ou parceira, passando pelos filhos, é claro. Se sou tirana, egoísta, bruta; [...] se vivo acima das minhas possibilidades e ensino isso aos meus filhos, o efeito sobre a moral deles e sua visão da vida vai ser um desastre.
Temos então de ser modelos? Suprema chatice. Não, não temos de ser modelos: nós somos aquele primeiro modelo que crianças recebem e assimilam, e isso passa pelo ar, pelos poros, pelas palavras, silêncios e posturas. [...]
[...] O palavrório sobre o que legaremos aos nossos filhos será vazio, se nossas atitudes forem egoístas, burras, grosseiras ou maliciosas. O resto é conversa fiada para a qual, neste tempo de graves assuntos, não temos tempo.
Luft, Lya. Disponível em: http://veja.abril.com.br/151008/p_024.shtml
Acesso em 13/9/2013.(Adaptado)
O trecho ah! O velho aqui ainda pode
Provas
Questão presente nas seguintes provas
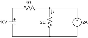
Considere o circuito abaixo:

O valor da corrente i é:
Provas
Questão presente nas seguintes provas
Os motores de indução trifásicos com 12 terminais externos, como apresentados nas figuras abaixo, têm quatro tipos possíveis de ligações das bobinas e terminais. Por exemplo, a figura i mostra uma conexão em estrela com as bobinas ligadas em série para uma tensão de 760 V.

Assinale a alternativa que indica o valor das tensões para as ligações das Figuras (i), (ii), (iii) e (iv).
Provas
Questão presente nas seguintes provas
Sobre uma laje retangular de dimensões 8 metros por 10 metros será construído um telhado, conforme a figura:

A área total do telhado será de:
Provas
Questão presente nas seguintes provas
A potência que não realiza trabalho, associada a energias armazenadas em campos elétricos e magnéticos, é denominada:
Provas
Questão presente nas seguintes provas
Leia o texto 2 para responder a questão.
TEXTO 2
O NOVO TRABALHO
Denise Fincato
O mundo do trabalho vive tempos de grandes mudanças. Está difícil para o sistema capitalista compreender a transposição de seu paradigma e a chegada inevitável a novos padrões de relacionamento laboral. Nem todos caminham juntos, como é hábito entre os humanos. Mas, desde a Revolução Francesa, fala-se em reger as relações sociais a partir dos acordes da igualdade, liberdade e fraternidade. As três notas deveriam operar de forma harmônica, mas nem sempre se dança a mesma melodia, mesmo em países desenvolvidos, sociais e democráticos.
Durante séculos, a humanidade lutou pelo trabalho livre, e o resultado é que hoje, para a maioria das nações, a escravidão é um capítulo de sua história. Lutou-se também por igualdade nas condições de trabalho. Em diversos setores, a igualdade é o princípio que se reflete na prática. Mas sobre o princípio da fraternidade pouco se falou. Nas relações de trabalho, então, nada se fala. Talvez, como alguns apontam, porque se o entenda pressuposto dos demais princípios. Talvez, como outros pontuam, porque este acorde tenha ficado esquecido, alijado das sinfonias de reivindicações excessivamente pragmáticas e imediatistas.
A fraternidade não supõe amar o outro. Antes disso, supõe ver o outro. As relações humanas fugazes e líquidas, a globalização e a crescente "tecnologização" do labor tornam as relações de trabalho mais mecânicas, distantes e frias. Ver o outro realmente é difícil, quanto mais neste cenário. É então que a intervenção estatal é necessária. Verdadeira lente que corrige miopias sociais, a atuação do Estado deve ocorrer no desiderato* de "re-harmonização" dos acordes primários (igualdade, liberdade e fraternidade). Isto talvez explique o porquê da chamada PEC das Domésticas, assinalando que, no particular, se trata de uma acomodação mundial e não apenas brasileira.
É lugar-comum que nas relações economicamente desiguais a liberdade tende a escravizar e a lei tende a libertar. O novo trabalho deve ser mais que igual e livre. Deve ser fraterno. O problema é que não há lei que obrigue à fraternidade. Ela é fruto do sentir-se e saber-se humano.
02 de maio de 2013
http://wp.clicrbs.com.br/opiniaozh/2013/05/02/artigo-o-novo-trabalho/ (Adaptado)
*desiderato = desejo, intenção.
O texto 2, como ideia central, defende:
Provas
Questão presente nas seguintes provas
Considere o circuito elétrico apresentado abaixo, em que os terminais X-Y estão em curto circuito:

O valor da resistência equivalente nos terminais T e Z é:
Provas
Questão presente nas seguintes provas
Uma árvore de Natal será iluminada por meio de um circuito elétrico com 12 lâmpadas de 10 V ligado à uma rede elétrica de 120 V. A potência de cada lâmpada é de 5 watts. A corrente elétrica circulante e o tipo de ligação empregada, de forma a não queimar as lâmpadas, são:
Provas
Questão presente nas seguintes provas
No que se refere às obrigações dos empregados, de acordo com o artigo 158 da CLT - Consolidação das Leis do Trabalho, analise as proposições abaixo:
I – Compete ao empregado observar as normas de segurança e medicina do trabalho, constituindo ato faltoso do empregado a recusa injustificada pela colaboração com a empresa na aplicação e na observância das instruções expedidas pelo empregador quanto às precauções a tomar, no sentido de evitar acidentes do trabalho ou doenças ocupacionais.
II – Compete ao empregado observar as normas de segurança e medicina do trabalho, constituindo ato faltoso do empregado a recusa injustificada ao uso dos equipamentos de proteção individual fornecidos pela empresa.
III – Compete ao empregado observar as normas de segurança e medicina do trabalho, constituindo ato faltoso do empregado a recusa injustificada de promover a fiscalização do cumprimento das normas de segurança e medicina do trabalho.
IV – Compete ao empregado observar as normas de segurança e medicina do trabalho, constituindo ato faltoso do empregado a recusa injustificada de se candidatar como representante dos empregados na CIPA.
Julgue as proposições e assinale a alternativa CORRETA.
Provas
Questão presente nas seguintes provas
Cadernos
Caderno Container