Foram encontradas 65 questões.
Conhecendo-se as máximas tensões suportadas por determinado material, é possível determinar se um elemento estrutural composto desse material irá suportar ou não as condições de carregamento a ele impostas. Para isso, é necessário calcular quais são as máximas tensões decorrentes do carregamento e comparar com as máximas tensões suportadas pelo material. Nesse contexto, considere uma barra metálica cilíndrica de 40 mm de diâmetro e 10 cm de comprimento, com uma extremidade engastada e outra livre. Uma força axial de 3,14 kN é aplicada na extremidade livre. A máxima tensão normal sobre a barra é de
Provas
Questão presente nas seguintes provas
O torneamento é um processo de usinagem destinado à obtenção de superfícies de revolução que pode ser realizado sobre a maioria das ligas metálicas. Nas operações de torneamento, um parâmetro importante a ser monitorado é o tempo de corte. Considere o torneamento de um eixo com as seguintes características:
• velocidade de corte: 80 m/min
• comprimento a usinar: 700 mm
• diâmetro da peça: 35 mm
• avanço: 0,4 mm/rotação
• número de passes: 4
• rotações disponíveis no torno: 400 – 500 – 600 – 700 – 800 rpm
• comprimento a usinar: 700 mm
• diâmetro da peça: 35 mm
• avanço: 0,4 mm/rotação
• número de passes: 4
• rotações disponíveis no torno: 400 – 500 – 600 – 700 – 800 rpm
Considerando a profundidade de corte de 10/π mm e a pressão específica de corte de 1200 N/mm2, a potência de corte será de:
Provas
Questão presente nas seguintes provas
Para transferir força e movimento, a polia é um elemento de máquina muito utilizado. A polia é peça movimentada pela ação de um eixo motor e por correia. No caso de uma polia movida com 30 cm de diâmetro e rotação de 1 200 rpm, a rotação a ser desenvolvida pela polia motora, com 10 cm de diâmetro, é de
Provas
Questão presente nas seguintes provas
As bombas são máquinas comumente utilizadas para o transporte de líquidos. Elas podem ser de dois tipos: turbobombas (ou dinâmicas) e bombas volumétricas (ou de deslocamento positivo). Com relação às bombas volumétricas, é CORRETO afirmar que
Provas
Questão presente nas seguintes provas
Um joelho de PVC de 90° e de diâmetro 100 mm para uma tubulação de água é da forma (Figura 1):

Para saber o quanto de material utilizado para a construção do joelho é necessário calcular sua área. Esse cálculo é complexo. Um cálculo aproximado para o valor da área do joelho é obtido considerando-se o dobro da área da figura plana (Figura 2).

Nesse caso, o valor aproximado da área do joelho será:
Provas
Questão presente nas seguintes provas
As válvulas são equipamentos empregados em sistemas de acionamentos hidráulicos e pneumáticos. Considere o seguinte símbolo de uma válvula pneumática.

A referida válvula direcional é:
Provas
Questão presente nas seguintes provas
A associação de capacitores é encontrada em circuitos elétricos. Encontre a capacitância equivalente do seguinte arranjo de capacitores:

Provas
Questão presente nas seguintes provas
TEXTO 4
O VOLUME DE ÁGUA EXISTENTE NA TERRA É CONSTANTE?
Sim. Como um sistema fechado, o volume total absoluto de água no planeta é constante. O ciclo hidrológico não tem começo nem fim e envolve muitos processos, desde a evaporação – os oceanos respondem por 98% do total evaporado – até o acúmulo de água das chuvas, que volta aos rios e mares, e a infiltração, que formará cursos de água subterrâneos. A diferença entre o volume total e a água armazenada no subsolo e nas geleiras representa a quantidade disponível. Esta, sim, varia, mas em períodos que podem se estender de cem a 1 milhão de anos.
Fonte: O volume de água existente na Terra é constante? (Adaptado) Disponível em: http://mundoestranho.abril.com.br/materia/o-volume-de-agua-existente-na-terra-e-constante. Acesso em 11 ago 2014.
Infere-se do texto que:
Provas
Questão presente nas seguintes provas
Instruções: Leia os textos 2 e 3 para responder a questão.
TEXTO 2

Fonte: Disponível em: http://mundodaquimica2010.
blogspot.com.br/2010/12/charge-preserve-agua.html Acesso em: 11 ago 2014.
TEXTO 3

Fonte: LIMA. Clóvis. Disponível em: http://geografianovest.
blogspot.com.br/2012/06/desmatamento-em-charges.html. Acesso em: 11 ago 2014.
Leia os fragmentos e assinale a alternativa que apresenta problema de paralelismo sintático:
Provas
Questão presente nas seguintes provas
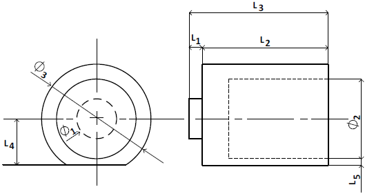
O desenho técnico serve de auxílio na comunicação entre operadores, técnicos e engenheiros para a produção de peças em geral. Dadas as vistas frontal e lateral esquerda de uma peça, conforme desenho abaixo:

Pode-se afirmar que a vista em perspectiva dessa peça é representada por:
Provas
Questão presente nas seguintes provas
Cadernos
Caderno Container