Foram encontradas 65 questões.
TEXTO 1
REUSO DE ÁGUA
A reutilização ou reuso de água [...] não é um conceito novo e tem sido praticado em todo o mundo há muitos anos. Existem relatos de sua prática(I) na Grécia Antiga, com a disposição de esgotos e sua utilização na irrigação. No entanto, a demanda crescente por água tem feito do reuso planejado da água um tema atual e de grande importância. Nesse sentido, deve-se considerar o reuso de água como parte de uma atividade mais abrangente que é o uso racional ou eficiente da água, o qual(II) compreende também o controle de perdas e desperdícios, e a minimização da produção de efluentes e do consumo de água.
Dentro dessa ótica(III), os esgotos tratados têm um papel fundamental no planejamento e na gestão sustentável dos recursos hídricos como um substituto para o uso de águas destinadas a fins agrícolas e de irrigação, entre outros. Ao liberar as fontes de água de boa qualidade para abastecimento público e outros usos prioritários, o uso de esgotos contribui para a conservação dos recursos e acrescenta uma dimensão econômica ao planejamento dos recursos hídricos.
O “reuso” reduz a demanda sobre os mananciais de água devido à substituição da água potável por uma água de qualidade inferior. Essa prática, atualmente muito discutida, posta em evidência e já utilizada em alguns países é baseada no conceito de substituição de mananciais. Tal substituição é possível em função da qualidade requerida para um uso específico. Dessa forma, grandes volumes de água potável(IV) podem ser poupados pelo reuso quando se utiliza água de qualidade inferior (geralmente efluentes pós-tratados)(IV) para atendimento das finalidades que podem prescindir desse recurso dentro dos padrões de potabilidade.
Fonte: CETESB. Reuso de água. Disponível em:
http://www.cetesb.sp.gov.br/agua/%C3%81guas-Superficiais/39-Reuso-de-%C3%81gua. Acesso em: 11 ago 2014.
Considerando os mecanismos de coesão textual, analise as proposições abaixo.
I – A expressão “relatos de sua prática” retoma a expressão “reutilização ou reuso de água”
II – A expressão “o qual” retoma a expressão “reuso de água”
III – A expressão “dentro dessa ótica” refere-se ao uso racional ou eficiente da água por meio de procedimentos diversos.
IV – A expressão “geralmente efluentes pós-tratados” recupera a expressão “água potável”.
II – A expressão “o qual” retoma a expressão “reuso de água”
III – A expressão “dentro dessa ótica” refere-se ao uso racional ou eficiente da água por meio de procedimentos diversos.
IV – A expressão “geralmente efluentes pós-tratados” recupera a expressão “água potável”.
Assinale a alternativa CORRETA.
Provas
Questão presente nas seguintes provas
Em alguns países, a unidade de medida da temperatura é dada em graus Celsius e, em outros, em graus Fahrenheit. As duas unidades de medida estão relacionadas pela expressão:
!$ { \Large { T_C \over 5}} = { \Large { T_F - 32 \over 9}} !$
em que TC denota a temperatura em graus Celsius e TF a temperatura em graus Fahrenheit.
Assinale a alternativa CORRETA.
Provas
Questão presente nas seguintes provas
Uma caldeira está regulada para que, em cada ciclo de 1 hora de funcionamento, 20% de seu conteúdo evapore. Após 3 ciclos de 1 hora de funcionamento, sendo que nada é acrescentado à caldeira, o volume restante na caldeira em porcentagem do volume inicial é:
Provas
Questão presente nas seguintes provas
TEXTO 4
O VOLUME DE ÁGUA EXISTENTE NA TERRA É CONSTANTE?
Sim. Como um sistema fechado, o volume total absoluto de água no planeta é constante. O ciclo hidrológico não tem começo nem fim e envolve muitos processos, desde a evaporação – os oceanos respondem por 98% do total evaporado – até o acúmulo de água das chuvas, que volta aos rios e mares, e a infiltração, que formará cursos de água subterrâneos. A diferença entre o volume total e a água armazenada no subsolo e nas geleiras representa a quantidade disponível. Esta, sim, varia, mas em períodos que podem se estender de cem a 1 milhão de anos.
Fonte: O volume de água existente na Terra é constante? (Adaptado) Disponível em: http://mundoestranho.abril.com.br/materia/o-volume-de-agua-existente-na-terra-e-constante. Acesso em 11 ago 2014.
No fragmento: “O ciclo hidrológico não tem começo nem fim e envolve muitos processos, desde a evaporação – os oceanos respondem por 98% do total evaporado – até o acúmulo de água das chuvas, que volta aos rios e mares, e a infiltração, que formará cursos de água subterrâneos." Os termos sublinhados fornecem a ideia de
Provas
Questão presente nas seguintes provas
O desenho técnico serve de auxílio na comunicação entre operadores, técnicos e engenheiros para a produção de peças em geral. Dadas as vistas frontal e lateral esquerda de uma peça, conforme desenho abaixo:

Considerando as cotas representadas no desenho, é CORRETO afirmar que os valores de L2 e L4 são, respectivamente:
Provas
Questão presente nas seguintes provas
Pode-se encher um tanque de água utilizando duas torneiras. Uma delas enche o tanque em 10 minutos e a outra, em 30 minutos. O tempo necessário para encher o tanque, utilizando ao mesmo tempo as duas torneiras, é:
Provas
Questão presente nas seguintes provas
J.B.S. é servidor público de universidade federal e sua relação funcional é regida pela Lei nº 8.112/90 e suas alterações. Em 10 de junho de 2014, foi concedida licença por motivo de doença em pessoa de sua família. Analise as proposições abaixo:
I – A licença por motivo de doença em pessoa da família pode ser concedida por até 60 (sessenta) dias, consecutivos ou não, mantida a remuneração do servidor.
II – A licença por motivo de doença em pessoa da família somente será deferida se a assistência direta do servidor for indispensável e não puder ser prestada simultaneamente com o exercício do cargo ou mediante compensação de horário.
III – A licença por motivo de doença em pessoa da família poderá ser concedida a cada período de 24 (vinte e quatro) meses.
IV – Poderá ser concedida ao servidor licença por motivo de doença do cônjuge ou companheiro, dos pais, dos filhos, do padrasto ou madrasta e enteado, ou dependente que viva a suas expensas e conste do seu assentamento funcional, mediante comprovação por perícia médica oficial.
Marque a alternativa CORRETA.
Provas
Questão presente nas seguintes provas
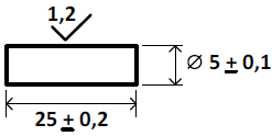
Considere o desenho abaixo e suas respectivas cotas (medidas em mm):

Assinale a alternativa CORRETA. Estará dentro da tolerância dimensional, uma peça com os seguintes valores:
Provas
Questão presente nas seguintes provas
Uma máquina universal de ensaio é utilizada em diversos tipos de ensaio, sendo um deles o ensaio de tração. Considerando esse tipo de ensaio, uma amostra confeccionada em alumínio foi testada, obtendo-se o módulo de elasticidade igual a 70 GPa. Sendo um valor de tensão apresentado em um ponto da região elástica do gráfico tensão x deformação igual a 35 MPa, a deformação específica nesse ponto do gráfico corresponde a
Provas
Questão presente nas seguintes provas
Considere o desenho em perspectiva de uma peça, conforme a figura abaixo com suas respectivas indicações das vistas:

A vista frontal dessa peça pode ser representada por:
Provas
Questão presente nas seguintes provas
Cadernos
Caderno Container