Foram encontradas 65 questões.
Quando se introduz um núcleo de ferrite no interior de um indutor,
Provas
Questão presente nas seguintes provas
TEXTO 4
O VOLUME DE ÁGUA EXISTENTE NA TERRA É CONSTANTE?
Sim. Como um sistema fechado, o volume total absoluto de água no planeta é constante. O ciclo hidrológico não tem começo nem fim e envolve muitos processos, desde a evaporação – os oceanos respondem por 98% do total evaporado – até o acúmulo de água das chuvas, que volta aos rios e mares, e a infiltração, que formará cursos de água subterrâneos. A diferença entre o volume total e a água armazenada no subsolo e nas geleiras representa a quantidade disponível. Esta, sim, varia, mas em períodos que podem se estender de cem a 1 milhão de anos.
Fonte: O volume de água existente na Terra é constante? (Adaptado) Disponível em: http://mundoestranho.abril.com.br/materia/o-volume-de-agua-existente-na-terra-e-constante. Acesso em 11 ago 2014.
Infere-se do texto que:
Provas
Questão presente nas seguintes provas
Instruções: Leia os textos 2 e 3 para responder a questão.
TEXTO 2

Fonte: Disponível em: http://mundodaquimica2010.
blogspot.com.br/2010/12/charge-preserve-agua.html Acesso em: 11 ago 2014.
TEXTO 3

Fonte: LIMA. Clóvis. Disponível em: http://geografianovest.
blogspot.com.br/2012/06/desmatamento-em-charges.html. Acesso em: 11 ago 2014.
Leia os fragmentos e assinale a alternativa que apresenta problema de paralelismo sintático:
Provas
Questão presente nas seguintes provas
Segundo o Regimento Geral da Universidade Federal de Lavras, cometer ato de ofensa, desrespeito, desobediência, desacato ou qualquer ato que implique indisciplina; descumprir normas e regulamentos da Instituição, bem como praticar conduta incompatível com a dignidade universitária constituem infrações disciplinares. Considerando a gravidade do caso, é passível a penalidade, EXCETO:
Provas
Questão presente nas seguintes provas
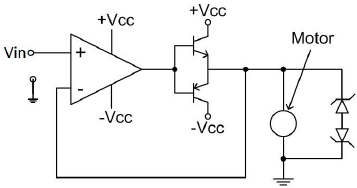
Os motores de corrente contínua (cc) estão presentes em diversos equipamentos. Considere o seguinte circuito de acionamento de um motor cc:

É CORRETO afirmar:
Provas
Questão presente nas seguintes provas
O torneamento em máquinas operatrizes CNC é utilizado para usinar peças cilíndricas com precisão. Considere o comando para descrever a trajetória de uma ferramenta de corte, partindo do ponto A para o ponto B, conforme ilustração abaixo:

O comando utilizado via código G, para representar essa operação, é:
Provas
Questão presente nas seguintes provas
Estações de trabalho para o processamento de determinado tipo de produto e visando a volumes muito grandes de produção estão relacionadas com a
Provas
Questão presente nas seguintes provas
TEXTO 1
REUSO DE ÁGUA
A reutilização ou reuso de água [...] não é um conceito novo e tem sido praticado em todo o mundo há muitos anos. Existem relatos de sua prática na Grécia Antiga, com a disposição de esgotos e sua utilização na irrigação. No entanto, a demanda crescente por água tem feito do reuso planejado da água um tema atual e de grande importância. Nesse sentido, deve-se considerar o reuso de água como parte de uma atividade mais abrangente que é o uso racional ou eficiente da água, o qual compreende também o controle de perdas e desperdícios, e a minimização da produção de efluentes e do consumo de água.
Dentro dessa ótica, os esgotos tratados têm um papel fundamental no planejamento e na gestão sustentável dos recursos hídricos como um substituto para o uso de águas destinadas a fins agrícolas e de irrigação, entre outros. Ao liberar as fontes de água de boa qualidade para abastecimento público e outros usos prioritários, o uso de esgotos contribui para a conservação dos recursos e acrescenta uma dimensão econômica ao planejamento dos recursos hídricos.
O “reuso” reduz a demanda sobre os mananciais de água devido à substituição da água potável por uma água de qualidade inferior. Essa prática, atualmente muito discutida, posta em evidência e já utilizada em alguns países é baseada no conceito de substituição de mananciais. Tal substituição é possível em função da qualidade requerida para um uso específico. Dessa forma, grandes volumes de água potável podem ser poupados pelo reuso quando se utiliza água de qualidade inferior (geralmente efluentes pós-tratados) para atendimento das finalidades que podem prescindir desse recurso dentro dos padrões de potabilidade.
Fonte: CETESB. Reuso de água. Disponível em:
http://www.cetesb.sp.gov.br/agua/%C3%81guas-Superficiais/39-Reuso-de-%C3%81gua. Acesso em: 11 ago 2014.
O sinal de pontuação mais adequado para ocupar o espaço entre parênteses é
os esgotos tratados têm um papel fundamental no planejamento e na gestão sustentável dos recursos hídricos ( ) pois funcionam como um substituto para o uso de águas destinadas a fins agrícolas e de irrigação, contribuem para a conservação dos recursos e acrescentam uma dimensão econômica ao planejamento dos recursos hídricos.
Provas
Questão presente nas seguintes provas
TEXTO 1
REUSO DE ÁGUA
A reutilização ou reuso de água [...] não é um conceito novo e tem sido praticado em todo o mundo há muitos anos. Existem relatos de sua prática(I) na Grécia Antiga, com a disposição de esgotos e sua utilização na irrigação. No entanto, a demanda crescente por água tem feito do reuso planejado da água um tema atual e de grande importância. Nesse sentido, deve-se considerar o reuso de água como parte de uma atividade mais abrangente que é o uso racional ou eficiente da água, o qual(II) compreende também o controle de perdas e desperdícios, e a minimização da produção de efluentes e do consumo de água.
Dentro dessa ótica(III), os esgotos tratados têm um papel fundamental no planejamento e na gestão sustentável dos recursos hídricos como um substituto para o uso de águas destinadas a fins agrícolas e de irrigação, entre outros. Ao liberar as fontes de água de boa qualidade para abastecimento público e outros usos prioritários, o uso de esgotos contribui para a conservação dos recursos e acrescenta uma dimensão econômica ao planejamento dos recursos hídricos.
O “reuso” reduz a demanda sobre os mananciais de água devido à substituição da água potável por uma água de qualidade inferior. Essa prática, atualmente muito discutida, posta em evidência e já utilizada em alguns países é baseada no conceito de substituição de mananciais. Tal substituição é possível em função da qualidade requerida para um uso específico. Dessa forma, grandes volumes de água potável(IV) podem ser poupados pelo reuso quando se utiliza água de qualidade inferior (geralmente efluentes pós-tratados)(IV) para atendimento das finalidades que podem prescindir desse recurso dentro dos padrões de potabilidade.
Fonte: CETESB. Reuso de água. Disponível em:
http://www.cetesb.sp.gov.br/agua/%C3%81guas-Superficiais/39-Reuso-de-%C3%81gua. Acesso em: 11 ago 2014.
Considerando os mecanismos de coesão textual, analise as proposições abaixo.
I – A expressão “relatos de sua prática” retoma a expressão “reutilização ou reuso de água”
II – A expressão “o qual” retoma a expressão “reuso de água”
III – A expressão “dentro dessa ótica” refere-se ao uso racional ou eficiente da água por meio de procedimentos diversos.
IV – A expressão “geralmente efluentes pós-tratados” recupera a expressão “água potável”.
II – A expressão “o qual” retoma a expressão “reuso de água”
III – A expressão “dentro dessa ótica” refere-se ao uso racional ou eficiente da água por meio de procedimentos diversos.
IV – A expressão “geralmente efluentes pós-tratados” recupera a expressão “água potável”.
Assinale a alternativa CORRETA.
Provas
Questão presente nas seguintes provas
Se o período de um sinal de clock é de 100 ms e seu duty cycle (ciclo de trabalho) é de 75%, o sinal fica em nível lógico ativo por:
Provas
Questão presente nas seguintes provas
Cadernos
Caderno Container