Foram encontradas 50 questões.
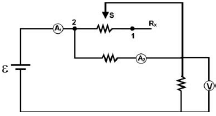
No circuito abaixo, !$ A_1 !$ e !$ A_ 2 !$ são amperímetros, V é um voltímetro e !$ R_X !$ é um resistor variável. Considere a seguinte experiência: o cursor S é movido lentamente do ponto 1 para o ponto 2, enquanto a bateria !$ ε !$ mantém a ddp constante em seus terminais. Se os medidores funcionarem adequadamente, deve-se observar as seguintes alterações nas suas leituras:

Provas
Questão presente nas seguintes provas
Não é modalidade de licitação:
Provas
Questão presente nas seguintes provas
Assinale a opção correta, considerando: “o servidor público da administração direta, autárquica e fundacional, no exercício de mandato eletivo”.
Provas
Questão presente nas seguintes provas
temperatura do ar, na superfície terrestre, não é a mesma em todos os pontos, acarretando uma mudança de direção nas ondas sonoras, devido às variações de velocidade ocorridas de ponto para ponto. Este fenômeno físico é conhecido como:
Provas
Questão presente nas seguintes provas
Uma partícula é abandonada, a partir do repouso, no ponto A de uma canaleta circular e seu atrito. A partícula deixa a canaleta no ponto B com velocidade horizontal e fica sob ação exclusiva da gravidade, até atingir o solo no ponto C, conforme mostra a figura abaixo. Desprezando-se a resistência do ar, pode-se afirmar que a distância D vale:

Provas
Questão presente nas seguintes provas
Quando se oferece um condutor, o que se deve fazer, para se manter a corrente elétrica constante?
Provas
Questão presente nas seguintes provas
Quando duplicamos o comprimento e o diâmetro do condutor a corrente elétrica:
Provas
Questão presente nas seguintes provas
Abandona-se uma esfera de massa 1,0 kg no ponto A indicado na figura abaixo. Na base B a esfera choca-se com uma mola de constante elástica !$ K=20 N/m !$. Desprezando-se as forças dissipativas, considerando !$ R=1,0 \, m !$ é !$ \vec{g} =10m/s^2 !$, é correto afirmar que a máxima deformação na mola será:

Provas
Questão presente nas seguintes provas
Um objeto real é colocado entre o foco e o vértice de um espelho esférico côncavo. As características de sua imagem são:
Provas
Questão presente nas seguintes provas
No circuito abaixo, !$ ε !$ indica uma bateria; !$ R_1 !$ e, !$ R_2 !$, resistências; A, B e C são aparelhos de medidas. Identifique

Provas
Questão presente nas seguintes provas
Cadernos
Caderno Container