Foram encontradas 45 questões.
- EletrotécnicaAnálise de Circuitos Elétricos
- EletrônicaCircuitos de Corrente Contínua em Eletroeletrônica
Analise o circuito seguinte:

Para o circuito mostrado, que representa uma das topologias de conversores CC/CC, todas as afirmativas estão corretas, EXCETO:
Provas
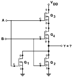
- EletrotécnicaCircuitos Lógicos e Álgebra Booleana em Eletrotécnica
- EletrônicaEletrônica Digital em Eletroeletrônica
Analise o funcionamento do circuito mostrado.

Considerando VDD igual a 5V e que as entradas A e B assumem os níveis de 0V e 5V, a função lógica da saída Y é
Provas
Provas
- EletrotécnicaAnálise de Circuitos Elétricos
- EletrônicaCircuitos de Corrente Contínua em Eletroeletrônica
Analise a figura, onde V1 = 18V e os resistores estão em ohms.

Nesse circuito, o potencial no ponto X é igual a:
Provas
Provas
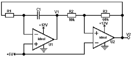
- EletrotécnicaCircuitos Lógicos e Álgebra Booleana em Eletrotécnica
- EletrônicaEletrônica Digital em Eletroeletrônica
Analise a figura:

Em relação a essa figura, as funções dos subcircuitos formados por R1/C1/U1 e R2/R3/U2 são, respectivamente,
Provas
Provas
O choque elétrico é ocasionado quando há uma descarga elétrica em uma pessoa e essa corrente passa pelo corpo humano utilizando-o como condutor elétrico.
São consequências do choque elétrico, EXCETO:
Provas
- EletrotécnicaCircuitos Lógicos e Álgebra Booleana em Eletrotécnica
- EletrônicaEletrônica Digital em Eletroeletrônica

Provas
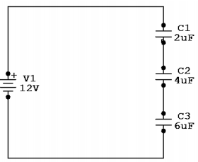
- EletrotécnicaAnálise de Circuitos Elétricos
- EletrônicaCircuitos de Corrente Contínua em Eletroeletrônica
Analise o seguinte circuito sobre os aspectos de carga e tensão nos capacitores.
Os valores de capacitância nesse circuito estão dados em microfarad.

Em relação ao circuito, é CORRETO afirmar que
Provas
Caderno Container