Foram encontradas 45 questões.
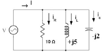
No circuito RLC paralelo abaixo, a fonte é de 120V, a resistência R= 10Ω, a reatância indutiva XL = 5Ω e a e reatância capacitiva XC = 2Ω.

O valor CORRETO para a impedância Z vista pela fonte de tensão é
Provas
Provas
Provas
Provas
Provas
Provas
TEXTO 3
“Aos Treze” mostra que é impossível ser só legal e sobreviver
NINA LEMOS
colunista da Folha
Quais foram os últimos sacrifícios que você fez só para tentar ficar amigo de alguém? Provavelmente, você mentiu um pouquinho sobre o seu gosto musical. Se todo mundo gosta daquela banda, quem sou eu para não gostar? Também deve ter mudado algumas vezes o seu jeito de se vestir. Porque, se você não acompanhar a moda, vai ser chamada de cafona. Existe acusação mais grave?
Não se assuste. Todo mundo, alguns pouco, outros mais, faz esse tipo de coisa. Mas, às vezes, o buraco é mais embaixo. E nós acabamos fazendo coisas que realmente nos machucam só para “pegar bem” com a galera. Não, não tem nada a ver com aquele papo de mãe sobre o problema de andar com más companhias. Segundo os psicanalistas, nós fazemos isso para sermos aceitos. E, mais do que isso, para ter uma imagem boa diante dos outros.
Isso porque a gente costuma usar os outros como espelho e, vez ou outra, cai no pensamento: “Se eles me acham legal, então eu sou legal”, “se eles me acham péssima, eu sou péssima”. Deu para entender? Isso vai ficar ainda mais claro se você for assistir ao filme “Aos Treze”, baseado na experiência de Nikki Reed, atriz e co-roteirista do filme. [...]
Disponível em: http://www1.folha.uol.com.br/folha/ilustrada/ult90u37912.shtml. Acesso em: 25 jan.2018.
Provas
TEXTO 3
“Aos Treze” mostra que é impossível ser só legal e sobreviver
NINA LEMOS
colunista da Folha
Quais foram os últimos sacrifícios que você fez só para tentar ficar amigo de alguém? Provavelmente, você mentiu um pouquinho sobre o seu gosto musical. Se todo mundo gosta daquela banda, quem sou eu para não gostar? Também deve ter mudado algumas vezes o seu jeito de se vestir. Porque, se você não acompanhar a moda, vai ser chamada de cafona. Existe acusação mais grave?
Não se assuste. Todo mundo, alguns pouco, outros mais, faz esse tipo de coisa. Mas, às vezes, o buraco é mais embaixo. E nós acabamos fazendo coisas que realmente nos machucam só para “pegar bem” com a galera. Não, não tem nada a ver com aquele papo de mãe sobre o problema de andar com más companhias. Segundo os psicanalistas, nós fazemos isso para sermos aceitos. E, mais do que isso, para ter uma imagem boa diante dos outros.
Isso porque a gente costuma usar os outros como espelho e, vez ou outra, cai no pensamento: “Se eles me acham legal, então eu sou legal”, “se eles me acham péssima, eu sou péssima”. Deu para entender? Isso vai ficar ainda mais claro se você for assistir ao filme “Aos Treze”, baseado na experiência de Nikki Reed, atriz e co-roteirista do filme. [...]
Disponível em: http://www1.folha.uol.com.br/folha/ilustrada/ult90u37912.shtml. Acesso em: 25 jan.2018.
Leia este trecho:
Todo mundo, alguns pouco, outros mais, faz esse tipo de coisa.
O termo destacado no texto classifica-se como
Provas
Em relação aos aspectos da construção do texto, leia estas afirmativas.
I. O termo “enquanto” indica simultaneidade temporal no trecho: “Enquanto o consumidor imagina que é um ser racional [...], a publicidade na TV abandona progressivamente essa ilusão”. (Linhas 1 e 2)
II. O pronome “essa” sinaliza equivalência possibilitada pelas relações semânticas entre “imaginar” e “ilusão” no trecho: “o consumidor imagina que é um ser racional [...], a publicidade na TV abandona progressivamente essa ilusão”. (Linhas 1 e 2)
III. A expressão “por isso”, com valor conclusivo, foi empregada como recurso de articulação entre dois parágrafos no trecho: “Por isso, a publicidade se despe momentaneamente de sua alegada função cívica”. (Linha 18)
Estão CORRETAS as assertivas
Provas
INSTRUÇÃO: Leia este cartum (Texto 2) para responder à questão.

Provas
Caderno Container