Foram encontradas 45 questões.
A questão refere-se ao Texto 1, a seguir. Leia-o com atenção, antes de respondê-la.
TEXTO 1
A mercadoria alucinógena
Enquanto o consumidor imagina que é um ser racional, dotado de juízo e de bom senso, a publicidade na TV abandona progressivamente essa ilusão. Em vez de argumentar para a razão do telespectador, ela apela para as sensações, para as revelações mágicas mais impossíveis. A marca de chicletes promete transportar o freguês para um tal “mundo do sabor” e mostra o garoto-propaganda levitando em outras esferas cósmicas. O adoçante faz surgirem do nada violinistas e guitarristas. O guaraná em lata provoca visões amazônicas no seu bebedor urbano, que passa a enxergar um índio, com o rosto pintado de bravura, no que seria o pálido semblante de um taxista. Seria o tal refrigerante uma versão comercial das beberagens do Santo Daime? Não, nada disso. São apenas os baratos astrais da nova tendência da publicidade. Estamos na era das mercadorias alucinógenas. Imaginariamente alucinógenas.
É claro que ninguém há de acreditar que uma goma de mascar, um adoçante ou um guaraná proporcionem a transmigração das almas. Ninguém leva os comerciais alucinógenos ao pé da letra, mas cada vez mais gente se deixa seduzir por eles. É que o encanto das mercadorias não está nelas, mas fora delas — e a publicidade sabe disso muito bem. Ela sabe que esse encanto reside na relação imaginária que ela, publicidade, fabrica entre a mercadoria e seu consumidor. Pode parecer um insulto à inteligência do telespectador, mas ele bem que gosta. É tudo mentira, mas é a maior viagem. A julgar pelo crescimento dessas campanhas, o público vibra ao ser tratado como quem se esgueira pelos supermercados à cata de alucinações.
Por isso, a publicidade se despe momentaneamente de sua alegada função cívica — a de informar o comprador para que ele exerça o seu direito de escolha consciente na hora da compra — e apenas oferece a felicidade etérea, irreal e imaterial, que nada tem a ver com as propriedades físicas (ou químicas) do produto. A publicidade é a fábrica do gozo fictício — e este gozo é a grande mercadoria dos nossos tempos, confortavelmente escondida atrás das bugigangas oferecidas. Quanto ao consumidor, compra satisfeito a alucinação imaginária. Ele também está cercado de muito conforto, protegido pela aparência de razão que todos fingem ser sua liberdade. Supremo fingimento. O consumidor não vai morrer de overdose dessa droga. Ele só teme ser barrado nos portais eletrônicos do imenso festim psicodélico. Morreria de frio e de abandono. Ele só teme passar um dia que seja longe de seu pequeno gozo alucinado.
BUCCI, Eugênio. Veja. São Paulo, 29 abr.1998. In: ANTUNES, Irandé. Análise de textos: fundamentos e práticas. São Paulo: Parábola Editorial, 2010. p.80-1. [Fragmento]
Provas
A questão refere-se ao Texto 1, a seguir. Leia-o com atenção, antes de respondê-la.
TEXTO 1
A mercadoria alucinógena
Enquanto o consumidor imagina que é um ser racional, dotado de juízo e de bom senso, a publicidade na TV abandona progressivamente essa ilusão. Em vez de argumentar para a razão do telespectador, ela apela para as sensações, para as revelações mágicas mais impossíveis. A marca de chicletes promete transportar o freguês para um tal “mundo do sabor” e mostra o garoto-propaganda levitando em outras esferas cósmicas. O adoçante faz surgirem do nada violinistas e guitarristas. O guaraná em lata provoca visões amazônicas no seu bebedor urbano, que passa a enxergar um índio, com o rosto pintado de bravura, no que seria o pálido semblante de um taxista. Seria o tal refrigerante uma versão comercial das beberagens do Santo Daime? Não, nada disso. São apenas os baratos astrais da nova tendência da publicidade. Estamos na era das mercadorias alucinógenas. Imaginariamente alucinógenas.
É claro que ninguém há de acreditar que uma goma de mascar, um adoçante ou um guaraná proporcionem a transmigração das almas. Ninguém leva os comerciais alucinógenos ao pé da letra, mas cada vez mais gente se deixa seduzir por eles. É que o encanto das mercadorias não está nelas, mas fora delas — e a publicidade sabe disso muito bem. Ela sabe que esse encanto reside na relação imaginária que ela, publicidade, fabrica entre a mercadoria e seu consumidor. Pode parecer um insulto à inteligência do telespectador, mas ele bem que gosta. É tudo mentira, mas é a maior viagem. A julgar pelo crescimento dessas campanhas, o público vibra ao ser tratado como quem se esgueira pelos supermercados à cata de alucinações.
Por isso, a publicidade se despe momentaneamente de sua alegada função cívica — a de informar o comprador para que ele exerça o seu direito de escolha consciente na hora da compra — e apenas oferece a felicidade etérea, irreal e imaterial, que nada tem a ver com as propriedades físicas (ou químicas) do produto. A publicidade é a fábrica do gozo fictício — e este gozo é a grande mercadoria dos nossos tempos, confortavelmente escondida atrás das bugigangas oferecidas. Quanto ao consumidor, compra satisfeito a alucinação imaginária. Ele também está cercado de muito conforto, protegido pela aparência de razão que todos fingem ser sua liberdade. Supremo fingimento. O consumidor não vai morrer de overdose dessa droga. Ele só teme ser barrado nos portais eletrônicos do imenso festim psicodélico. Morreria de frio e de abandono. Ele só teme passar um dia que seja longe de seu pequeno gozo alucinado.
BUCCI, Eugênio. Veja. São Paulo, 29 abr.1998. In: ANTUNES, Irandé. Análise de textos: fundamentos e práticas. São Paulo: Parábola Editorial, 2010. p.80-1. [Fragmento]
Provas
Leia este cartum (Texto 2) para responder à questão.

http://www.folhadecontagem.com.br/portal/index.php/edicoes-da-semana-2010/163- edicao-594-2503-a-01042010/1412-charge-594-geladeira-em-promocao.html. Acesso em 10 fev. 2018.
Provas
A questão refere-se ao Texto 3, a seguir. Leia-o com atenção, antes de respondê-la.
TEXTO 3
“Aos Treze” mostra que é impossível ser só legal e sobreviver
NINA LEMOS
colunista da Folha
Quais foram os últimos sacrifícios que você fez só para tentar ficar amigo de alguém? Provavelmente, você mentiu um pouquinho sobre o seu gosto musical. Se todo mundo gosta daquela banda, quem sou eu para não gostar? Também deve ter mudado algumas vezes o seu jeito de se vestir. Porque, se você não acompanhar a moda, vai ser chamada de cafona. Existe acusação mais grave?
Não se assuste. Todo mundo, alguns pouco, outros mais, faz esse tipo de coisa. Mas, às vezes, o buraco é mais embaixo. E nós acabamos fazendo coisas que realmente nos machucam só para “pegar bem” com a galera. Não, não tem nada a ver com aquele papo de mãe sobre o problema de andar com más companhias. Segundo os psicanalistas, nós fazemos isso para sermos aceitos. E, mais do que isso, para ter uma imagem boa diante dos outros.
Isso porque a gente costuma usar os outros como espelho e, vez ou outra, cai no pensamento: “Se eles me acham legal, então eu sou legal”, “se eles me acham péssima, eu sou péssima”. Deu para entender? Isso vai ficar ainda mais claro se você for assistir ao filme “Aos Treze”, baseado na experiência de Nikki Reed, atriz e co-roteirista do filme. [...]
Disponível em: http://www1.folha.uol.com.br/folha/ilustrada/ult90u37912.shtml. Acesso em: 25 jan.2018.
Provas
Soldagem é o mais importante processo de união de metais utilizado industrialmente. Diferentes processos utilizados na fabricação e recuperação de peças, equipamentos e estruturas são abrangidos pelo termo. A soldagem pode ser feita a arco, utilizando eletrodo consumível ou não consumível.
Temos a seguir enumerados, alguns processos a arco com eletrodo consumível, EXCETO:
Provas
Considere um eixo de seção circular constante, submetido a esforços diversos e sujeito a deformações na sua linha neutra. A coluna 1 apresenta tendências de deformações; e a 2, diversos tipos de solicitações. Enumere a coluna 2 com base nas informações da coluna 1.

Quanto à correlação entre as colunas 1 e 2, a sequência CORRETA é
Provas
A viga representada a seguir é de uma fixação de uma máquina içada, onde há um carregamento de 10000kgf que exige as reações dos apoios da maneira indicada na figura.

As reações nos apoios “RA” e “RB” valem, respectivamente, em kgf:
Provas
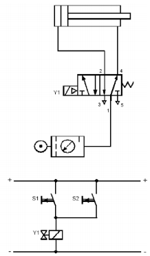
Na ilustração abaixo, está representado um esquema de um circuito eletropneumático utilizado em diversas possibilidades em máquinas e equipamentos em indústrias ou mesmo em máquinas situadas em laboratórios e oficinas.

De acordo com o esquema apresentado, é CORRETO afirmar que
Provas
Provas
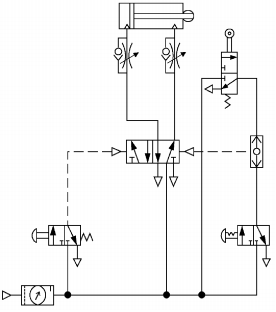
O circuito ilustrado abaixo é muito utilizado em máquinas nas indústrias, oficinas e laboratórios. De acordo com o esquema do circuito pneumático abaixo:

Em relação a esse esquema, é CORRETO afirmar que
Provas
Caderno Container