Foram encontradas 40 questões.
O espectrômetro de massa é um analisador que, semelhantemente ao cromatógrafo, permite a determinação qualitativa e quantitativa de vários componentes de uma amostra. A respeito dos espectrômetros de massa, considere as afirmações abaixo.
I Devido ao princípio de funcionamento os espectrômetros de massa, apesar de mais lentos, são mais precisos que os cromatógrafos.
II O princípio de funcionamento dos espectrômetros de massa consiste em separar partículas com base em suas massas dentro de um campo magnético. É constituído de um sistema de introdução da amostra, câmara de ionização e aceleração de ions, separador de amostra, detector e/ou sistema de dados.
III Em um espectrômetro de massa, moléculas da amostra são ionizadas em alto vácuo. Devido a diversas relações entre a massa e a carga elétrica, as diferentes espécies iônicas são separadas magneticamente. Estas espécies são detectadas e os resultados podem ser apresentados em forma de espectros, de onde se origina o nome espectrômetro de massa.
IV Apesar da diferença entre os tipos de espectrômetros de massa, os espectros produzidos são os mesmos para um mesmo material analisado.
V O surgimento do espectrômetro de massa somente foi possível com a eletrônica digital.
Estão corretas as afirmações
Provas
Analisadores são instrumentos destinados a medição de variáveis do processo, excluídas as fundamentais (temperatura, pressão, vazão e nível). Esses instrumentos determinam as propriedades de um material ou produto, como densidade, condutividade, viscosidade, composição química, etc. A respeito de analisadores, considere as afirmações abaixo.
I São instrumentos empregados em processos ou em laboratório e uma das diferenças entre eles é que os empregados em processos são dedicados a análise quantitativa enquanto os empregados em laboratório permitem a análise tanto quantitativa quanto qualitativa.
II O condicionamento da amostra em fluxo contínuo será prejudicado quando no seu transporte existirem sifões.
III A deriva do zero e o span são características dos analisadores que não interferem na sua precisão.
IV Alguns analisadores instalados no campo (in situ), que funcionam em malhas de controle de processos, dispensam os circuitos sample and hold, pois possuem tempo de análise dependente da resposta do processo.
V A calibração de analisadores de gases é feita injetando gases padrão que deverão ajustar as medições do analisador para os valores iguais aos padrões do fornecedor descrito em seu certificado de calibração emitido pelo fabricante.
Estão corretas as afirmações
Provas
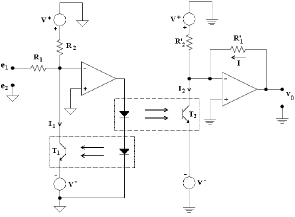
Os amplificadores de instrumentação não suportam uma tensão de modo comum superior à sua tensão de polarização. Nas aplicações em que isto ocorre, faz-se necessário o isolamento entre a fonte do sinal a ser medido e o sistema de medição. Um dos tipos de isolamento utilizado é feito por acoplamento óptico, implementado por meio de um LED e um fototransistor. Para compensar a não linearidade do acoplador óptico, é introduzida uma malha de realimentação com um acoplador de referência, como mostrado na figura abaixo.

A corrente no fototransistor T1 é dada por \( I_1 = { \Large { V^+ \over R_2}} + { \Large { e_1 - e_2 \over R_1}} \)
considerando que os dois acopladores são iguais, então \( I_1 = I_2 \)
Supondo que \( R_1 = 10 K \Omega, R_1 = 120 K \Omega,\,\,R_2 = 10 K \Omega \) e que \( e_1 - e_2 = 10mV \), então o valor da tensão de saída (Vo) será
Provas
No circuito comparador não inversor com histerese mostrado abaixo, os níveis de mudança na tensão de saída (vs) dependem de uma tensão de referência VREF . Essas mudanças ocorrem quando a tensão de entrada (vi) é igual a
\( v_i = UTP = V_{CEN} + { \Large { R_2 \over R_1}} V_{Sat} \) na saturação negativa (Vs = - Vsat)
ou
\( v_i = LTP = V_{CEN} + { \Large { R_2 \over R_1}} V_{Sat} \) na saturação positiva (Vs = + Vsat)
em que UTP e LTP são valores de vi mostrados na característica vs x vi da figura abaixo.

Supondo que os valores dos resistores são \( R_1 = 7,5 K \Omega, R_2 = 3 K \Omega, R_3 = 15 K \Omega \) e \( R_4 = 7,5 K \Omega \), e que \( V_{sat} = V_{cc} -1 \), os valores de UTP e LTP serão
Provas
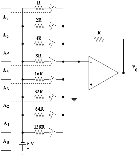
Na figura abaixo, mostra-se o circuito de um conversor Digital/Analógico (DA) com resistências ponderadas, no qual A7 é o bit mais significativo (MSB) e A0 é o bit menos significativo (LSB).

Cada uma das chaves fica aberta quando o bit de entrada correspondente é igual a 0 (zero) e é fechada quando o bit de entrada correspondente é igual a 1 (um). Considerando um código binário de entrada igual a 01100100, o valor da tensão analógica na saída (Vo) será
Provas
Na figura abaixo, apresenta-se o circuito de um filtro ativo de segunda ordem, com os seguintes valores de resistores e capacitores: \( R = 10 K \Omega \) e C = 100 nF.

O ganho de tensão (vo/vi) é atenuado por, aproximadamente, 80 dB (decibéis) na frequência
Provas
Em engenharia, a maioria das informações é obtida de forma experimental por meio de um sistema de medição, e essas informações são utilizadas para modelar os fenômenos físicos observados. Sobre parâmetros utilizados para análise de medição, considere as afirmações abaixo.
I Precisão é a qualidade da medição que assegura que a medida coincida com o valor real da grandeza considerada. O valor representativo deste parâmetro é o valor médio.
II Exatidão é a qualidade da medição que representa a dispersão dos vários resultados, correspondentes a repetições de medições quase iguais, em torno do valor central.
III Incerteza na medição é uma faixa de valores que pode ser associada a certo nível de confiança e que deve ser calculada para cada método experimental adotado.
IV A linearidade de uma medição indica a máxima aproximação da relação entrada-saída, com uma determinada linha reta.
V Repetibilidade é a capacidade de reproduzir as mesmas saídas, quando as mesmas entradas são aplicadas, na mesma sequência e nas mesmas condições ambientais.
Estão corretas as afirmações:
Provas
O efeito físico relacionado aos sensores ultrassônicos é o
Provas
A figura abaixo mostra uma ponte de Wheatstone sendo utilizada para a medição de alguma variável física por meio de um sensor resistivo.

Inicialmente, o valor da resistência do sensor é RS = 120 W, assim como o valor dos outros três resistores que compõem a ponte (R = 120 W). Neste caso, com a ponte em equilíbrio, a tensão lida no voltímetro conectado na saída do circuito (entre os pontos A e B) é igual a zero. Durante o processo de medição, a resistência do sensor muda seu valor para RS = 130 W. Nesta nova situação, o valor da tensão lida no voltímetro é
Provas
Considere os tipos de conversores abaixo.
I Conversor paralelo ou flash.
II Conversor a rede em escada R-2R.
III Conversor de inclinação dupla.
IV Conversor de escala invertida.
V Conversor de aproximações sucessivas.
São tipos de conversores analógicos/digitais (AD):
Provas
Caderno Container