Foram encontradas 60 questões.
Se o valor da tensão é de 120 V e a corrente é de 20 A, qual o valor da resistência?
Provas
Questão presente nas seguintes provas
Dado que !$ v(t)=10\mathsf{cos}(\omega t)~\mathsf{V} !$ e !$ i(t)=10\mathsf{cos}(\omega t)~\mathsf{A} !$, determine a potência ativa em valor eficaz absorvida pela carga.

Provas
Questão presente nas seguintes provas
Dados para auxiliar a resolução da questão seguinte.
| !$ \theta !$ | !$ \mathsf{sen\theta} !$ | !$ \mathsf{cos\theta} !$ |
| !$ 0^\circ !$ | !$ 0 !$ | !$ 1 !$ |
| !$ 30^\circ !$ | !$ 1/2 !$ | !$ \sqrt{3}/2 !$ |
| !$ 45^\circ !$ | !$ \sqrt{2}/2 !$ | !$ \sqrt{2}/2 !$ |
| !$ 60^\circ !$ | !$ \sqrt{3}/2 !$ | !$ 1/2 !$ |
| !$ 90^\circ !$ | !$ 1 !$ | !$ 0 !$ |
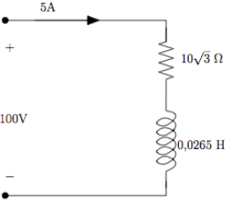
Dado o circuito, e sabendo que a frequência da fonte é de 377 rad/s, determine o ângulo de fator de potência.

Provas
Questão presente nas seguintes provas
Quatro lâmpadas de 55W cada, 110V, são operadas por uma fonte de 230V, conforme figura.
Determine o valor da resistência R para que a tensão aplicada nas lâmpadas não exceda 110V.

Provas
Questão presente nas seguintes provas
TEXTO
Nossa sabedoria gramatical oculta (que significa “saber português”?)
(1) “Saber gramática”, ou mesmo “saber português”, é geralmente considerado privilégio de poucos. Raras pessoas se atrevem a dizer que conhecem a língua. Tendemos a achar, em vez, que falamos de “qualquer jeito”, sem regras definidas. Dois fatores contribuem para essa convicção tão generalizada: primeiro, o fato de que falamos com uma facilidade muito grande, de certo modo sem pensar (pelo menos, sem pensar na forma do que vamos dizer), e estamos acostumados a associar conhecimento a uma reflexão consciente, laboriosa e por vezes dolorosa. Segundo, o ensino escolar nos inculcou, durante longos anos, a ideia de que não conhecemos a nossa língua; repetidos fracassos em redações, exercícios e provas acentuaram esse complexo.
(2) Pretendo trazer aqui boas notícias. Vou sustentar que, apesar das crenças populares, sabemos, e muito bem, a nossa língua. Nosso conhecimento da língua é ao mesmo tempo altamente complexo, incrivelmente exato e extremamente seguro. Isso se aplica não apenas àqueles que sempre brilharam nas provas de português, mas também a praticamente qualquer pessoa que tenha o português como língua materna.
(3) Será preciso, primeiro, distinguir dois tipos de conhecimentos, aos quais se dão as designações de “implícito” e de “explícito”. Vamos partir de um exemplo: eu sou capaz de andar com razoável eficiência, e em geral ando bastante. No entanto, não sou capaz de explicar os processos musculares e nervosos que ocorrem quando ponho em prática essa minha habilidade tão corriqueira. A fisiologia do andar é para mim um mistério.
(4) Pergunta-se, então: tenho ou não conhecimento da habilidade de andar? A resposta é que tenho esse conhecimento em um sentido muito importante – ou seja, tenho um conhecimento implícito da habilidade de andar. Já meu conhecimento explícito dessa habilidade é deficiente, pois sou incapaz de explicar o que acontece com meu corpo quando estou andando. O que nos interessa aqui é o seguinte: sou detentor de um conhecimento implícito altamente complexo e eficiente. O que eu não sei é explicitar o que faço para andar.
(5) Da mesma forma, qualquer falante do português possui um conhecimento implícito altamente elaborado da língua, muito embora não seja capaz de explicitar esse conhecimento. Esse conhecimento não é fruto de instrução recebida na escola, mas foi adquirido de maneira tão natural e espontânea quanto a nossa habilidade de andar. Mesmo pessoas que nunca estudaram gramática chegam a um conhecimento implícito perfeitamente adequado da língua. São como pessoas que não conhecem a anatomia e a fisiologia das pernas, mas que andam, dançam, nadam e pedalam sem problemas.
(6) Por exemplo: digamos que encontramos em algum texto a seguinte sequência de palavras: “Meus irmãos viram meu irmão na TV”. Essa frase só é aceitável se se entender que o irmão que foi visto na TV não pertence ao grupo dos irmãos que o viram. Será inaceitável se se entender que o irmão que apareceu na TV faz parte do conjunto dos que assistiram ao programa.
(7) De onde tiramos esse conhecimento? Como se explica que tenhamos intuições tão definidas acerca de frases que nunca encontramos antes? Tudo provém do uso que fazemos a todo momento desse mecanismo maravilhosamente complexo que temos em nossas mentes, e que manejamos com admirável destreza. Esse mecanismo é o nosso conhecimento implícito da língua, objeto principal da investigação dos linguistas.
(Mário A. Perini. Sofrendo a gramática. São Paulo: Editora Ática, 1997, p. 11-16. Adaptado).
Considerando as afirmações presentes no Texto, podemos entender que:
Provas
Questão presente nas seguintes provas
Determine o número de polos para um gerador síncrono com velocidade mecânica de 3600 rpm, 60 Hz.
Provas
Questão presente nas seguintes provas
TEXTO
Nossa sabedoria gramatical oculta (que significa “saber português”?)
(1) “Saber gramática”, ou mesmo “saber português”, é geralmente considerado privilégio de poucos. Raras pessoas se atrevem a dizer que conhecem a língua. Tendemos a achar, em vez, que falamos de “qualquer jeito”, sem regras definidas. Dois fatores contribuem para essa convicção tão generalizada: primeiro, o fato de que falamos com uma facilidade muito grande, de certo modo sem pensar (pelo menos, sem pensar na forma do que vamos dizer), e estamos acostumados a associar conhecimento a uma reflexão consciente, laboriosa e por vezes dolorosa. Segundo, o ensino escolar nos inculcou, durante longos anos, a ideia de que não conhecemos a nossa língua; repetidos fracassos em redações, exercícios e provas acentuaram esse complexo.
(2) Pretendo trazer aqui boas notícias. Vou sustentar que, apesar das crenças populares, sabemos, e muito bem, a nossa língua. Nosso conhecimento da língua é ao mesmo tempo altamente complexo, incrivelmente exato e extremamente seguro. Isso se aplica não apenas àqueles que sempre brilharam nas provas de português, mas também a praticamente qualquer pessoa que tenha o português como língua materna.
(3) Será preciso, primeiro, distinguir dois tipos de conhecimentos, aos quais se dão as designações de “implícito” e de “explícito”. Vamos partir de um exemplo: eu sou capaz de andar com razoável eficiência, e em geral ando bastante. No entanto, não sou capaz de explicar os processos musculares e nervosos que ocorrem quando ponho em prática essa minha habilidade tão corriqueira. A fisiologia do andar é para mim um mistério.
(4) Pergunta-se, então: tenho ou não conhecimento da habilidade de andar? A resposta é que tenho esse conhecimento em um sentido muito importante – ou seja, tenho um conhecimento implícito da habilidade de andar. Já meu conhecimento explícito dessa habilidade é deficiente, pois sou incapaz de explicar o que acontece com meu corpo quando estou andando. O que nos interessa aqui é o seguinte: sou detentor de um conhecimento implícito altamente complexo e eficiente. O que eu não sei é explicitar o que faço para andar.
(5) Da mesma forma, qualquer falante do português possui um conhecimento implícito altamente elaborado da língua, muito embora não seja capaz de explicitar esse conhecimento. Esse conhecimento não é fruto de instrução recebida na escola, mas foi adquirido de maneira tão natural e espontânea quanto a nossa habilidade de andar. Mesmo pessoas que nunca estudaram gramática chegam a um conhecimento implícito perfeitamente adequado da língua. São como pessoas que não conhecem a anatomia e a fisiologia das pernas, mas que andam, dançam, nadam e pedalam sem problemas.
(6) Por exemplo: digamos que encontramos em algum texto a seguinte sequência de palavras: “Meus irmãos viram meu irmão na TV”. Essa frase só é aceitável se se entender que o irmão que foi visto na TV não pertence ao grupo dos irmãos que o viram. Será inaceitável se se entender que o irmão que apareceu na TV faz parte do conjunto dos que assistiram ao programa.
(7) De onde tiramos esse conhecimento? Como se explica que tenhamos intuições tão definidas acerca de frases que nunca encontramos antes? Tudo provém do uso que fazemos a todo momento desse mecanismo maravilhosamente complexo que temos em nossas mentes, e que manejamos com admirável destreza. Esse mecanismo é o nosso conhecimento implícito da língua, objeto principal da investigação dos linguistas.
(Mário A. Perini. Sofrendo a gramática. São Paulo: Editora Ática, 1997, p. 11-16. Adaptado).
No desenvolvimento do tema, o autor muitas vezes tem que retomar uma informação anteriormente declarada, informação que precisa ser recuperada pelo leitor para que o texto faça sentido. Esse recurso, no Texto, ocorreu, por exemplo, no trecho:
Provas
Questão presente nas seguintes provas
Considere a figura abaixo, extraída de uma sessão com o navegador Mozilla Firefox em sua configuração original.
A partir do item Barras de ferramentas do menu E xibir, é possível marcar e desmarcar quais barras serão mostradas.
Marque a alternativa que apresenta respectivamente as barras rotuladas 1, 2 e 3 na figura.
Provas
Questão presente nas seguintes provas
Determine a capacitância equivalente entre os terminais a-b.

Provas
Questão presente nas seguintes provas
TEXTO
Quando é dia de futebol
(1) Publicados em sua maioria nos jornais Correio da Manhã e Jornal do Brasil, nos quais o autor ocupou cadeira cativa durante muitos anos, os textos de Quando é dia de futebol mostram um Carlos Drummond de Andrade atento ao futebol em suas múltiplas variantes: o esporte, a manifestação popular, a metáfora que nos ajuda a entender a realidade brasileira. São crônicas e poemas escritos a partir da observação do autor sobre campeonatos, Copas do Mundo, rivalidades entre grandes times e lances geniais de Pelé, Mané Garrincha e outros.
(2) Selecionados por Luís Maurício e Pedro Augusto Graña Drummond, netos do poeta, os textos oferecem um passeio – muito drummondiano e, portanto, leve, inteligente e arguto – por nove Copas do Mundo: de 1954, na Suíça, até a última testemunhada pelo autor, em 1986, no México. Não são, claro, resenhas de certames nem tentativas de análise futebolística. Vão além, em seu aparente descompromisso, pois capturam no futebol aquilo que mais interessava ao autor: a capacidade que o bate-bola tem de estilizar, durante os noventa minutos de duração de uma partida, as grandes paixões humanas.
“Confesso que o futebol me aturde, porque nem sei chegar até o seu mistério”, anota o mineiro em um dos textos. Pura modéstia, como se verá na leitura deste Quando é dia de futebol, pois, se houve algum escritor brasileiro habilitado à decifração desse esporte apaixonante, foi mesmo Carlos Drummond de Andrade.
(www.companhiadasletras.com.br. Acessado em 25/02/2014).
O Texto constitui uma resenha de um livro escrito por Carlos Drummond de Andrade, que tem como tema o futebol e seus múltiplos significados. Segundo o autor da resenha, o grande interesse de Drummond com a publicação desse livro foi:
Provas
Questão presente nas seguintes provas
Cadernos
Caderno Container