Foram encontradas 60 questões.
O gráfico a seguir ilustra o resultado de uma pesquisa sobre o nível de colesterol, em mg/dl, de um grupo de 300 pessoas. Na horizontal, estão marcados os níveis de colesterol, e, na vertical correspondente, o número de pessoas com aquele nível de colesterol. Os dados também figuram na tabela a seguir.

| Nível de colesterol (em mg/dl) | Nº de pessoas |
| 205 | 40 |
| 210 | 80 |
| 215 | 60 |
| 220 | 120 |
Admitindo as informações acima, assinale a alternativa incorreta.
Provas
Questão presente nas seguintes provas
No circuito da Figura 9, U1 é um amplificador operacional alimentado por !$ \pm 20\,V !$. Se X é dado pelo sinal !$ x (t) = 2sen (1000t)\,\,V !$, então Y é dado por y(t) igual a:

Provas
Questão presente nas seguintes provas
2243595
Ano: 2015
Disciplina: Engenharia de Telecomunicações
Banca: COVEST-COPSET
Orgão: UFPE
Disciplina: Engenharia de Telecomunicações
Banca: COVEST-COPSET
Orgão: UFPE
Provas:
Um sinal de voz é convertido por um transdutor piezoelétrico no sinal x(t) com valor médio zero, dado em volts. Esse sinal é utilizado para gerar o sinal modulado AM dado, em volts, por !$ \phi_{AM} (t) = (10 + x (t)) sen ( 2 \pi f t) !$ . O máximo valor da amplitude de x(t), para não ocorrer sobremodulação, é:
Provas
Questão presente nas seguintes provas
Considere um motor CC de excitação independente e resistência de armadura de !$ 0,05 \Omega !$ com a corrente de campo sendo mantida constante no valor que produziria uma tensão de terminal de 12 V, para uma velocidade de 3000 rpm. Quando o motor está operando com uma tensão de terminal de 10 V e potência terminal de 20 W, a velocidade do motor é:
Provas
Questão presente nas seguintes provas
Um amplificador de tensão com ganho 2 V/V e resistência de entrada !$ 10\,K \Omega !$ é ligado na saída de outro amplificador com ganho 30 V/V e resistência de saída !$ 5\,K \Omega !$. O ganho malha aberta desse conjunto é:
Provas
Questão presente nas seguintes provas
O combustível para automóveis no Brasil era composto por 25% de etanol e 75% de gasolina. Recentemente, o governo decidiu aumentar o percentual de etanol para 27% e o de gasolina ficou em 73%. Se considerarmos que a razão entre os preços dos litros do etanol e da gasolina é dada por 4/5, de qual percentual diminuiu o preço do litro do combustível? Indique o valor mais próximo do valor obtido.
Provas
Questão presente nas seguintes provas
No circuito da Figura 3, a tensão e a resistência em série do modelo de Théveninm, visto pela carga Z (entre os terminais A e B), é, respectivamente (os valores das resistências então em ohm):

Provas
Questão presente nas seguintes provas
No circuito da Figura 12, os dispositivos !$ Q1, Q2, Q3 !$ e !$ Q4 !$ são IGBT e !$ NPWM = \overline{PWM} !$ em que PWM é um sinal modulado por largura de pulso com ciclo de trabalho D. A tensão média vista pela carga Z é dada por

Provas
Questão presente nas seguintes provas
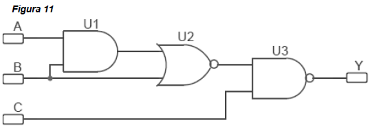
A expressão booleana simplificada, utilizando portas ORs sobre o resultado de portas ANDs e inversores, do circuito digital da Figura 11 é:

Provas
Questão presente nas seguintes provas
Alimentando um voltímetro comercial que trabalha com 60 Hz numa rede de 220 V eficaz (nominal) com 60 Hz, verifica-se que o valor mostrado no instrumento é 210,0 V quando a rede está aberta e 200 V quando a rede é conectada a um equipamento de 100 W / 220 V. O valor que será apresentado pelo multímetro, quando houver um aparelho de 200 W / 220 V na rede é (considere a resistência interna do multímetro infinita e que não há variação da rede entre as medições):
Provas
Questão presente nas seguintes provas
Cadernos
Caderno Container