Foram encontradas 334 questões.
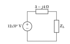
Considere o circuito a seguir:

A impedância da carga ZL que transfere a máxima potência da fonte para a carga; e o valor da máxima potência entregue à carga são:
Provas
Questão presente nas seguintes provas
Considere o circuito a seguir, com uma fonte de tensão senoidal de módulo 120 V.

O módulo da tensão de Thévenin e a impedância de Thévenin, vistos dos terminais A e B, são:
Provas
Questão presente nas seguintes provas
A figura a seguir mostra um sinal de tensão v(t), periódico
no tempo, formando um trem de pulsos de tensão.
Quando o sinal de tensão é aplicado a um resistor de 2 Ω, a potência média dissipada no resistor é
Quando o sinal de tensão é aplicado a um resistor de 2 Ω, a potência média dissipada no resistor é
Provas
Questão presente nas seguintes provas
A respeito de conversores e inversores de frequência,
analise as afirmativas a seguir.
1) Os conversores podem ser utilizados para converter energia de recursos naturais e renováveis, como o sol, o vento ou as marés, para injetá-la na rede elétrica ou para uso local.
2) Os conversores de frequência também são conhecidos por outros nomes, como conversores de velocidade ajustável, conversores de frequência variável, conversores de frequência de velocidade variável, inversores de frequência, inversores e conversores de potência.
3) Com a utilização de um inversor de frequência, o motor pode trabalhar com frequências diferentes da fornecida pela rede, o que possibilita o motor trabalhar em diferentes velocidades, sem a necessidade do uso de polias e redutores.
4) Os inversores de frequência têm custo inicial relativamente baixo e, por serem constituídos de componentes elétricos simples, são de fácil manutenção.
Estão corretas, apenas:
1) Os conversores podem ser utilizados para converter energia de recursos naturais e renováveis, como o sol, o vento ou as marés, para injetá-la na rede elétrica ou para uso local.
2) Os conversores de frequência também são conhecidos por outros nomes, como conversores de velocidade ajustável, conversores de frequência variável, conversores de frequência de velocidade variável, inversores de frequência, inversores e conversores de potência.
3) Com a utilização de um inversor de frequência, o motor pode trabalhar com frequências diferentes da fornecida pela rede, o que possibilita o motor trabalhar em diferentes velocidades, sem a necessidade do uso de polias e redutores.
4) Os inversores de frequência têm custo inicial relativamente baixo e, por serem constituídos de componentes elétricos simples, são de fácil manutenção.
Estão corretas, apenas:
Provas
Questão presente nas seguintes provas
Um sinal possui potência de 2 W e passará por um estágio
de amplificação com ganho de 10 dB. A potência desse
sinal após a amplificação é
Provas
Questão presente nas seguintes provas
Nos estudos de fluxo de potência em sistemas elétricos de
potência, as barras do sistema são classificadas em três
tipos principais: barra de balanço, barras de carga e barras
de geração. Nesse contexto, assinale a alternativa correta.
Provas
Questão presente nas seguintes provas
Na ocorrência de curtos-circuitos, as redes elétricas devem
isolar rapidamente o ponto em defeito, reduzindo os efeitos
negativos das faltas na maior parte do sistema. Durante a
manobra de abertura de um defeito, as fases de interrupção
da corrente de curto geram solicitações dinâmicas, térmicas
e dielétricas ao equipamento manobrado. Entre as opções
abaixo, qual o equipamento capaz de suportar as
solicitações envolvidas em uma abertura de um circuito em
carga, interrompendo a corrente de curto?
Provas
Questão presente nas seguintes provas
Uma organização educacional deseja produzir um evento
para o público externo, mas quer saber se atividades e
atrações programadas e sua respectiva campanha de
divulgação correspondem às demandas do potencial
público-alvo, considerando suas motivações para ir ao
evento. Cabe ao produtor definir e realizar o melhor tipo de
pesquisa, ou seja, a
Provas
Questão presente nas seguintes provas
- Linguagens e Suportes MidiáticosComunicação Audiovisual
- Linguagens e Suportes MidiáticosTV Digital
- Linguagens e Suportes MidiáticosWebjornalismo
A Comunicação Digital tem como características a
conectividade, a interatividade, a multimodalidade e, mais
recentemente, a mobilidade, presentes em diversas
ferramentas utilizadas no cotidiano do trabalho e da vida
social.
Considere as características das seguintes ferramentas:
1) chat em redes sociais;
2) mensagem direta em aplicativo de mensagem;
3) videoconferência.
Quanto à sincronicidade de comunicação dessas ferramentas, é correto afirmar que
Considere as características das seguintes ferramentas:
1) chat em redes sociais;
2) mensagem direta em aplicativo de mensagem;
3) videoconferência.
Quanto à sincronicidade de comunicação dessas ferramentas, é correto afirmar que
Provas
Questão presente nas seguintes provas
A Comunicação Interna é responsável pelo relacionamento
entre colaboradores e organização. O propósito desse tipo
de comunicação é atender às necessidades de
compartilhamento de informações importantes dentro do
ambiente de trabalho, alinhando informações relevantes
com toda a equipe. Entre as alternativas a seguir,
identifique a única que apresenta ferramentas e
instrumentos inadequados à Comunicação Interna.
Provas
Questão presente nas seguintes provas
Cadernos
Caderno Container