Foram encontradas 60 questões.
O diagrama mostrado na figura representa o quadro de distribuição de serviços auxiliares de uma determinada instalação elétrica. Em relação ao diagrama apresentado, pode-se afirmar que:

Provas
Questão presente nas seguintes provas
Em muitos casos, na análise de circuitos de corrente elétrica em paralelo, utiliza-se a admitância Y, cuja unidade é o S (Siemens). A admitância é definida como sendo:
Provas
Questão presente nas seguintes provas
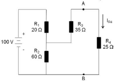
O circuito a seguir é alimentado por uma fonte ideal. Dentre as alternativas apresentadas, assinale o valor da corrente que atravessa R4.

Provas
Questão presente nas seguintes provas
O diagrama apresentado na figura representa uma instalação elétrica, onde uma lâmpada pode ser acionada em pontos distintos. Na ocasião da execução da instalação, o responsável utilizou:

Provas
Questão presente nas seguintes provas
Considere a associação de fontes de tensão mostrada na figura. Supondo que as tensões sejam iguais às descritas no diagrama, assinale, dentre as alternativas, a que corresponde à diferença de potencial (ddp) entre os pontos A e B:

Provas
Questão presente nas seguintes provas
No cálculo da resistência apresentada por um condutor é considerado o seu comprimento, bem como a sua área. Se substituirmos o condutor por outro de mesmo material com o dobro do seu comprimento, o valor da sua resistência:
Provas
Questão presente nas seguintes provas
Em um determinado circuito trifásico, com sequência de fases ABC, foi constatado a tensão
. Assinale, dentre as alternativas apresentadas, a que corresponda ao valor da tensão VCN .
. Assinale, dentre as alternativas apresentadas, a que corresponda ao valor da tensão VCN .Provas
Questão presente nas seguintes provas
Considere um circuito composto pela associação série de um resistor de 5 kW e um capacitor de 20 !$ \mu !$F. Suponha que inicialmente o capacitor esteja descarregado. No instante t0, é fechada a chave S e aplicada ao circuito uma tensão contínua, de módulo igual a 100 V, carregando o capacitor. Assinale a alternativa que apresenta a equação da tensão sobre os terminais do capacitor durante o seu período de carregamento.

Provas
Questão presente nas seguintes provas
Considere o circuito mostrado na figura. Dentre as alternativas, assinale a que corresponda ao valor da potência dissipada no resistor R4.

Provas
Questão presente nas seguintes provas
Durante uma inspeção em uma determinada instalação elétrica foram observados os seguintes valores de potências: 100 kVA e 60 kvar. Nessas condições, assinale a alternativa que indique os valores do fator de potência e da potência ativa dessa instalação, respectivamente:
Provas
Questão presente nas seguintes provas
Cadernos
Caderno Container