Foram encontradas 30 questões.
Um transformador de 200 kVA, 2.200/220 V, quando ensaiado, forneceu os valores abaixo.
| CA | VCA = ? | ICA = 4,0 A |
PCA = 140 W |
| CC | VCC = 180 V | ICC = ? |
PCC = 3.500 W |
O valor de ICC utilizado para a realização do ensaio de curto-circuito (CC), em amperes, foi aproximadamente,
Provas
Um transformador de 200 kVA, 2.200/220 V, quando ensaiado, forneceu os valores abaixo.
| CA | VCA = ? | ICA = 4,0 A |
PCA = 140 W |
| CC | VCC = 180 V | ICC = ? |
PCC = 3.500 W |
O valor de VCA utilizado para a realização do ensaio de circuito aberto (CA), em volts, foi, portanto,
Provas
O capacitor eletrolítico utilizado em um retificador a diodo
Provas
A configuração mais comumente utilizada para o transistor é a
Provas
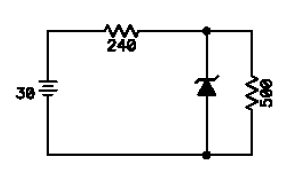
Na figura abaixo, o zener 1N1594 tem uma tensão de zener de 10 V e uma resistência zener de 1,2 W\( \Omega \).

Se a tensão de carga medir, aproximadamente, 15 V para esse, será correto afirmar que
Provas
A polarização correta de um transistor, para que ele possa trabalhar como amplificador, deve ser
Provas
O aparecimento do EFEITO AVALANCHE no diodo ocorre devido
Provas
A tensão de uma fonte é de 12 V e a resistência dessa fonte é de 2 k \( \Omega \), conforme mostra a figura abaixo.

A corrente que atravessa o diodo é
Provas
Num dado circuito, quando um diodo está polarizado diretamente, sua corrente é de 50 mA. Quando polarizado reversamente, a corrente cai para 250 nA. A razão entre a corrente direta e a reversa é aproximadamente:
Provas
Numa residência estão ligadas cinco lâmpadas de 100 W, um ferro elétrico de 1.000 W e uma geladeira que consome 300 W. A diferença de potencial na rede é de 220 V.
A corrente total que está sendo fornecida para essa casa é
Provas
Caderno Container