Foram encontradas 30 questões.
Considere as afirmativas relacionadas ao acionamento de motores elétricos:
I Um motor de indução trifásico bobinado para 50 Hz, quando é alimentado com a mesma tensão em 60 Hz, desenvolve a mesma potência.
II No acionamento de velocidade variável com o uso de inversores, mantém-se constante o conjugado do motor de indução somente com a variação do seu fluxo magnético.
III Na chave estrela-triângulo automática, a corrente de partida fica reduzida a aproximadamente 1/3, quando comparada com a partida direta.
IV Na chave compensadora automática, estando o tap na posição de 65%, a corrente de partida na linha é aproximadamente igual à da chave estrela-triângulo.
A opção em que todas as afirmativas estão corretas é
Provas
A Figura abaixo representa um sinal digital de oito níveis com codificação Gray.

De acordo com estas informações, o número de bits associado a cada nível do sinal corresponde a
Provas
A técnica na qual as moléculas luminescentes projetadas para se ligar a células ou moléculas específicas do corpo humano, são injetadas na corrente sanguínea e então detectadas por um sensor óptico externo denomina-se
Provas
Entre as técnicas e normas de sinalização telefônica, é correto afirmar que o
Provas
Para a telefonia fixa, a faixa de frequência padronizada para utilização em canais telefônicos corresponde a
Provas
Considere as afirmativas relacionadas aos motores elétricos:
I O motor CC série tem conjugado de partida elevado e não deve funcionar em vazio.
II O motor CC composto possui baixo conjugado de partida e velocidade variável.
III No motor de indução com rotor em gaiola de esquilo, o campo girante tem velocidade superior à velocidade do rotor.
IV No motor síncrono, a velocidade é independente tanto da carga como da tensão.
A opção em que todas as afirmativas estão corretas é:
Provas
A interação dos campos eletromagnéticos RF com os sistemas vivos pode ser considerada em vários níveis, incluindo o molecular, o subcelular, o orgânico ou mesmo todo o corpo. De acordo com o tempo de exposição, um efeito biofísico devido à RFR de nível elevado é conhecido como
Provas
Considere as seguintes afirmativas relacionadas aos critérios de classificação de fibras ópticas:
I Tipo do material utilizado na fabricação da fibra.
II O modo de propagação do sinal.
III O tipo de variação do índice de refração.
IV O material isolante.
A opção em que todas as afirmativas estão corretas é
Provas
Uma fonte de tensão trifásica fornece uma tensão de linha de 380 V, 60 Hz, a uma carga de 2 kW e fator de potência igual a 0,9 (atrasado). A tensão de fase aproximada na carga, quando esta estiver ligada em estrela, é de
Provas
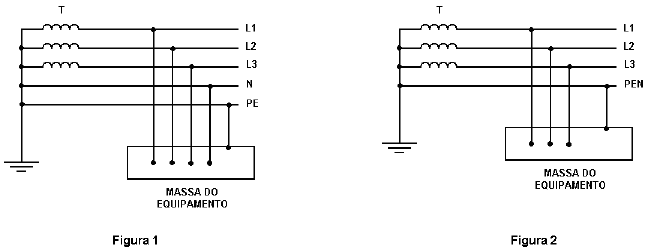
As Figuras 1 e 2 mostram esquemas de aterramento utilizados em instalações elétricas de baixa tensão, conforme a NBR 5410.

Nestas Figuras, T é o secundário do transformador, L1, L2 e L3 são as fases, N é o neutro, PE é o condutor de proteção e PEN é o condutor de proteção e neutro. De acordo com tais informações, os esquemas de aterramento das referidas Figuras são denominados, respectivamente,
Provas
Caderno Container