Foram encontradas 30 questões.
Uma célula nervosa desenvolve, quando estimulada, uma diferença de potencial de 1 μV. A tensão mínima para um instrumento de medição é de 1 V. Um circuito utilizado nessa medição e que possibilite uma leitura correta deve ter um ganho de
Provas
A Figura abaixo representa um circuito lógico aritmético com entradas A e B e saídas S e E.

O circuito em questão pode ser chamado de
Provas
Considere as afirmativas relacionadas à proteção de sistemas elétricos:
I A tensão nominal de um para-raios de média tensão é determinada exclusivamente em função da máxima tensão entre fases admissível no sistema elétrico.
II Quando ocorre um curto-circuito na rede, a constante de tempo de corrente contínua se torna tanto menor quanto menor a relação X/R.
III O valor da corrente de curto-circuito em um sistema elétrico é influenciado pelo fator de potência dos consumidores no momento em que ocorre o curto-circuito.
IV O relé buchholz somente é aplicado em transformadores de potência equipados com conservador de óleo.
A opção em que todas as afirmativas estão corretas é
Provas
A Figura abaixo representa uma fonte de tensão cuja tensão de entrada VN não é regulada e varia de 15 a 20 V. O diodo zener tem tensão nominal VZ de 10 V e requer no mínimo 5 mA de corrente para garantir a regulação. A carga RL é variante no tempo e consome de 0 a 5 mA.

Pode-se afirmar que, em condições normais de funcionamento, o circuito deverá apresentar
Provas
A Figura abaixo apresenta o diagrama unifilar de uma subestação de consumidor alimentada por uma rede de distribuição (RD) proveniente de uma subestação de concessionária cujos transformadores têm neutros efetivamente aterrados.

Conforme os dados deste diagrama, pode-se afirmar que
Provas
O instrumento de bobina móvel G da Figura abaixo tem resistência interna !$ 100 \ \Omega !$ e calibre 1 A, isto é, quando por sua bobina circula a corrente de 1 A, o seu ponteiro indica o valor final da escala.

Para transformar esse instrumento em um amperímetro capaz de medir uma corrente igual a 10 A, coloca-se uma resistência em paralelo (shunt) com o instrumento G. O valor da resistência Rs do shunt inserido no circuito é, aproximadamente,
Provas
A Figura abaixo apresenta o circuito equivalente de sequência zero de um transformador trifásico.

Conforme os dados deste diagrama, pode-se afirmar que o transformador referido está conectado em
Provas
Um sinal digital possui uma duração de 250 ns. Sua velocidade de modulação é de
Provas
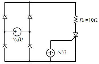
A Figura abaixo representa um controlador de potência para uma carga resistiva RL.

A fonte de tensão VA(t) é senoidal e a corrente de disparo do SCR é pulsante, conforme mostrado nos gráficos abaixo.

Desprezando-se as quedas de tensão de condução nos diodos e no SCR, a potência média aproximada dissipada em Watt na carga RL é de
Provas
Uma carga trifásica solicita 250 kW com um fator de potência em atraso de 0,83 quando ligada a uma rede de 380 V. A potência reativa fornecida por um banco de capacitores ligado em paralelo com a carga, necessária para aumentar o fator de potência total para 0,98 em atraso, e a redução resultante na corrente de entrada serão iguais, respectivamente, a
Obs.: sen 33,9º=0,558, cos 33,9º=0,83, tg 33,9º=0,672, sen 11,48º=0,199, cos 11,48º=0,98, tg 11,48º=0,203
Provas
Caderno Container