Foram encontradas 30 questões.
Um capacitor C é ligado em paralelo com um indutor de 200 mH, com uma tensão aplicada de 220 V. O valor de C para uma frequência de ressonância de 273 Hz será de aproximadamente
Provas
O processo de substituição das antenas omnidirecionais por antenas direcionais com o acréscimo de novos rádios denomina-se
Provas
Um rádio digital opera em uma taxa de 45 Mbits/s por canal, usando modulação PSK de oito estados (8-PSK). Os pulsos de dados foram conformados pela RRC (raiz quadrada do cosseno levantado) com excesso de banda a = 1,6. Se for usada uma banda de guarda de 2,0 MHz entre os canais adjacentes, o espaçamento mínimo entre as portadoras de dois canais adjacentes será de
Provas
Considere as afirmativas relacionadas às medidas elétricas:
I Para a medição de energia elétrica ativa em circuitos de baixa tensão, não se deve utilizar o medidor de indução de dois elementos.
II Na medição de potência ativa em circuitos de três fases através do método dos dois wattímetros, suas indicações sempre serão diferentes entre si, exceto para !$ cos \ φ = 1 !$.
III Na medição de energia elétrica ativa nos circuitos monofásicos a dois fios, fase e neutro, através do medidor de indução monofásico, a bobina de corrente deve ser ligada antes da bobina de potencial.
IV Para um circuito trifásico conectado em estrela a quatro fios, equilibrado, a potência ativa total é calculada multiplicando-se por três a indicação de apenas um wattímetro.
A opção em que todas as afirmativas estão corretas é:
Provas
Em uma rede telefônica, cada aparelho telefônico de assinante é acoplado a uma central digital do seu prefixo através de uma interface denominada “SLIC”. Essa interface (“SLIC”) tem como funções:
Provas
Em um transformador de 50 kVA, 2.400/240 V, 60 Hz, foram realizados os testes de circuito aberto e de curto-circuito, obtendo-se, respectivamente, 350 W, para as perdas no núcleo, e 630 W, para as perdas no cobre.
Ao desenharmos na Figura abaixo os gráficos de rendimento, perdas no núcleo e perdas no cobre para esse transformador,

concluímos que o gráfico que representa
Provas
A Figura abaixo apresenta transistores de silício que, embora possuam os parâmetros hFE =100, apresentam tempos de comutação diferentes.

Se R1 = R2 = 2 kW e R3 = R4 = 20 kW, pode-se afirmar em relação aos transistores T1 e T2, após a ligação da fonte de 12 V, que
Provas
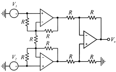
Considere que os amplificadores operacionais representados na Figura abaixo sejam todos ideais.

A expressão que representa o valor de Vo é igual a
Provas
A banda de frequências necessária para a transmissão de um sinal modulado em frequência, teoricamente, é infinita. Entretanto, são feitas aproximações baseadas nas pequenas potências das faixas laterais a partir de uma certa ordem. Se essas faixas viere a ser eliminadas, na pratica não haverá prejuízos. Considerando que uma rádio FM estéreo usa um desvio máximo da portadora de 75 kHz, uma subportadora estéreo de 38 kHz e uma frequência máxima da moduladora de 15 kHz, a banda necessária para a transmissão será de
Provas
Em um transformador de 50 kVA, 2.400/240 V, 60 Hz, foram realizados os testes de circuito aberto e de curto-circuito, obtendo-se, respectivamente, 350 W, para as perdas no núcleo, e 630 W, para as perdas no cobre.
O rendimento desse transformador quando alimenta uma carga com 3/4 de sua potência nominal e fator de potência 0,8, é
Provas
Caderno Container