Foram encontradas 630 questões.
Em um circuito amplificador, utilizando o CA-741 alimentado com ± 15 V, deseja-se um sinal de saída com amplitude máxima de 10 V. O valor máximo da frequência de entrada em kHz é, aproximadamente,
Dado: Para CA-741 temos SR =o,5 V/µs
Provas
As frequências f1 = 10 Hz e f2 = 100 kHz são utilizadas em uma determinada banda de frequência. A quantidade de décadas que as separam dentro da banda de frequência é igual a
Provas
TABELA 1 – CAPACIDADE DE CONDUÇÃO DE CORRENTE DE CONDUTORES
| SEÇÃO NOMINAL (mm2) | 2,5 | 4 | 6 | 10 | 16 | 25 | 35 | 50 | 70 |
| CAPACIDADE DE CONDUÇÃO (A) | 24 | 31 | 39 | 52 | 67 | 86 | 103 | 122 | 151 |
TABELA 2 – CORRENTES NOMINAIS DE DISJUNTORES TRIPOLARES (AMPÈRE)
| 10 | 15 | 16 | 20 | 25 | 30 | 32 | 35 | 40 |
| 50 | 60 | 63 | 70 | 80 | 90 | 100 | 125 | 160 |
Um circuito de distribuição trifásico alimenta uma carga de 52 kW, 380 V e cos !$ \phi !$ = 0,93. Baseando-se no critério de proteção contra correntes de sobrecarga, na Tabela 1 (Capacidade de Condução de Corrente de Condutores) e na Tabela 2 (Correntes Nominais de Disjuntores Tripolares), os condutores e o disjuntor tripolar adotados para o circuito são, respectivamente,
Provas
Uma sala com dimensões 14 m x 10 m será utilizada para laboratório. Adotando-se um iluminamento de 500 lux, um fator de utilização de 0,64, um fator de depreciação de 0,72, luminárias equipadas com 2 lâmpadas fluorescentes e cada lâmpada fluorescente emitindo 2.700 lumens, o fluxo luminoso (aproximado) e a quantidade de luminárias necessários para iluminar adequadamente esse ambiente são, respectivamente,
Provas
O quadro a seguir apresenta as potências e os tempos diários de utilização de vários equipamentos instalados em uma residência.
| EQUIPAMENTO | POTÊNCIA (W) | TEMPO DIÁRIO DE UTILIZAÇÃO (h) |
| ILUMINAÇÃO | 800 | 6 |
| CHUVEIRO ELÉTRICO | 4.400 | 1 |
| TELEVISOR | 260 | 4 |
| GELADEIRA | 380 | 12 |
| COMPUTADOR | 500 | 4 |
| CONDICIONADOR DE AR | 2.200 | 3 |
Para essa residência, o consumo mensal (30 dias) de energia elétrica (em kWh) e seu valor (em R$) serão, respectivamente,
Provas
Uma carga trifásica ligada em triângulo a uma rede de 4.160 V consome 500 kW. Sabendo-se que a corrente de linha é 80 A, o fator de potência dessa carga é
Provas
Um motor elétrico de indução trifásico apresenta as características a seguir.
| Potência nominal: 100 CV | Fator de potência: 0,90 | Rendimento: 0,91 |
Adotando-se um fator de utilização de 0,87, a demanda solicitada da rede elétrica por esse motor é, aproximadamente,
Provas
Considere as afirmativas relacionadas aos circuitos trifásicos.
I Numa carga trifásica equilibrada e ligada em estrela, as tensões de linha estão defasadas 30º em relação às correspondentes tensões de fase.
II A potência ativa total consumida por uma carga trifásica equilibrada não depende do fator de potência desta carga.
III Em um sistema trifásico simétrico alimentando uma carga trifásica equilibrada, a corrente no fio neutro é zero.
IV Numa carga trifásica equilibrada e ligada em triângulo, as correntes de linha estão defasadas 30º em relação às correspondentes correntes de fase.
Estão corretas as afirmativas
Provas
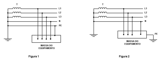
As figuras 1 e 2 mostram esquemas de aterramento utilizados em instalações elétricas de baixa tensão, conforme a NBR 5410.

Nessas figuras, T é o secundário do transformador, L1, L2 e L3 são as fases, N é o neutro e PE é o condutor de proteção. De acordo com tais informações, os esquemas de aterramento das figuras 1 e 2 são denominados, respectivamente,
Provas
Considere as afirmativas relacionadas aos motores elétricos.
I No motor síncrono, a velocidade é independente da tensão de alimentação.
II O motor de corrente contínua do tipo composto possui alto conjuga do de partida.
III O motor de corrente contínua do tipo série tem baixo conjugado de partida.
IV No motor de indução com rotor em gaiola de esquilo, a velocidade do campo girante é maior do que a velocidade do rotor.
Estão corretas as afirmativas
Provas
Caderno Container