Foram encontradas 630 questões.
Uma minuta de uma resolução do Conselho Superior deve ser preparada para a próxima reunião ordinária que tratará do ingresso de novos alunos em uma Universidade Federal. Dois conselheiros foram designados pelo Reitor para construir tal documento e decidiram fazê-lo no Microsoft Word 2007. Eles se organizaram para que o primeiro fizesse uma versão inicial. Em seguida, o segundo conselheiro deveria fazer revisões no texto, mas sem alterá -lo definitivamente, permitindo que o primeiro conselheiro possa aceitar ou rejeitar as sugestões de modificações. Para tanto, faz-se necessário habilitar
Provas
Um instrumento de bobina móvel tem resistência interna 100 Ω e valor de fim de escala 1 mA. Para transformá-lo em um amperímetro capaz de medir uma corrente igual a 1 A, deve-se ligar uma resistência em paralelo (shunt) com valor, aproximadamente,
Provas
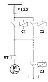
O circuito de força de uma chave compensadora utilizada para a partida de motores elétricos de indução está representado a seguir:

Baseando-se nessa chave de partida, considere as seguintes afirmativas:
I O autotransformador é ligado ao circuito do rotor do motor.
II Os elementos F 1,2,3 protegem o motor contra correntes de curto-circuito.
III Estando o tap na posição de 65%, a corrente de partida na linha é, aproximadamente, igual à corrente de acionamento de uma chave estrela-triângulo.
IV O conjugado de partida do motor é proporcional ao quadrado da tensão aplicada aos bornes do motor.
Estão corretas as afirmativas
Provas
Uma carga trifásica solicita 350 kW com um fator de potência em atraso de 0,84 quando ligada a uma rede de 380 V. A potência reativa fornecida por um banco de capacitores ligado em paralelo com a carga, necessária para aumentar o fator de potência total para 0,96 em atraso, e a redução resultante na corrente de entrada serão iguais, respectivamente, a
Considere: !$ \sqrt{3} = 1,73; \,\, cos^{-1} \,\, 0,84 = 32,86°; \,\, tg \, 32,86° = 0,65; \,\, cos^{-1} \,\, 0,96 = 16,26° = 0,29 !$
Provas
Um indutor de 0,4 mH e um capacitor de 2 μF são ligados em paralelo. A frequência de ressonância desse circuito é
Considere: !$ \pi = 3,14 !$
Provas
Um motor de indução trifásico de 6 polos, 60 Hz, gira a 1.140 RPM quando ligado a uma tensão de 220 V. Se a tensão de alimentação subir para 240 V, sua nova velocidade será, aproximadamente,
Provas
Um chuveiro elétrico está equipado com uma resistência elétrica de 3.200 W – 220 V. Ao ser ligado na posição INVERNO, esse chuveiro consome 30% mais potência. Nessa posição, a resistência do chuveiro e a corrente elétrica consumida são iguais a
Provas
Considere as afirmativas relacionadas às lâmpadas:
I A lâmpada de sódio de baixa pressão emite uma radiação quase monocromática.
II Quanto maior o valor da temperatura de cor de uma lâmpada, mais branca será a sua luz emitida.
III A lâmpada multivapor metálico requer um ignitor de partida para o seu funcionamento.
IV O reator utilizado com lâmpadas fluorescentes tem a finalidade de diminuir a tensão durante a ignição.
Estão corretas as afirmativas
Provas
Uma empresa está colocando no mercado uma nova embalagem de leite com o formato de paralelepípedo retângulo e as dimensões apresentadas na figura abaixo. O conteúdo total dessa nova embalagem, derramado em copos de 200 ml, enche totalmente, no máximo,

Provas
A janela do Mozilla Firefox 20 está reproduzida na figura a seguir

O botão representado com uma seta para baixo indicado na figura é usado para acesso
Provas
Caderno Container