Foram encontradas 50 questões.
Deseja-se dimensionar o circuito de alimentação trifásico (3F + N) para um Quadro de
Distribuição (QD) que fornece energia para uma sala com equipamentos de tecnologia da
informação, os quais são geradores de terceira harmônica. As correntes nos condutores de
fase apresentam, além da fundamental, harmônicas de 3ª, 5ª e 7ª ordens e seus valores
máximos são apresentados na Tabela 1. Baseando-se nas Tabelas 2 e 3, a seção nominal
dos condutores fase e neutro desse circuito serão, respectivamente,


Provas
Questão presente nas seguintes provas
A Figura a seguir representa dois arranjos típicos de barramentos utilizados em subestações
de sistemas elétricos de potência.

De acordo com essa Figura, os arranjos I e II são denominados, respectivamente,

De acordo com essa Figura, os arranjos I e II são denominados, respectivamente,
Provas
Questão presente nas seguintes provas
Como ação de um programa de eficiência energética, foi proposta a substituição das
lâmpadas de um empreendimento com os objetivos de melhorar os níveis de iluminação e
reduzir o consumo de energia elétrica. Os dados do sistema de iluminação existente e do
sistema proposto são apresentados na tabela a seguir.
Para simplificar a instalação do novo sistema de iluminação, será utilizada a mesma quantidade de lâmpadas do sistema existente. A iluminação funciona e funcionará 11 horas por dia durante 30 dias por mês. Após a instalação do sistema pro posto, a redução no consumo de energia mensal e a redução nos custos mensais de energia (para uma tarifa de R$ 0,54/kWh) serão, respectivamente,
Obs.: Considere um reator para cada lâmpada.
Para simplificar a instalação do novo sistema de iluminação, será utilizada a mesma quantidade de lâmpadas do sistema existente. A iluminação funciona e funcionará 11 horas por dia durante 30 dias por mês. Após a instalação do sistema pro posto, a redução no consumo de energia mensal e a redução nos custos mensais de energia (para uma tarifa de R$ 0,54/kWh) serão, respectivamente,
Obs.: Considere um reator para cada lâmpada.
Provas
Questão presente nas seguintes provas
- Circuitos ElétricosCircuitos CACircuitos Trifásicos
- Transformadores e Máquinas ElétricasMáquinas EstáticasTransformador de Potência
A Figura a seguir apresenta o circuito equivalente de seqüência zero de um transformador
trifásico de dois enrolamentos.

Conforme os dados dessa Figura, é correto afirmar que o transformador referido está conectado em

Conforme os dados dessa Figura, é correto afirmar que o transformador referido está conectado em
Provas
Questão presente nas seguintes provas
Medições realizadas em uma instalação apresentaram os valores a seguir:

O fator de potência verdadeiro dessa instalação é, aproximadamente,

O fator de potência verdadeiro dessa instalação é, aproximadamente,
Provas
Questão presente nas seguintes provas
- Proteção de Sistemas ElétricosProteção em Média Tensão
- Transformadores e Máquinas ElétricasMáquinas EstáticasTransformador de Corrente
- Sistemas Elétricos de PotênciaDistribuição de Energia Elétrica
Um transformador de corrente (TC), com relação de transformação 400/5 e fator térmico 1,5,
está instalado em um alimentador, de acordo com a Figura a seguir.

A máxima corrente que pode passar pelo alimentador em regime permanente e a máxima corrente de curto-circuito que pode passar pelo TC sem alterar sua classe de exatidão (admitindo um fator de sobrecorrente (FS) igual a 20) são, respectivamente,

A máxima corrente que pode passar pelo alimentador em regime permanente e a máxima corrente de curto-circuito que pode passar pelo TC sem alterar sua classe de exatidão (admitindo um fator de sobrecorrente (FS) igual a 20) são, respectivamente,
Provas
Questão presente nas seguintes provas
- Instalações ElétricasAterramentos
- Normas TécnicasNBRsNBR 5410: Instalações Elétricas de Baixa Tensão
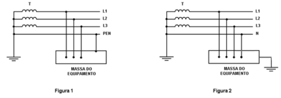
As Figuras 1 e 2 mostram esquemas de aterramento utilizados em instalações elétricas de
baixa tensão, conforme a norma ABNT NBR 5410:2004.

Nessas figuras, T é o secundário do transformador, L1, L2 e L3 são as fases, N é o neutro e PEN é o condutor de proteção e neutro. De acordo com tais informações, os esquemas de aterramento representados nas referidas Figuras são denominados, respectivamente,

Nessas figuras, T é o secundário do transformador, L1, L2 e L3 são as fases, N é o neutro e PEN é o condutor de proteção e neutro. De acordo com tais informações, os esquemas de aterramento representados nas referidas Figuras são denominados, respectivamente,
Provas
Questão presente nas seguintes provas
O sinal produzido pelo oscilador e que é enviado ao amplificador de áudio foi medido por um
osciloscópio, conforme a figura ao lado.
Condição dos controles do osciloscópio:
• Chave AC-GND-DC: posição DC; • Ganho vertical: posição 60 mV/DIV; • Base de tempo: posição 80 µs/DIV.
Os valores aproximados da amplitude pico a pico e a frequência do sinal valem, respectivamente,
Condição dos controles do osciloscópio:
• Chave AC-GND-DC: posição DC; • Ganho vertical: posição 60 mV/DIV; • Base de tempo: posição 80 µs/DIV.
Os valores aproximados da amplitude pico a pico e a frequência do sinal valem, respectivamente,
Provas
Questão presente nas seguintes provas
A figura a seguir mostra um circuito de um inversor trifásico conectado a uma fonte de tensão
contínua, sendo seus terminais de saída R, S e T conectados a um sistema elétrico alternado.

A esse respeito, considere as seguintes afirmativas. I O inversor pode fornecer potência não ativa, proveniente de reativos e harmônicos, para o sistema elétrico CA. II O inversor só funcionará adequadamente quando os valores de pico das tensões no sistema elétrico de CA forem maior que o valor da tensão da fonte DC. III Só haverá fluxo de potência ativa da fonte de tensão contínua para o sistema elétrico CA. IV O inversor só funcionará adequadamente quando a tensão da fonte DC for maior que os valores das tensões do sistema CA. A afirmativa correta é a

A esse respeito, considere as seguintes afirmativas. I O inversor pode fornecer potência não ativa, proveniente de reativos e harmônicos, para o sistema elétrico CA. II O inversor só funcionará adequadamente quando os valores de pico das tensões no sistema elétrico de CA forem maior que o valor da tensão da fonte DC. III Só haverá fluxo de potência ativa da fonte de tensão contínua para o sistema elétrico CA. IV O inversor só funcionará adequadamente quando a tensão da fonte DC for maior que os valores das tensões do sistema CA. A afirmativa correta é a
Provas
Questão presente nas seguintes provas
- Circuitos ElétricosCircuitos CACircuitos Trifásicos
- Transformadores e Máquinas ElétricasMáquina de Indução
Um motor de indução trifásico de seis terminais ligado em estrela possui os seguintes dados de placa:
(Considerar: √3 = 1,73).
A corrente nominal que circula pelos enrolamentos do motor é, aproximadamente, igual a
(Considerar: √3 = 1,73).
A corrente nominal que circula pelos enrolamentos do motor é, aproximadamente, igual a
Provas
Questão presente nas seguintes provas
Cadernos
Caderno Container