Foram encontradas 50 questões.
- Transformadores e Máquinas ElétricasMáquinas EstáticasTransformador de Potência
- Sistemas Elétricos de PotênciaAnálise de SEPAnálise de Curto-circuitos
Um transformador de 100 kVA, 13.800/440 V, quando ensaiado, forneceu os valores
mostrados na tabela a seguir:

Os valores aproximados de VCA utilizado para a realização do ensaio de circuito aberto (CA) e de ICC utilizado para a realização do ensaio de curto-circuito (CC), são, respectivamente, iguais a

Os valores aproximados de VCA utilizado para a realização do ensaio de circuito aberto (CA) e de ICC utilizado para a realização do ensaio de curto-circuito (CC), são, respectivamente, iguais a
Provas
Questão presente nas seguintes provas
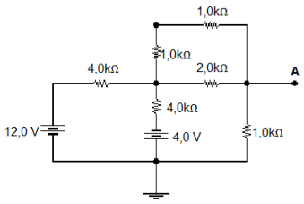
A figura a seguir mostra um circuito com resistências.

A tensão no ponto A em relação ao ponto de aterramento é igual a

A tensão no ponto A em relação ao ponto de aterramento é igual a
Provas
Questão presente nas seguintes provas
Uma empresa de laminação possui um motor de indução de rotor bobinado de 4 pólos. O
motor tem uma potência de saída disponível no eixo igual a 5.800π W e é alimentado por
uma rede elétrica de 60 Hz. O motor aciona uma carga de torque resistivo igual a 100 N.m. O
escorregamento do motor é, aproximadamente, igual a
Provas
Questão presente nas seguintes provas
Uma onda eletromagnética que se propaga no vácuo incide sobre uma superfície de um
cristal, formando um ângulo ⌀ = 60º com a direção perpendicular a essa superfície. Sabendo
que a onda refratada forma um ângulo α = 30º com a direção perpendicular à s uperfície e que
a velocidade de propagação da onda no vácuo é c = 3,0 x 108 m/s e considerando que o
índice de refração do vácuo é nV = 1, a velocidade de propagação da onda no cristal é igual a
Provas
Questão presente nas seguintes provas
Medições de energia elétrica foram realizadas nas instalações elétricas de uma fábrica. As
medições foram realizadas em intervalos de tempo, sendo a medição inicial igual a 10.550
kWh e a medição final igual a 11.268 kWh, respectivamente. O medidor possui uma constante
própria de multiplicação igual a 3. O consumo de energia elétrica no intervalo considerado, foi
de
Provas
Questão presente nas seguintes provas
- Instalações Elétricas
- Normas TécnicasNBRsNBR 5419: Sistema de Proteção contra Descargas Atmosféricas
A Parte 4 da norma de Proteção contra descargas atmosféricas (ABNT NBR 5419-4:2015),
trata
Provas
Questão presente nas seguintes provas
Em uma subestação com um transformador trifásico de 750 kVA e impedância percentual de
5,5%, será instalado um banco de capacitores de 260 kvar para correção do fator de
potência. Nesse local, a capacidade de curto-circuito é 6.500 kVA. A harmônica em relação à
fundamental que aparece nessa instalação é de ordem
Provas
Questão presente nas seguintes provas
- Medidas Elétricas
- Circuitos ElétricosCircuitos CACircuitos Trifásicos
- Transformadores e Máquinas ElétricasMáquinas EstáticasTransformador de Corrente
- Transformadores e Máquinas ElétricasMáquinas EstáticasTransformador de Potência
Para determinar a demanda ativa consumida por uma carga trifásica, um eletricista verificou
que, em 50 segundos, o disco do medidor de energia ativa fez 2 rotações. O medidor tem na
placa de identificação os seguintes valores:
• constante do disco (Kd): 4,6 Wh/rot;
• relação de transformação (Kp) dos transformadores de potencial: 120;
• relação de transformação (Kc) dos transformadores de corrente: 10.
• constante do disco (Kd): 4,6 Wh/rot;
• relação de transformação (Kp) dos transformadores de potencial: 120;
• relação de transformação (Kc) dos transformadores de corrente: 10.
A partir desses dados, a demanda ativa consumida por essa carga no tempo medido é
Provas
Questão presente nas seguintes provas
Considere as seguintes afirmativas relacionadas à segurança e a saúde dos trabalhadores
em instalações elétricas e serviços com eletricidade.
I
É considerado trabalhador qualificado aquele que comprovar conclusão de curso
específico na área elétrica reconhecido pelo Sistema Oficial de Ensino.
II Para uma mesma faixa de tensão nominal da instalação elétrica, o raio de delimitação
da zona controlada é menor do que o raio de delimitação da zona de risco.
III
A instalação da sinalização de impedimento de reenergização é o último procedimento
a ser realizado para poder considerar desenergizadas as ins talações elétricas
liberadas para trabalho.
IV Barreira é todo elemento que impede o contato acidental, mas não impede o contato
direto por ação deliberada.
De acordo com a Norma Regulamentadora NR 10 - Segurança em Instalações e Serviços em
Eletricidade, estão corretas as afirmativas
Provas
Questão presente nas seguintes provas
Para o projeto luminotécnico de uma sala com dimensões 6 m x 10 m serão adotados os
seguintes parâmetros:
• iluminamento: 500 lux; • fator de utilização: 0,54; • fator de depreciação: 0,78; • luminárias com duas lâmpadas fluorescentes e • lâmpadas fluorescentes de 32 W – 220 V com fluxo luminoso de 2.650 lúmens cada lâmpada.
O fluxo luminoso total (aproximado) necessário para iluminar adequadamente essa sala e a quantidade mínima de luminárias serão,
• iluminamento: 500 lux; • fator de utilização: 0,54; • fator de depreciação: 0,78; • luminárias com duas lâmpadas fluorescentes e • lâmpadas fluorescentes de 32 W – 220 V com fluxo luminoso de 2.650 lúmens cada lâmpada.
O fluxo luminoso total (aproximado) necessário para iluminar adequadamente essa sala e a quantidade mínima de luminárias serão,
Provas
Questão presente nas seguintes provas
Cadernos
Caderno Container