Foram encontradas 50 questões.
Considere a viga isostática representada ao lado.
Levando-se em consideração os carregamentos indicados, o diagrama correspondente ao Esforço Cortante (DEC) está corretamente ilustrado em

Provas
Para a execução de alvenaria de vedação, a produtividade de um pedreiro é de 0,75 h/m² e a de um servente é de 1,05 h/m². Considerando que o salário do pedreiro e do servente, para execução desse serviço, é de R$ 10,00/h e R$ 5,50/h, respectivamente, e que os encargos sociais são de 120%, o valor total a ser gasto com mão de obra para a execução de uma alvenaria de vedação com 15 m² é de aproximadamente
Provas
Em orçamentos, o cronograma de barras consiste, basicamente, em definir o conjunto de tarefas a realizar e em exprimir graficamente a sua duração, em forma de barra. O cronograma de barras também é denominado
Provas
Os preços unitários de cada um dos serviços a serem executados na obra são obtidos
Provas
Em um projeto de instalação elétrica predial, o dispositivo definido como o centro de onde partem todos os circuitos e também local onde se encontram os sistemas de proteção, manobra e comando é chamado de
Provas
Em uma instalação elétrica de baixa tensão, de acordo com a NBR 5410:2008, o condutor neutro de um circuito monofásico deve apresentar
Provas
De acordo com o método dos lúmens, para iluminar uma sala de estar, em formato retangular, de 12 m de comprimento e 4 m de largura, utilizando-se iluminância mínima de 500 lux, luminária de duas lâmpadas fluorescentes com 2.700 lúmens cada, fator de utilização igual a 0,56 e fator de depreciação igual a 0,80, serão necessárias
Provas
Em se tratando de sistemas prediais de esgoto sanitário, os poços de visita devem ter profundidade maior que
Provas
Quando há mudança de direção nos trechos horizontais das tubulações dos ramais de descarga e de esgoto, a NBR 8160:1999 recomenda que essas mudanças devem ser feitas com peças com ângulo central igual ou inferior a
Provas
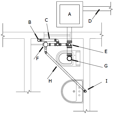
Analise a figura a seguir.

Na figura, os elementos identificados pelas letras A, C, E e F são denominados, respectivamente, como
Provas
Caderno Container