Foram encontradas 50 questões.
Um projeto de infraestrutura, além das fundações propriamente ditas, deve ser complementado por outros projetos de forma a incluir análises sobre a segurança e deslocabilidades dos diferentes elementos. Nesse contexto, considera-se como complementar o projeto
Provas
Sistemas naturais ou artificiais capazes de drenar água superficial, em geral proveniente das chuvas, são compostos de canais conectados entre si, e a esse conjunto de canais conectados dá-se o nome de rede de drenagem. Inserido nesse contexto, o “sistema de condutores pluviais ou canais nos loteamentos ou na rede primária urbana, projetado para atender a drenagem de precipitações de risco moderado” é denominado sistema de
Provas
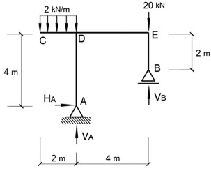
Observe o pórtico ilustrado na figura abaixo.

Fonte: Autoria própria.
Em relação a esse pórtico, analise as afirmativas abaixo.
I A tensão normal atuante na barra AD é de compressão.
II A reação vertical no nó B (VB) é de 22 kN, para cima.
III O pórtico, quanto a sua estaticidade, é classificado como hipostático.
IV A soma das reações verticais nos nós A (VA) e B (VB) é igual a 24 kN.
Estão corretas as afirmativas
Provas
O ensaio que visa determinar as características de compressibilidade dos solos sob a condição de confinamento lateral é denominado ensaio de
Provas
Nos desenhos técnicos das engenharias, a escala do desenho sempre se apresenta através de uma relação entre medida gráfica e medida natural. Nesse contexto, a figura a seguir ilustra graficamente um quarto de casal retangular cujas medidas foram representadas em uma escala de 1:25 e expressas em cm.

Fonte: Autoria própria.
Com base nessas informações, as medidas reais do quarto de casal, são
Provas
Acerca dos termos e definições utilizados nos Sistemas Prediais de Água Fria e Água Quente expressos na NBR 5626 (ABNT, 2020), “a extremidade a jusante de tubulação diretamente ligada a fonte de abastecimento que alimenta um reservatório de água em sistema indireto ou pontos de utilização em sistemas diretos” é considerada como um ponto de
Provas
Ferramenta computacional bastante difundida nas áreas de Arquitetura e Urbanismo e Engenharias, o software AUTOCAD é utilizado na elaboração de projetos arquitetônicos e complementares. Esse software apresenta um recurso de blocos comuns que permitem alterar algumas características, tais como: rotação, medidas, quantidades, etc. dos itens internos, sem precisar explodir ou alterar o bloco original. Esse recurso é conhecido como blocos
Provas
Os tipos de linhas (denominação), suas aparências ou características, e sua aplicação geral são padronizados na representação gráfica para projetos arquitetônicos e urbanísticos. No quadro a seguir, são apresentados alguns tipos de linhas e suas respectivas aparências.
| Tipo de linha | Aparência |
| Contigua extralarga |
|
| Contigua larga |
|
| Contigua estreita |
|
| Contigua com zigue-zague estreita |
|
Fonte: Autoria própria.
Com base nesse quadro, no tocante à aplicação geral, o tipo de linha utilizada para representação de curvas de níveis principais, conforme orientação da NBR 6492 (ABNT, 2021), é a linha do tipo contígua
Provas
Do ponto de vista técnico, é importante reconhecer o papel da presença da água visando, geralmente, suas implicações nas velocidades de fluxo. No tocante ao fluxo de líquidos, define-se energia de pressão por unidade de peso de água como carga
Provas
Considerando o que expressamente dispõe a Lei nº 9.784, de 29 de janeiro de 1999, a qual regula o processo administrativo no âmbito da Administração Pública Federal, analise as afirmativas abaixo.
I Concluída a instrução de processo administrativo, a Administração tem o prazo de até trinta dias para decidir, salvo prorrogação por igual período expressamente motivada.
II No âmbito da Administração Pública federal, as decisões administrativas que exijam a participação de dois ou mais setores, órgãos ou entidades poderão ser tomadas mediante decisão coordenada.
III A decisão de recursos administrativos pode ser objeto de delegação.
IV O processo administrativo pode iniciar-se de ofício ou a pedido de interessado.
Das afirmativas, estão corretas
Provas
Caderno Container