Foram encontradas 64 questões.
O enunciado a seguir deve ser considerado para a questão.
Um transformador de 15kVA alimenta uma instalação elétrica com carga instalada de 8kW com fator de potência 0,8 indutivo. Acrescenta-se, então, uma carga de 5kVA com fator de potência 0,7 indutivo.
Para corrigir o fator de potência da instalação para 0,95 indutivo, é necessário instalar capacitores com potência reativa, aproximadamente, de:
Provas
- EletrotécnicaCircuitos Elétricos em Eletricidade
- EletrotécnicaCircuitos de Corrente Contínua e de Corrente Alternada
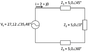
Provas
- EletrotécnicaCircuitos Elétricos em Eletricidade
- EletrotécnicaCircuitos de Corrente Contínua e de Corrente Alternada
A admitância equivalente do circuito em série abaixo é de, aproximadamente:

Provas
- EletrotécnicaCircuitos Elétricos em Eletricidade
- EletrotécnicaCircuitos de Corrente Contínua e de Corrente Alternada
Dados:

O indutor variável deve ser ajustado para que o circuito acima (RLC série) entre em ressonância. Dados: R=40,8Ω / C=8,83µF / Vfonte=70,7 sen (476t+30º)
Assinale a alternativa que corresponde, aproximadamente, ao valor do ajuste em mH.
Provas
- EletrotécnicaCircuitos Elétricos em Eletricidade
- EletrotécnicaCircuitos de Corrente Contínua e de Corrente Alternada
Para o circuito abaixo, onde Vfonte = 240 V eficaz, 60 Hz, R= 30Ω, XL= 8Ω e XC = 16Ω.

O valor em módulo da corrente i, fornecida pela fonte ao circuito, é igual a:
Provas
- EletrotécnicaCircuitos Elétricos em Eletricidade
- EletrotécnicaCircuitos de Corrente Contínua e de Corrente Alternada
Considere o sistema trifásico a quatro fios, com fonte trifásica simétrica e carga trifásica desequilibrada, mostrado na figura abaixo.

Sobre o sistema, assinale a alternativa correta.
Provas
Para medir um sinal de tensão com o auxílio do osciloscópio, um técnico conectou o sinal ao Canal 1. A configuração feita pelo técnico e a tela do osciloscópio são mostradas na figura abaixo.

Com base nos dados da figura, o valor eficaz e o valor da frequência do sinal são, respectivamente:
Provas
- EletrotécnicaCircuitos Elétricos em Eletricidade
- EletrotécnicaCircuitos de Corrente Contínua e de Corrente Alternada
Uma fonte trifásica equilibrada, sequência positiva, alimenta uma carga trifásica desequilibrada. Colocou-se um amperímetro para medir a corrente que circula pelo neutro, conforme a figura abaixo.
Dados:
VAN= 220∠0 0
ZA= 11 Ω
ZB= +j22 Ω
ZC= - j22 Ω
O valor da leitura do amperímetro é de, aproximadamente:
Provas
Analise, na tabela abaixo, as informações referentes ao dispositivo à direita.

As informações estão corretas, apenas, no(s) item(ns):
Provas
- EletrotécnicaCircuitos Elétricos em Eletricidade
- EletrotécnicaCircuitos de Corrente Contínua e de Corrente Alternada
A tensão aplicada a um circuito paralelo de dois ramos é v=100 sen (ωt – 90º). O Diagrama dos fasores das correntes eficazes está representado ao lado. A impedância equivalente do circuito, em ohms, será de, aproximadamente:

Provas
Caderno Container