Foram encontradas 64 questões.
Com relação às características dos transistores de efeito de campo, analise as afirmativas abaixo.
1) O transistor de efeito de campo de junção (JFET) tem ganho de tensão muito maior que o transistor de junção bipolar.
2) O transistor de efeito de campo possui alta impedância de entrada.
3) O transistor de efeito de campo é um dispositivo controlado por tensão.
Está(ão) correta(s):
Provas
Questão presente nas seguintes provas
Para o transistor do circuito abaixo, considere a seguinte expressão para a resistência em ca do diodo emissor:
!$ R_E = { \large25mV \over I_E} !$
Onde !$ I_E !$ é a corrente cc do emissor.

Qual o valor da tensão !$ V_{OUT} !$ na saída da carga?
Provas
Questão presente nas seguintes provas
Dentre as alternativas abaixo, assinale aquela que não representa um circuito combinacional dedicado.
Provas
Questão presente nas seguintes provas
Com relação aos transistores bipolares de junção, analise as afirmativas a seguir.
1) Para uma operação normal do transistor, a junção do coletor deve estar reversamente polarizada.
2) Aumentando-se a tensão de alimentação do coletor aumentará a corrente do coletor.
3) No transistor npn a junção do emissor está, em geral, diretamente polarizada.
Está(ão) correta(s):
Provas
Questão presente nas seguintes provas

Qual o valor de tensão, em volts, no ponto !$ V_C !$?
Provas
Questão presente nas seguintes provas
O desperdício nosso de cada dia
Em recente pesquisa feita pelo Instituto Akatu, foi constatado que uma família brasileira joga fora, em média, R$ 180 por mês em alimentos. Isso equivale a dizer que para cada R$ 100 em compras, quase R$ 30 são jogados fora. No Brasil, onde mais de 7 milhões de pessoas passam fome, cheguei a sentir um embrulho no estômago com tamanho desperdício. Para se ter uma ideia, se esse valor perdido fosse colocado em um investimento tradicional todo mês, ao final de 30 anos, se teria próximo de R$ 120 mil, já descontada a inflação.
A compra sem planejamento, de alimentos e de outros produtos, como remédios, por exemplo, evidencia a nossa quase sempre falta de controle. Recentemente, fui à farmácia comprar um xarope e a balconista me apresentou a versão de 100ml do produto. Pergunto sempre se é o menor volume comercializado. Ela me disse que não, que existia o mesmo xarope no volume de 60ml (mas ora, por que não me disse antes?). Minha pergunta me fez trocar o xarope de 100ml de R$ 50 pelo de 60ml, que me custou R$ 30 (tive uma economia de 40%). E, antes que me perguntem, o xarope de 60ml tem volume suficiente para curar duas gripes iguais à que eu enfrentava naquele momento. Provoco o leitor a visitar a farmacinha que tem em casa e a refletir sobre quais medicamentos são desperdiçados por falta de uso. E, se seguiu meu conselho, estimulo-o também a olhar suas roupas e a confirmar que, algumas delas, foram adquiridas por impulso e apenas enfeitam o seu guarda-roupa.
O desperdício vai além... Se, por exemplo, alguém tem uma casa de quatro quartos e mora somente com seu companheiro(a), estes podem estar desperdiçando espaço e dinheiro. Se gasta em média 5Gb de internet no celular e paga um plano de 20Gb, também desperdiça. E a pessoa continua desperdiçando dinheiro quando:
- paga juros altos em financiamentos, por falta de um planejamento financeiro; paga tarifas bancárias, quando existe um pacote gratuito de tarifas exigido pelo Banco Central, que os bancos não divulgam; não inclui o CPF nas notas fiscais de serviços, para ter desconto no IPTU; não aproveita o desconto da taxa de condomínio ao pagá-la até o vencimento (a maioria oferece esse benefício); não utiliza o regime de coparticipação dos planos de saúde, que reduz a mensalidade em troca de pagamento percentual a mais apenas quando usá-lo; não pergunta se o pagamento à vista oferece algum desconto na compra; e também quando não divide o pagamento sem juros, caso não tenha tal desconto (lembrei que certa vez comprei uma vela de aniversário para meu irmão, de R$ 3, em 10 vezes).
Enfim, são inúmeras oportunidades de usar seus recursos com mais inteligência e sem desperdícios. Pequenos exemplos como esses farão enorme diferença no futuro. O orçamento é um acordo que você faz com seu dinheiro, definindo previamente para onde ele vai no decorrer do mês. Sugiro que liste todas as suas despesas e busque identificar oportunidades de otimizá-las, evitando assim o desperdício nosso de cada dia.
Benjamin Rodrigues da Costa Miranda. Disponível em: http://www.diariodepernambuco.com.br/app/noticia/opiniao/46,97,43,74/2018/04/11/interna_opiniao,185999/o-desperdicio-nosso-de-cada-dia.shtml. Acesso em 15/04/2018. Adaptado.
Assinale a alternativa que apresenta um enunciado no qual a concordância está de acordo com a norma culta da língua.
Provas
Questão presente nas seguintes provas
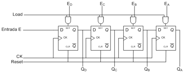
Observe o circuito lógico representado abaixo e assinale a alternativa incorreta.

Provas
Questão presente nas seguintes provas

Com o Texto, seu autor pretendeu convencer o leitor de que:
Provas
Questão presente nas seguintes provas
O desperdício nosso de cada dia
Em recente pesquisa feita pelo Instituto Akatu, foi constatado que uma família brasileira joga fora, em média, R$ 180 por mês em alimentos. Isso equivale a dizer que para cada R$ 100 em compras, quase R$ 30 são jogados fora. No Brasil, onde mais de 7 milhões de pessoas passam fome, cheguei a sentir um embrulho no estômago com tamanho desperdício. Para se ter uma ideia, se esse valor perdido fosse colocado em um investimento tradicional todo mês, ao final de 30 anos, se teria próximo de R$ 120 mil, já descontada a inflação.
A compra sem planejamento, de alimentos e de outros produtos, como remédios, por exemplo, evidencia a nossa quase sempre falta de controle. Recentemente, fui à farmácia comprar um xarope e a balconista me apresentou a versão de 100ml do produto. Pergunto sempre se é o menor volume comercializado. Ela me disse que não, que existia o mesmo xarope no volume de 60ml (mas ora, por que não me disse antes?). Minha pergunta me fez trocar o xarope de 100ml de R$ 50 pelo de 60ml, que me custou R$ 30 (tive uma economia de 40%). E, antes que me perguntem, o xarope de 60ml tem volume suficiente para curar duas gripes iguais à que eu enfrentava naquele momento. Provoco o leitor a visitar a farmacinha que tem em casa e a refletir sobre quais medicamentos são desperdiçados por falta de uso. E, se seguiu meu conselho, estimulo-o também a olhar suas roupas e a confirmar que, algumas delas, foram adquiridas por impulso e apenas enfeitam o seu guarda-roupa.
O desperdício vai além... Se, por exemplo, alguém tem uma casa de quatro quartos e mora somente com seu companheiro(a), estes podem estar desperdiçando espaço e dinheiro. Se gasta em média 5Gb de internet no celular e paga um plano de 20Gb, também desperdiça. E a pessoa continua desperdiçando dinheiro quando:
- paga juros altos em financiamentos, por falta de um planejamento financeiro; paga tarifas bancárias, quando existe um pacote gratuito de tarifas exigido pelo Banco Central, que os bancos não divulgam; não inclui o CPF nas notas fiscais de serviços, para ter desconto no IPTU; não aproveita o desconto da taxa de condomínio ao pagá-la até o vencimento (a maioria oferece esse benefício); não utiliza o regime de coparticipação dos planos de saúde, que reduz a mensalidade em troca de pagamento percentual a mais apenas quando usá-lo; não pergunta se o pagamento à vista oferece algum desconto na compra; e também quando não divide o pagamento sem juros, caso não tenha tal desconto (lembrei que certa vez comprei uma vela de aniversário para meu irmão, de R$ 3, em 10 vezes).
Enfim, são inúmeras oportunidades de usar seus recursos com mais inteligência e sem desperdícios. Pequenos exemplos como esses farão enorme diferença no futuro. O orçamento é um acordo que você faz com seu dinheiro, definindo previamente para onde ele vai no decorrer do mês. Sugiro que liste todas as suas despesas e busque identificar oportunidades de otimizá-las, evitando assim o desperdício nosso de cada dia.
Benjamin Rodrigues da Costa Miranda. Disponível em: http://www.diariodepernambuco.com.br/app/noticia/opiniao/46,97,43,74/2018/04/11/interna_opiniao,185999/o-desperdicio-nosso-de-cada-dia.shtml. Acesso em 15/04/2018. Adaptado.
Considerando alguns aspectos formais da língua portuguesa e as regras ortográficas vigentes, analise as proposições abaixo.
1) Estão grafadas segundo as regras vigentes de ortografia, as palavras desperdiçar e economizar.
2) Assim como em desperdício, também são acentuados os substantivos subsídio e subterfúgio.
3) No trecho: “O desperdício vai além...” (3º parágrafo), as reticências cumprem a função de sinalizar a completude do enunciado.
4) No trecho: “Recentemente, fui à farmácia comprar um xarope” (2º parágrafo), o sinal indicativo de crase é facultativo, já que a regência do verbo “ir” é flexível.
Estão corretas:
Provas
Questão presente nas seguintes provas
Assinale a alternativa que indica o tempo decorrido, em termos de quantas constantes de tempo, para que possa ser possível dizer que a carga no circuito está estabilizada, seja para carga ou descarga.
Provas
Questão presente nas seguintes provas
Cadernos
Caderno Container